电脑桌面
添加小米粒文库到电脑桌面
安装后可以在桌面快捷访问

地基处理施工作业指导书VIP免费

地基处理施工作业指导书_第1页
1/12
地基处理施工作业指导书_第2页
2/12
地基处理施工作业指导书_第3页
3/12
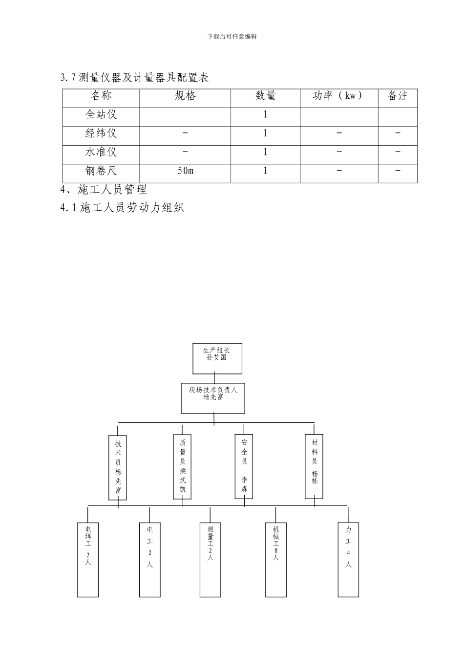
下载后可任意编辑土和灰土挤密桩施工作业指导书1、工程概况1.1 站址:运城绛县长杆(安峪)220kV 变电站新建工程位于山西省运城市安峪镇长杆村和仓丰村之间,站址为耕土。1.2 地基处理目的:是消除湿陷性,提高地基土的力学指标,避开场地地基不均匀沉降;施工采纳的工艺:孔内深层强夯法进行地基处理;工程地质情况:站址下存在 11.5m 厚Ⅱ级自重湿陷性黄土,部分区域为填方区域。1.3 主要工程量本次共计工程桩约 30000 根,成孔深度 8 米,约合 47800m3。2、编制依据2.1 《孔内深层强夯法技术规程》(CECS 197:2024);2.2 《湿陷性黄土地区建筑法律规范》(GB50025-2024);2.3 《建筑地基处理技术法律规范》(JGJ79-2024);2.4 《电力工程地基处理技术规程》(DL/T5024-2024);2.5 《110kV~1000kV 变电(换流)站土建工程施工质量验收及评定规程》Q\GDW183-2024;3、施工准备3.1 地基处理施工图 B2591S-T0616-023.2 施工技术资料及标准图集准备就绪,施工技术人员已到位;3.3 材料计划已提出,机械准备充分,满足施工要求;3.4 施工场地已平整,施工道路已畅通,施工用电从现场二级配电盘上引出,施工用水使用现场临时水源;3.5 所有参加施工的人员必须经过三级安全教育、施工技术和安全交底。3.6 施工主要材料、仪器及机械准备名称规格数量功率(kw)备注洛阳铲400mm20轮式夯击(锤重 1.8t)1622-装载机6502--装载机108--电焊机-260-下载后可任意编辑3.7 测量仪器及计量器具配置表名称规格数量功率(kw)备注全站仪1经纬仪-1--水准仪-1--钢卷尺50m1--4、施工人员管理4.1 施工人员劳动力组织生产组长孙艾国现场技术负责人杨先富质量员梁武凯力工4人技术员杨先富安全员李森材料员杨栋机械工8人测量工2人电工2人电焊工2人下载后可任意编辑4.2 施工人员岗位职责4.2.1 生产组长(现场施工员)岗位职责:① 严格、仔细的执行国家现行技术规程法律规范,在施工过程中坚决贯彻“施工组织设计”有关工程质量、工期的各项措施规定。② 组织好施工现场的生产,组织指挥好现场各工序间的衔接,保证现场施工工作运转。③ 组织好各道工序施工的自检和验收工作,不间断地对各作业面进行质量跟踪检查、监督,以保证各作业面的工作根据法律规范实施。④ 搞好现场的安全生产工作,特别是用电安全。各桩机用电装置在桩机安装移位时要特别注意友邻桩机的安全,各种电器要有防潮、防雨雪保护,线路架设要离地,检修各种设备要...

1、当您付费下载文档后,您只拥有了使用权限,并不意味着购买了版权,文档只能用于自身使用,不得用于其他商业用途(如 [转卖]进行直接盈利或[编辑后售卖]进行间接盈利)。
2、本站所有内容均由合作方或网友上传,本站不对文档的完整性、权威性及其观点立场正确性做任何保证或承诺!文档内容仅供研究参考,付费前请自行鉴别。
3、如文档内容存在违规,或者侵犯商业秘密、侵犯著作权等,请点击“违规举报”。

碎片内容

地基处理施工作业指导书

您可能关注的文档

确认删除?
VIP
微信客服
  • 扫码咨询
会员Q群
  • 会员专属群点击这里加入QQ群
客服邮箱
回到顶部