电脑桌面
添加小米粒文库到电脑桌面
安装后可以在桌面快捷访问

路面旁站记录表VIP免费

路面旁站记录表_第1页
1/10
路面旁站记录表_第2页
2/10
路面旁站记录表_第3页
3/10
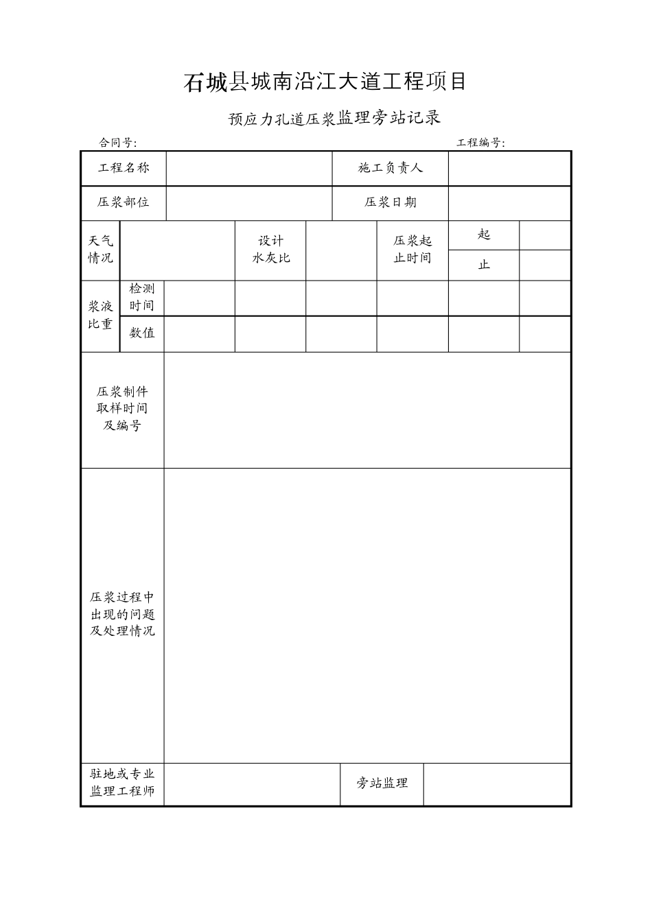
石城县城南沿江大道工程项目 沥青路面铺筑监理旁站记录 SJ028-1 工程名称 施工负责人 施工段 起讫桩号 施工日期 气温 风力 施工起止 时间 自年月日 至年月日 摊铺机具及数量 碾压机具及数量 混合料供应单位 混合料 检测温度℃ 桩号 摊铺 桩号 初压 桩号 复压 桩号 终压 路面 检测 桩号 厚度 桩号 密度 施工过程中 出现的问题 及处理情况 外观 驻地或专业 监理工程师 旁站监理 石城县城南沿江大道工程项目 预应力钢筋张拉监理旁站记录 SJ028-2 合同号: 工程编号: 工程名称 施工负责人 结构名称 张拉日期 张拉部位 标准强度 (Mpa) 张拉钢束数量 张拉起止时间 起 止 机 具 编 号 压力表 油泵 千斤顶 操作人姓名 及上岗证号 张拉时 环境温度 张拉过程中 出现的问题 及处理情况 驻地或专业 监理工程师 旁站监理 石城县城南沿江大道工程项目 预应力孔道压浆监理旁站记录 SJ028-3 合同号: 工程编号: 工程名称 施工负责人 压浆部位 压浆日期 天气 情况 设计 水灰比 压浆起 止时间 起 止 浆液 比重 检测时间 数值 压浆制件 取样时间 及编号 压浆过程中 出现的问题 及处理情况 驻地或专业 监理工程师 旁站监理 石城县城南沿江大道工程项目 混凝土浇筑监理旁站记录 SJ028-4 合同号: 工程编号: 工程名称 施工负责人 浇筑部位 浇筑日期 混凝土 设计强度 气温 砼设计方量 风力 砼实用方量 商 砼 配比 单号 自 拌 配比单号 供应 厂家 搅拌站 工作情况 标准 坍落度 实测 坍落度 砼试件 监理取样 制件时间 车号 样品编号 振捣机具 情况 浇筑机具 情况 工力配置 情况 浇筑过程中 出现的问题 及处理情况 开盘时间 结束时间 旁站时间 驻地或专业 监理工程师 旁站监理 石城县城南沿江大道工程项目 钻孔灌注桩灌注监理旁站记录 SJ028-5 合同号: 工程编号: 工程名称 施工负责人 施工日期及 开钻时间 墩台 编号 桩编号 钻孔设备 测量 厚度 泥浆 比重 成孔验收时间 灌注起止时间 起 孔径 止 孔深 混凝土等级 砼供应单位 实测 坍落度 混凝土 计算方量 混凝土 实用方量 灌注砼制件 时间及编号 灌注过程中 出现的问题 及处理情况 驻地或专业 监理工程师 旁站监理 石城县城南沿江大道工程项目 锚杆、导管、管棚安装监理旁站记录 SJ028-6 合同号: 工程编号:...

1、当您付费下载文档后,您只拥有了使用权限,并不意味着购买了版权,文档只能用于自身使用,不得用于其他商业用途(如 [转卖]进行直接盈利或[编辑后售卖]进行间接盈利)。
2、本站所有内容均由合作方或网友上传,本站不对文档的完整性、权威性及其观点立场正确性做任何保证或承诺!文档内容仅供研究参考,付费前请自行鉴别。
3、如文档内容存在违规,或者侵犯商业秘密、侵犯著作权等,请点击“违规举报”。

碎片内容

路面旁站记录表

确认删除?
VIP
微信客服
  • 扫码咨询
会员Q群
  • 会员专属群点击这里加入QQ群
客服邮箱
回到顶部