电脑桌面
添加小米粒文库到电脑桌面
安装后可以在桌面快捷访问

边坡工程课程设计VIP免费

边坡工程课程设计_第1页
1/22
边坡工程课程设计_第2页
2/22
边坡工程课程设计_第3页
3/22
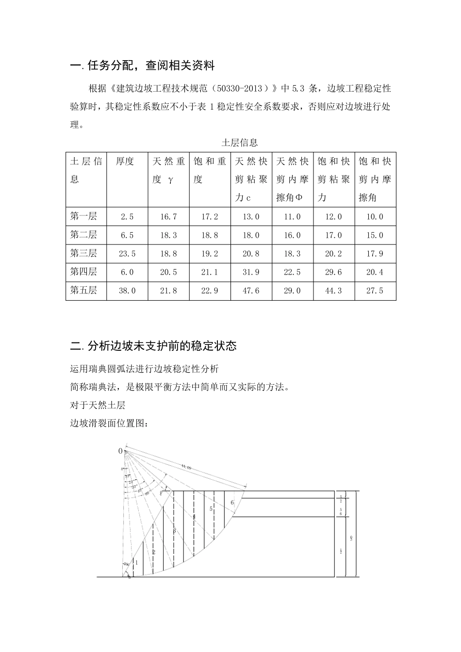
一.任务分配,查阅相关资料 根据《建筑边坡工程技术规范(50330-2013)》中5.3 条,边坡工程稳定性验算时,其稳定性系数应不小于表1 稳定性安全系数要求,否则应对边坡进行处理。 土层信息 土层信 息 厚度 天然重度 γ 饱和重度 天然快剪粘聚力c 天然快剪内摩擦角Φ 饱和快剪粘聚力 饱和快剪内摩擦角 第一层 2.5 16.7 17.2 13.0 11.0 12.0 10.0 第二层 6.5 18.3 18.8 18.0 16.0 17.0 15.0 第三层 23.5 18.8 19.2 20.8 18.3 20.2 17.9 第四层 6.0 20.5 21.1 31.9 22.5 29.6 20.4 第五层 38.0 21.8 22.9 47.6 29.0 44.3 27.5 二.分析边坡未支护前的稳定状态 运用瑞典圆弧法进行边坡稳定性分析 简称瑞典法,是极限平衡方法中简单而又实际的方法。 对于天然土层 边坡滑裂面位置图: 2.56.5213029°40°60°123456O4°13°23°33°45°60°44.09 瑞典条分法计算公式:iiiiiiWWlcKsin)tancos( 式中:li——第i 条块滑动面的弧长; ci——第i 条块滑动面上岩土体的粘聚力; i——第i 条块滑动面上岩土体的内摩擦角; Wi——第i 条块单位宽度岩土体自重; i——表示该土条中点与法线的竖直距离。 土条水平等间距平分,b=7.1m, 土条 加权平均粘聚力c 加权平均重度γ 加权平均内摩擦角Ψ 土条高度h L 第6 块 17.922 18.3 15.77 7.73 60 14.88 第5 块 18.940 18.381 16.662 17.11 45 10.1 第4 块 19.288 18.620 16.969 22.86 33 8.49 第3 块 19.449 18.495 17.110 26.61 23 17.7 第2 块 20.386 17.921 17.960 17.3 13 7.29 第1 块 20.8 18.8 18.3 6.49 4 7.1 将上表数据带入公式 iiiiiiWWlcKsin)tancos( 可得 K1=0.735 < 1.35 根 据 《 建 筑 边 坡 工 程 技 术 规 范 ( 50330-2013) 》 中 5.3 条 , 边 坡 工 程 稳 定 性 验 算时 , 其 稳 定 性 系 数 应 不 小 于 表1 稳 定 性 安 全 系 数 要 求 , 否 则 应 对 边 坡 进 行 处 理 。所 以 应 对 边 坡 进 行 处 理 。 三.拟采用支护方案 锚 杆 加 井 格 梁 支 护 方 案 应 用 广 泛 技 术 上 比 较 成 熟 ,因 此 采 用 井 格 梁 加 预 应 力 锚杆 支 护 方 案 , 对 边 坡 进 行 加 固 处 理 。 ...

1、当您付费下载文档后,您只拥有了使用权限,并不意味着购买了版权,文档只能用于自身使用,不得用于其他商业用途(如 [转卖]进行直接盈利或[编辑后售卖]进行间接盈利)。
2、本站所有内容均由合作方或网友上传,本站不对文档的完整性、权威性及其观点立场正确性做任何保证或承诺!文档内容仅供研究参考,付费前请自行鉴别。
3、如文档内容存在违规,或者侵犯商业秘密、侵犯著作权等,请点击“违规举报”。

碎片内容

边坡工程课程设计

您可能关注的文档

确认删除?
VIP
微信客服
  • 扫码咨询
会员Q群
  • 会员专属群点击这里加入QQ群
客服邮箱
回到顶部