电脑桌面
添加小米粒文库到电脑桌面
安装后可以在桌面快捷访问

外保温涂料施工方案-secretVIP免费

外保温涂料施工方案-secret_第1页
1/18
外保温涂料施工方案-secret_第2页
2/18
外保温涂料施工方案-secret_第3页
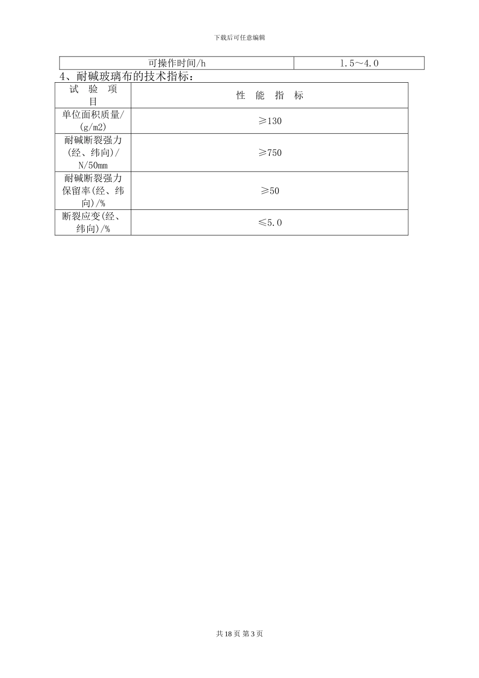
3/18
下载后可任意编辑××外墙外保温涂料施工方案<一>外墙保温施工方案一、编制依据1、招标文件,建筑施工图纸。2、天津**区建筑节能工程质量控制要点及检查说明。3、《05J3-1 外墙外保温》。4、《天津市城市住宅设计标准》DB29-22-2000。5、《天津市居住建筑节能施工工法指南》。6、《居住建筑节能工程施工技术规程》DB29-125-2024。7、《天津市民用建筑节能工程施工技术规程》DB29-125-2024。8、《居住建筑节能工程质量验收规程》DB29-126-2024。9、《天津市民用建筑节能工程质量验收规程》DB29-126-2024。10、《天津市民用建筑围护结构节能检测技术规程》DB29-88-2024。11、《天津市居住建筑节能设计标准》DB29-1-2007。12、《外墙外保温工程技术规程》JGJ144-202413、《胶粉聚苯颗粒外墙外保温系统》JG158-202414、《住宅建筑设计法律规范》(GB50096-1999)。15、《住宅建筑法律规范》(GB50368-2024)。16、本公司制定的企业施工规程及图集。二、工程概况: ×××外墙保温及涂料工程,工程地点位于天津**区**街,2#、3#楼保温面积为:20000㎡,外墙外保温采纳聚苯板涂料饰面系列,保温厚度 70㎜,饰面层为中高档弹性涂料。合同工期为 2007 年 6 月 25 日至 2007 年 9 月 15 日。三、施工准备(一)、技术准备1、认真做好熟悉图纸和图纸会审工作,做好图纸会审纪录1.1、图纸收到后认真审看,初步了解设计意图,检查建筑图是否完整齐全,是否符合国家法律规范的要求。1.2、专业之间的施工图是否交圈,有无矛盾和错误。1.3、预算组应及时计算外墙外保温面积,以便计划材料用量。2、根据图纸要求,根据国家法律规范,结合本工程特点,编制分项工程施工组织设计。分项工程施工前,根据施工工艺标准、针对图纸具体部位要求做好技术交底。在施工过程中的方案、交底的实际情况进行检查。3、进行现场生活、生产搅拌区域、库房规划,绘制平面布置图。4、了解合同内容、甲方、总包质量验收标准。5、根据合同要求排列施工进度计划。(二)施工现场准备:外墙保温施工应具备的条件:1、基层墙体垂直度要求为全高允许偏差 20㎜以内,表面平整度在 4㎜以内,墙面的水泥灰浆应清除,墙表面的凸起物应剔除,外墙上的螺栓点堵严,脚手眼一封堵完毕。2、门窗框及墙身上各种进户管线,水浴管架及各种预埋管件架按设计安装完毕。共 18 页 第 1 页下载后可任意编辑3、现场要求提供 220 伏、380 伏电源;4、气候条件:施工面应避开阳光直射,雨...

1、当您付费下载文档后,您只拥有了使用权限,并不意味着购买了版权,文档只能用于自身使用,不得用于其他商业用途(如 [转卖]进行直接盈利或[编辑后售卖]进行间接盈利)。
2、本站所有内容均由合作方或网友上传,本站不对文档的完整性、权威性及其观点立场正确性做任何保证或承诺!文档内容仅供研究参考,付费前请自行鉴别。
3、如文档内容存在违规,或者侵犯商业秘密、侵犯著作权等,请点击“违规举报”。

碎片内容

外保温涂料施工方案-secret

您可能关注的文档

确认删除?
VIP
微信客服
  • 扫码咨询
会员Q群
  • 会员专属群点击这里加入QQ群
客服邮箱
回到顶部