电脑桌面
添加小米粒文库到电脑桌面
安装后可以在桌面快捷访问

外墙无机保温砂浆施工组织方案VIP免费

外墙无机保温砂浆施工组织方案_第1页
1/22
外墙无机保温砂浆施工组织方案_第2页
2/22
外墙无机保温砂浆施工组织方案_第3页
3/22
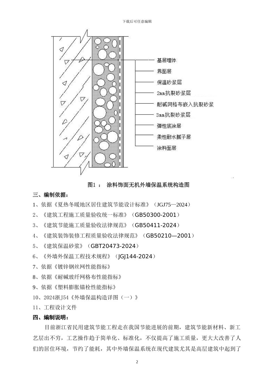
1下载后可任意编辑溪上鼎园D组团一标段工程外墙保温专项施工方案一、 工程概况:1、建设单位:杭州溪上鼎园置业有限公司2、设计单位:华东勘测设计讨论院3、施工单位:浙江瑞峰建设有限公司4、监理单位:浙江华东工程咨询有限公司5、工程地址:余杭区闲林街道高教路西侧6、项目名称:溪上鼎园D组团一标段(1-6#楼、地下室)工程7、建筑面积:93474.36m2、6幢18层二、外墙基本构造:外墙1:涂料、干挂外墙面(有保温)(1)、外墙涂料(工序详涂料分项工程要求)(底部二层为干挂花岗岩,详专业厂家图纸);(2)、3mm厚抗裂砂浆;(3)、145克/m2的耐碱玻纤网格布(网格布嵌入抗裂砂浆,锚固钉间距600);(4)、2mm厚抗裂砂浆;(5)、25厚无机保温砂浆B型;(6)、界面砂浆(做法参2024浙J54《外墙保温构造详图(一)》,养护七天以上)。(7)、墙体(基层清理,浇水湿润,两种材料交界处墙体采纳10厚抗裂砂浆掺建筑胶水粘贴300宽145克/m2的耐碱玻纤网格布)。 2下载后可任意编辑 图1 : 涂料饰面无机外墙保温系统构造图三、编制依据:1、依据《夏热冬暖地区居住建筑节能设计标准》(JGJ75—2024)2、《建筑工程施工质量验收统一标准》(GB50300-2001)3、《建筑节能施工质量验收法律规范》(GB50411-2024)4、《建筑装饰装修工程质量验收法律规范》(GB50210—2001)5、《建筑保温砂浆》(GBT20473-2024)6、《外墙外保温工程技术规程》(JGJ144-2024)7、依据《镀锌钢丝网性能指标》8、依据《耐碱玻纤网格布性能指标》9、依据《塑料膨胀锚栓性能指标》10、2024浙J54《外墙保温构造详图(一)》11、工程设计文件四、编制说明: 目前浙江省民用建筑节能工程走在我国节能进展的前期,建筑节能新材料、新工艺层出不穷,工艺操作趋于简单化、标准化,不仅提高了施工质量,更大大改善了人们的居住环境,节约了能耗,其中外墙保温系统在现代建筑尤其是高层建筑中起到了3下载后可任意编辑相当重要的作用。作为一种新材料、新工艺,外墙无机保温系统现已被越来越多的工程所采纳,该保温隔热体系集墙体保温隔热、抗裂防护、装饰功能为一体,其良好的保温隔热效果、可靠的构造处理受到了广泛的好评,是目前综合优势最多的外墙保温隔热做法。 无机外墙保温砂浆是由无机矿物玻化微珠、水泥及外加剂组成的单组分干混型高性能无机墙体保温材料,可广泛应用于新旧建筑物墙体保温工程,有效改善室内热环境。保温系统由界面剂、保温隔热层和抗裂防护砂浆...

1、当您付费下载文档后,您只拥有了使用权限,并不意味着购买了版权,文档只能用于自身使用,不得用于其他商业用途(如 [转卖]进行直接盈利或[编辑后售卖]进行间接盈利)。
2、本站所有内容均由合作方或网友上传,本站不对文档的完整性、权威性及其观点立场正确性做任何保证或承诺!文档内容仅供研究参考,付费前请自行鉴别。
3、如文档内容存在违规,或者侵犯商业秘密、侵犯著作权等,请点击“违规举报”。

碎片内容

外墙无机保温砂浆施工组织方案

确认删除?
VIP
微信客服
  • 扫码咨询
会员Q群
  • 会员专属群点击这里加入QQ群
客服邮箱
回到顶部