电脑桌面
添加小米粒文库到电脑桌面
安装后可以在桌面快捷访问

导地线液压接续施工作业指导书-VIP免费

导地线液压接续施工作业指导书-_第1页
1/10
导地线液压接续施工作业指导书-_第2页
2/10
导地线液压接续施工作业指导书-_第3页
3/10
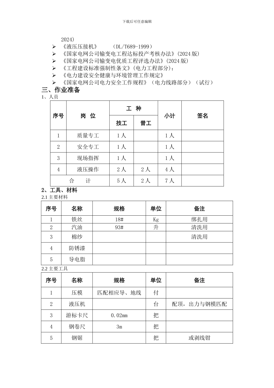
下载后可任意编辑 110kV 线路工程导地线液压接续施工作业指导书编写人: 年 月 日审核人: 年 月 日批准人: 年 月 日作业负责人: 公司导地线液压接续施工作业指导书一、适用范围 本标准适用于本公司架空送电线路施工中,以高压油泵为动力,以相应钢模对导线、地线耐张线夹及导线、地线、光缆牵引管等进行液压施工。牵引管及耐张线夹压前为圆形,压后呈六角形。二、引用标准《电力建设安全工作规程(架空电力线路部分)》(DL5009.2-2024)《架空送电线路导线及避雷线液压施工工艺规程》(试行)SDJ226-87《110-500kV 架空电力线路施工及验收法律规范》 (GB 50233-2024)《110-500kV 架空电力线路工程施工质量及评定规程》 (DL/T 5168-下载后可任意编辑2024) 《液压压接机》 (DL/T689-1999)《国家电网公司输变电工程达标投产考核办法》(2024 版)《国家电网公司输变电优质工程评选办法》(2024 版)《工程建设标准强制性条文》(电力工程部分);《电力建设安全健康与环境管理工作规定》《国家电网公司电力安全工作规程》(电力线路部分)(试行)三、作业准备1、人员序号岗 位工 种小计签名技工普工1质量专工1 人1 人2安全专工1 人1 人3现场指挥1 人1 人4液压操作2 人2 人4 人合 计5 人2 人7 人2、工具、材料2.1 主要材料序号名称规格单位备注1铁丝18#Kg绑扎用2汽油93#升清洗用3棉纱清洗用4防锈漆5导电脂2.2 主要工具序号名称规格单位备注1压模匹配相应导、地线付2液压机台配顶,出力与钢模匹配3游标卡尺0.02mm把4钢卷尺3m把5钢锯把或剥线钳下载后可任意编辑6断线钳把或切割机7钢丝刷把8平锉把9帆布张10钢印11校直板80*150*20棱角倒脚3、作业前工作3.1 液压设备及材料检验(1) 对所使用的导线、光缆其结构及规格应仔细进行检查,其规格应与工程设计相符,并符合国家标准的各项规定。(2) 所使用的待压管件应用精度为 0.02mm 游标卡尺测量受压部分的内外直径。外观检查应符合有关规定。用钢卷尺测量各部长度,其尺寸、公差应符合国家标准要求。(3) 液压设备使用前应检查其完好程度,保证正常操作。油压表必须定期校核,做到准确可靠。3.2 收集工程关于液压施工的特别要求。4、 作业流程、作业方法和要求4.1 作业流程4.2 作业内容、方法1. 清洗(1) 对使用的线夹、牵引管,应用汽油清洗管内壁的污垢,并清除影响穿管的锌疤与焊渣。短期不使用时,清洗后应将管口临时封堵,并以塑料...

1、当您付费下载文档后,您只拥有了使用权限,并不意味着购买了版权,文档只能用于自身使用,不得用于其他商业用途(如 [转卖]进行直接盈利或[编辑后售卖]进行间接盈利)。
2、本站所有内容均由合作方或网友上传,本站不对文档的完整性、权威性及其观点立场正确性做任何保证或承诺!文档内容仅供研究参考,付费前请自行鉴别。
3、如文档内容存在违规,或者侵犯商业秘密、侵犯著作权等,请点击“违规举报”。

碎片内容

导地线液压接续施工作业指导书-

范哲铺+ 关注
实名认证
内容提供者

想你所想,急你所急,你需要的都在店铺里可以找到。

确认删除?
VIP
微信客服
  • 扫码咨询
会员Q群
  • 会员专属群点击这里加入QQ群
客服邮箱
回到顶部