电脑桌面
添加小米粒文库到电脑桌面
安装后可以在桌面快捷访问

底基层首件工程施工方案VIP专享VIP免费

底基层首件工程施工方案_第1页
1/10
底基层首件工程施工方案_第2页
2/10
底基层首件工程施工方案_第3页
3/10
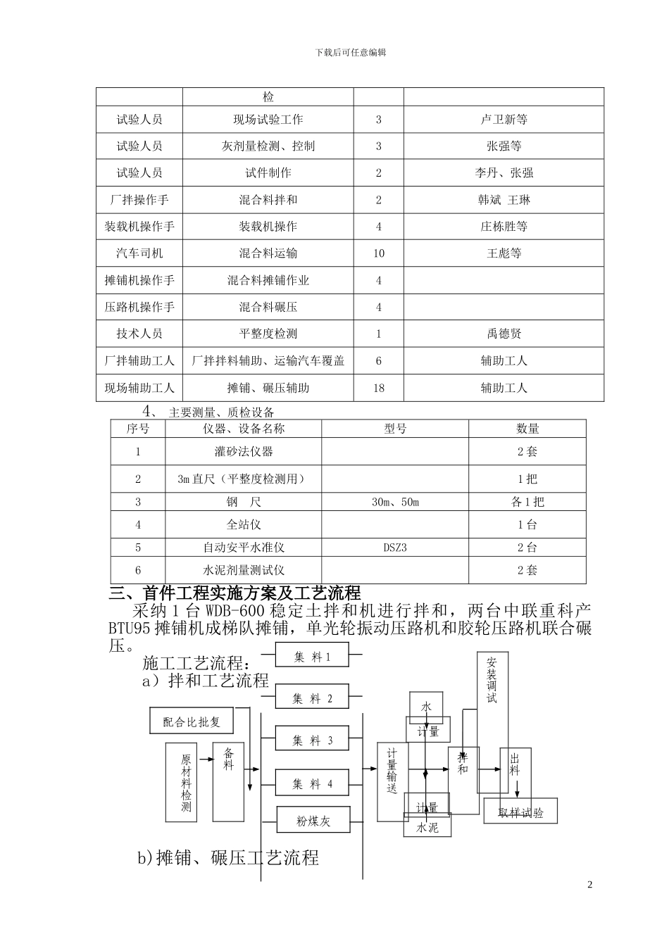
下载后可任意编辑水泥粉煤灰稳定碎石底基层首件工程施工方案西宝高速公路改扩建工程 B-M04 标段现已具备水泥粉煤灰稳定碎石底基层首件工程的施工条件,为了保证水泥粉煤灰稳定碎石底基层的大面积施工质量,取得适合我单位的标准施工方法,特编制水泥粉煤灰稳定碎石底基层首件工程施工方案:一、首件工程施工目的:1、验证用于正式施工的混和料配合比;2、确定水泥粉煤灰稳定碎石底基层的松铺系数;3、确定水泥粉煤灰稳定碎石底基层的标准施工方法;4、确定当其含水量接近最佳含水量,压实度达到法律规范要求的 97%时,压实遍数和压实度关系。5、确定混合料的摊铺工艺;6、确定每一作业面的合适长度。7、确定压路机的碾压工艺及碾压遍数。二、施工准备:1、原材料碎 石 : 采 纳 鲁 马 石 料 厂 生 产 的 碎 石 , 根 据 31.5-19,19-9.5,9.5-4.75mm 分级对方,试验室每天对集料进行筛分,严格控制级配,将级配波动范围控制在 5%以内;石屑:采纳鲁马石料厂生产的石屑;粉煤灰:采纳渭河电厂的粉煤灰;水泥:采纳众喜牌普通硅酸盐 P·C 32·5 水泥。 2、机械设备 机械设备表设备名称型号功率或吨位单位数量备注稳定土厂拌WDB600600t/h台1潍坊装载机ZL50台4自卸汽车15t台15摊铺机DTU95A9.5m台2中联重科振动压路机XS222J22t台2振动压路机XSM22020 t台1胶轮压路机XP26225t台1水车8t台23、人员安排表职务工作范围人数备注总负责总体协调1胡呈龙技术负责现场摊铺、碾压质量控制2庄栋胜 庄荣耀 技术人员测量放样、松铺系数测定、质4任达山、龙成江、罗峥、禹德贤1下载后可任意编辑检试验人员现场试验工作3卢卫新等试验人员灰剂量检测、控制3张强等试验人员试件制作2李丹、张强厂拌操作手混合料拌和2韩斌 王琳装载机操作手装载机操作4庄栋胜等汽车司机混合料运输10王彪等摊铺机操作手混合料摊铺作业4压路机操作手混合料碾压4技术人员平整度检测1禹德贤厂拌辅助工人厂拌拌料辅助、运输汽车覆盖6辅助工人现场辅助工人摊铺、碾压辅助18辅助工人4、 主要测量、质检设备序号仪器、设备名称型号数量1灌砂法仪器2 套23m 直尺(平整度检测用)1 把3钢 尺30m、50m各 1 把4全站仪1 台5自动安平水准仪DSZ32 台6水泥剂量测试仪2 套三、首件工程实施方案及工艺流程采纳 1 台 WDB-600 稳定土拌和机进行拌和,两台中联重科产BTU95 摊铺机成梯队摊铺,单光轮振动压路机和胶轮压路机联合碾压。施工工艺流程:a)拌和工艺流程2...

1、当您付费下载文档后,您只拥有了使用权限,并不意味着购买了版权,文档只能用于自身使用,不得用于其他商业用途(如 [转卖]进行直接盈利或[编辑后售卖]进行间接盈利)。
2、本站所有内容均由合作方或网友上传,本站不对文档的完整性、权威性及其观点立场正确性做任何保证或承诺!文档内容仅供研究参考,付费前请自行鉴别。
3、如文档内容存在违规,或者侵犯商业秘密、侵犯著作权等,请点击“违规举报”。

碎片内容

底基层首件工程施工方案

确认删除?
VIP
微信客服
  • 扫码咨询
会员Q群
  • 会员专属群点击这里加入QQ群
客服邮箱
回到顶部