电脑桌面
添加小米粒文库到电脑桌面
安装后可以在桌面快捷访问

废水池施工方案VIP免费

废水池施工方案_第1页
1/12
废水池施工方案_第2页
2/12
废水池施工方案_第3页
3/12
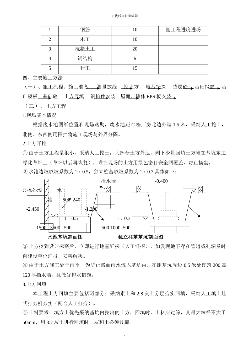
下载后可任意编辑一、编制依据1.富士康精密组件(北京)公司手机厂二期栋厂房加建工程建筑和结构施工图纸。2.工程招标文件及招标文件问题答疑。3.我公司《质量手册》、《环境管理手册》等有关文件。4.现场实际踏勘情况。5.国家现行法律规范、规程及验评标准(所执行法律规范主要目录如下):名 称编 号建筑工程施工质量验收统一标准GB50300-2001混凝土结构工程施工质量验收法律规范GB50204-2024混凝土质量控制标准GB50164-92钢筋混凝土用热轧带肋钢筋GB1499-1998预拌混凝土GB14902-2024砌体工程施工质量验收法律规范GB50203-2024屋面工程质量验收法律规范GB50207-2024建筑地面工程施工质量验收法律规范GB50209-2024钢结构工程施工质量验收法律规范GB50205-2001混凝土泵送施工技术规程JGJ/T10-95钢结构防火涂料应用技术规程CECS24-90建筑钢结构焊接技术规程JCJ81-2024钢结构制作安装施工法律规范YB9254-95建筑工程资料管理规程DBJ01-51-2024混凝土强度检验评定标准GBJ107-87建筑施工安全检查评分标准JGJ59-99建筑施工场界噪声限值GB12523-90地下防水工程质量验收法律规范GB50208-2024二、工程概况1 总体简介:序号项目内 容1工程名称富士康精密组件(北京)有限公司手机厂二期 C 栋厂房加建工程—新增废水池2工程地址北京经济技术开发区富士康北京手机厂二期 C 栋厂房3建设单位富士康精密组件(北京)有限公司4设计单位北京市建筑设计讨论院深圳院2 建筑设计概况:序号项 目内 容1建筑功能废水池(容量 45 吨)1下载后可任意编辑2建筑面积(m2)126.5m 23建筑层数1 层4建筑高度(m)室内外高差0.20檐 高5.05建筑保温屋 面100mm 厚 EPS 板,5%的坡度外墙体100mm 厚 EPS 板6结构形式主体结构形式钢结构基础结构形式水池:筏板基础 柱:独立柱基础7建筑物地基持力层设计地耐力 fa=120Kpa8混凝土强度等级基础垫层 C10,其它部位 C25,水池筏板、剪力墙抗渗等级 S89 基底标高水池:-2.35 米,独立柱基:-1.1 米10基础尺寸水池尺寸:3.5×10.4 米,厚度 250,外墙:250,内墙:200;独立柱基:1×1 米,厚度:0.3 米11钢筋规格二级钢:φ18、φ16、φ12、φ10,一级钢:φ812基础墙(mm)180 厚砖墙三、施工准备1.技术准备工程开工图纸到齐后,立即组织工程技术人员,熟悉施工图纸,踏勘现场,进一步弄清废水池与原建筑物的位置关系,并进行定位放线。2.材料安排① 根据图纸要求,编制出钢筋、模板、砼、钢结构等材料的加...

1、当您付费下载文档后,您只拥有了使用权限,并不意味着购买了版权,文档只能用于自身使用,不得用于其他商业用途(如 [转卖]进行直接盈利或[编辑后售卖]进行间接盈利)。
2、本站所有内容均由合作方或网友上传,本站不对文档的完整性、权威性及其观点立场正确性做任何保证或承诺!文档内容仅供研究参考,付费前请自行鉴别。
3、如文档内容存在违规,或者侵犯商业秘密、侵犯著作权等,请点击“违规举报”。

碎片内容

废水池施工方案

确认删除?
VIP
微信客服
  • 扫码咨询
会员Q群
  • 会员专属群点击这里加入QQ群
客服邮箱
回到顶部