电脑桌面
添加小米粒文库到电脑桌面
安装后可以在桌面快捷访问

建筑施工10项安全检查评分汇总表--------------表3VIP免费

建筑施工10项安全检查评分汇总表--------------表3_第1页
1/21
建筑施工10项安全检查评分汇总表--------------表3_第2页
2/21
建筑施工10项安全检查评分汇总表--------------表3_第3页
3/21
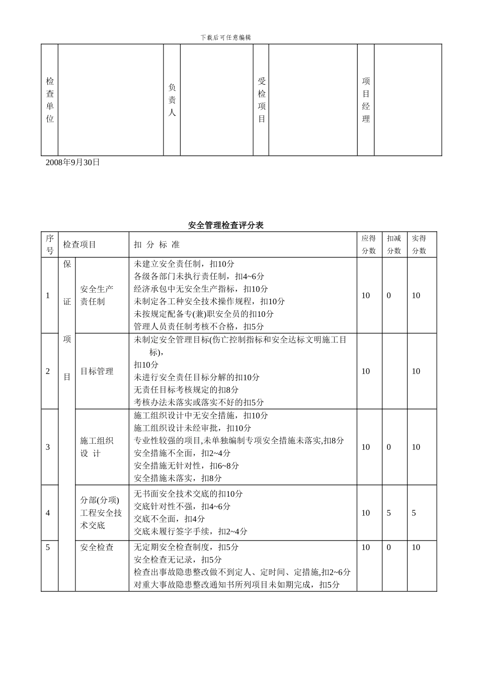
下载后可任意编辑建筑施工安全检查评分汇总表 企业名称:河北建设集团有限公司 经济类型: 资质等级:特级单位工程施工现场名称建筑面积结构类型总计得分满分分值分项 目 名 称 及 分 值安全管理(满分分值为10分)文明施工(满分分值为20分)脚手架(满分分值为10分)基坑支护工程(满分分值为10分)“三宝”“四口”防护(满分分值为10分)施工用电(满分分值为10分)物料提升机与外用电梯(满分分值为10分)塔吊(满分分值为10分)模板(满分分值为5分)施工机具(满分分值为5分)河北省通信管理局综合业务楼 10466平方米框架90.45分9.1分16.2分10分10分9分9.4分10分10分5分4.75分评语:下载后可任意编辑检查单位负责人受检项目项目经理2008年9月30日安全管理检查评分表序号检查项目扣 分 标 准应得分数扣减分数实得分数1保证项目安全生产责任制未建立安全责任制,扣10分各级各部门未执行责任制,扣4~6分经济承包中无安全生产指标,扣10分未制定各工种安全技术操作规程,扣10分未按规定配备专(兼)职安全员的扣10分管理人员责任制考核不合格,扣5分100102目标管理未制定安全管理目标(伤亡控制指标和安全达标文明施工目标),扣10分未进行安全责任目标分解的扣10分无责任目标考核规定的扣8分考核办法未落实或落实不好的扣5分10103施工组织设 计施工组织设计中无安全措施,扣10分施工组织设计未经审批,扣10分专业性较强的项目,未单独编制专项安全措施未落实,扣8分安全措施不全面,扣2~4分安全措施无针对性,扣6~8分安全措施未落实,扣8分100104分部(分项)工程安全技术交底无书面安全技术交底的扣10分交底针对性不强,扣4~6分交底不全面,扣4分交底未履行签字手续,扣2~4分10555安全检查无定期安全检查制度,扣5分安全检查无记录,扣5分检查出事故隐患整改做不到定人、定时间、定措施,扣2~6分对重大事故隐患整改通知书所列项目未如期完成,扣5分10010下载后可任意编辑6安全教育无安全教育制度,扣10分新入场工人未进行三级安全教育,扣10分无具体安全教育内容,扣6~8分变换工种时未进行安全教育,扣10分每有一人不懂本工种安全技术操作规程,扣2分施工管理人员未按规定进行年度培训的,扣5分专职安全员未按规定进行年度培训考核或考核不合格,扣5分10010小 计605557一般项目班前安全活动未建立班前安全活动制度,扣10分班前安全活动无记录,扣2分100108特别作业持证上岗有一人未经培训从事特种作业,扣4分有一人未持操作证上岗,扣2分100109工伤事故工伤事...

1、当您付费下载文档后,您只拥有了使用权限,并不意味着购买了版权,文档只能用于自身使用,不得用于其他商业用途(如 [转卖]进行直接盈利或[编辑后售卖]进行间接盈利)。
2、本站所有内容均由合作方或网友上传,本站不对文档的完整性、权威性及其观点立场正确性做任何保证或承诺!文档内容仅供研究参考,付费前请自行鉴别。
3、如文档内容存在违规,或者侵犯商业秘密、侵犯著作权等,请点击“违规举报”。

碎片内容

建筑施工10项安全检查评分汇总表--------------表3

您可能关注的文档

确认删除?
VIP
微信客服
  • 扫码咨询
会员Q群
  • 会员专属群点击这里加入QQ群
客服邮箱
回到顶部