电脑桌面
添加小米粒文库到电脑桌面
安装后可以在桌面快捷访问

建筑类施工组织设计毕业论文VIP免费

建筑类施工组织设计毕业论文_第1页
1/33
建筑类施工组织设计毕业论文_第2页
2/33
建筑类施工组织设计毕业论文_第3页
3/33
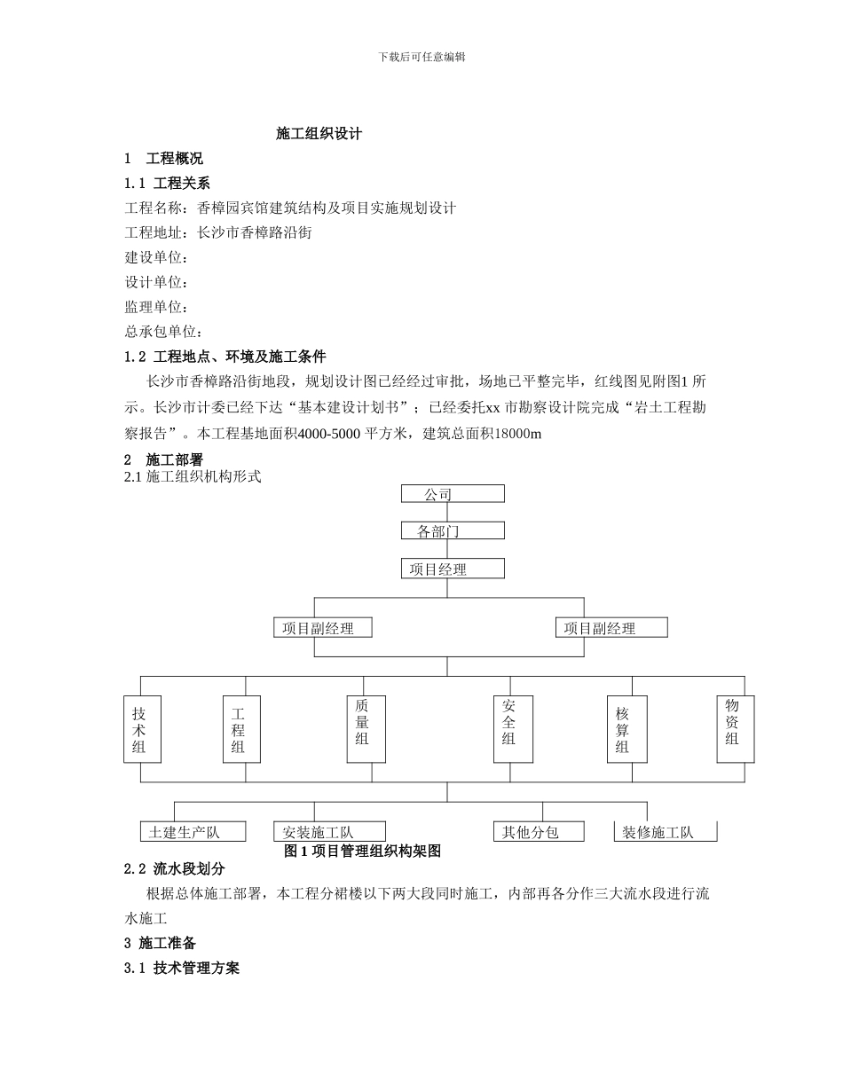
下载后可任意编辑毕业设计施工组织设计学 院: 土木建筑与力学学院 专业年级: 04 级土木工程 学生姓名: 学 号: 设计题目: 宾馆设计 起 迄 日 期: 2024.4---2024. 6 指 导 教 师: 教研室负责人: 日期: 2024 年 06 月 25 日施工组织设计1 工程概况...............................................12 施工部署.、、...........................................23 施工准备..............................................54 土方工程..............................................55 钢筋工程..............................................6下载后可任意编辑6 模板方案..............................................87 混凝土工程...........................................158 脚手架方案...........................................159 防水工程.............................................1610 冬期施工方案.........................................1611 雨期施工方案.、、......................................1612 梁柱节点混凝土的施工措施............................1713 施工技术管理.........................................1714 工程质量目标及质量保证体系..........................2115 文明安全施工场地管理....................................25下载后可任意编辑施工组织设计1 工程概况1.1 工程关系工程名称:香樟园宾馆建筑结构及项目实施规划设计工程地址:长沙市香樟路沿街建设单位:设计单位:监理单位:总承包单位:1.2 工程地点、环境及施工条件长沙市香樟路沿街地段,规划设计图已经经过...

1、当您付费下载文档后,您只拥有了使用权限,并不意味着购买了版权,文档只能用于自身使用,不得用于其他商业用途(如 [转卖]进行直接盈利或[编辑后售卖]进行间接盈利)。
2、本站所有内容均由合作方或网友上传,本站不对文档的完整性、权威性及其观点立场正确性做任何保证或承诺!文档内容仅供研究参考,付费前请自行鉴别。
3、如文档内容存在违规,或者侵犯商业秘密、侵犯著作权等,请点击“违规举报”。

碎片内容

建筑类施工组织设计毕业论文

确认删除?
VIP
微信客服
  • 扫码咨询
会员Q群
  • 会员专属群点击这里加入QQ群
客服邮箱
回到顶部