电脑桌面
添加小米粒文库到电脑桌面
安装后可以在桌面快捷访问

建设工程质量和施工安全监督执法检查记录表VIP免费

建设工程质量和施工安全监督执法检查记录表_第1页
1/19
建设工程质量和施工安全监督执法检查记录表_第2页
2/19
建设工程质量和施工安全监督执法检查记录表_第3页
3/19
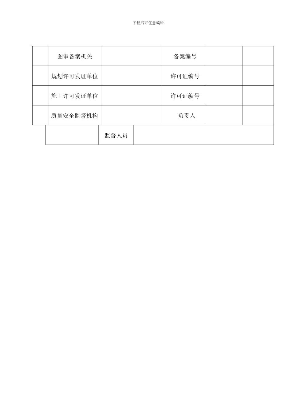
下载后可任意编辑建设工程质量和施工安全监督执法检查记录表(一) 受 检 工 程 概 况 表工程所在地: 市(州) 工程名称工程地点开工日期计划竣工日期建设规模㎡/ 万元形象进度结构类型建筑层数(地上/地下)工程类别工程等级各 方 责 任 主 体 和 机 构各方单 位 名 称资 质项目负责人资质证号建设单位勘察单位设计单位施工单位监理单位检 测 机 构图纸审查机构合格证书编号下载后可任意编辑图审备案机关备案编号规划许可发证单位许可证编号施工许可发证单位许可证编号质量安全监督机构负责人监督人员下载后可任意编辑(二)工程建设各方责任主体和有关机构质量行为检查表工程所在地: 市(州) 工程名称: 序号检 查 项 目检 查 情 况评 价存在的主要问题1建设单位为房地产企业开发企业开发资质符合有关规定开发资质不符合有关规定□符合□不符合2施工前办理质量监督手续情况按规定办理未按规定办理□符合□不符合3施工前办理施工图设计文件审查情况按规定办理未按规定办理□符合□不符合4办理施工许可(开工报告)情况按规定办理未按规定办理□符合□不符合5委托监理情况按规定委托未按规定委托□符合□不符合6组织施工图会审、设计交底、设计变更工作情况组织图纸会审、设计交底、设计变更工作仅组织图纸会审,设计交底未组织未组织图纸会审、设计交底、设计变更工作□符合□基本符合□不符合7原 设 计 有 重 大 修改、变动的,施工按要求重新报审未重新报审□符合□不符合下载后可任意编辑图设计文件重新报审情况8勘察单位单位资质、人员资格单位资质、人员资格符合相应要求单位资质、人员资格不符合相应要求□符合□不符合9参加地基验槽情况参加了地基验槽、基础验收未参加地基验槽、基础验收□符合□不符合10设计单位单位资质、人员资格、专业人员配备情况单位资质、人员资格符合相应要求,专业人员配备齐全单位资质、人员资格不符合相应要求,专业人员配备不齐全□符合□不符合11参加地基验槽、基础、主体结构及有关重要部位工程质量验收的情况均参加了地基验槽、基础、主体结构及有关重要部位工程质量的验收参加了地基验槽、基础或主体结构的验收、参加了地基验槽、基础、主体结构的验收□符合□基本符合□不符合12签发设计变更单、技术核定单情况均签发了设计变更单、技术核定单签发了设计变更单没有签发□符合□基本符合□不符合13参加有关工程质量问题的处理情况参加有关工程质量问题的处理未...

1、当您付费下载文档后,您只拥有了使用权限,并不意味着购买了版权,文档只能用于自身使用,不得用于其他商业用途(如 [转卖]进行直接盈利或[编辑后售卖]进行间接盈利)。
2、本站所有内容均由合作方或网友上传,本站不对文档的完整性、权威性及其观点立场正确性做任何保证或承诺!文档内容仅供研究参考,付费前请自行鉴别。
3、如文档内容存在违规,或者侵犯商业秘密、侵犯著作权等,请点击“违规举报”。

碎片内容

建设工程质量和施工安全监督执法检查记录表

您可能关注的文档

确认删除?
VIP
微信客服
  • 扫码咨询
会员Q群
  • 会员专属群点击这里加入QQ群
客服邮箱
回到顶部