电脑桌面
添加小米粒文库到电脑桌面
安装后可以在桌面快捷访问

成套整装锅炉施工工艺VIP免费

成套整装锅炉施工工艺_第1页
1/16
成套整装锅炉施工工艺_第2页
2/16
成套整装锅炉施工工艺_第3页
3/16
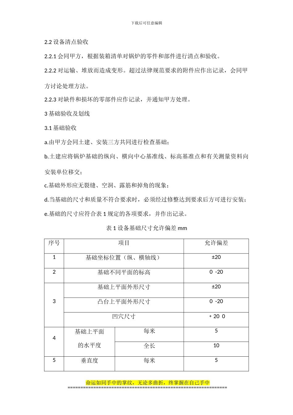
下载后可任意编辑成套整装锅炉施工工艺1、工艺流程方程图2、施工准备2.1 技术谁备a.施工图纸和技术文件应齐全.锅炉本体图应具有安全监察机构审批标记;b.施工人员认真熟悉图纸和技术文件、了解设计意图和质量要求;c 根据施工现场需要编制机具使用计划;d.根据工程进度的要求编制施工进度计划;e.编制施工预算、施工方案,并根据预算做好备料准备工作;f.做好班组技术交底、安全措施交底工作。命运如同手中的掌纹,无论多曲折,终掌握在自己手中==============================================================施工准备基础验收及划线锅炉本体就位安装平台、扶梯、栏杆安装本体管道、阀门及仪表安装锅炉本体水压试验省煤器安装除尘器安装引风机安装烟道和烟囱安装螺旋出渣机安装炉排传动装置安装烘炉、煮炉和严密性测试鼓风机及泵安装下载后可任意编辑2.2 设备清点验收2.2.1 会同甲方,根据装箱清单对锅炉的零件和部件进行清点和验收。2.2.2 对运输、堆放而造成变形。超过法律规范要求的附件应作出记录,会同甲方讨论处理方法。2.2.3 对缺件和损坏的零部件应作记录,并通知甲方处理。3 基础验收及划线3.1 基础验收a.由甲方会同土建、安装三方共同进行检查基础;b.土建应将锅炉基础的纵向、横向中心基准线、标高基准点和有关测量资料向安装单位移交;c.基础外形应无裂缝、空洞、露筋和掉角的现象;d.当基础的尺寸和质量不符合要求时,必须经过修整达到要求后方可进行安装;e.基础的尺寸应符合表 1 规定的各项要求,并作出记录。表 1 设备基础尺寸允许偏差 mm序号项目允许偏差1基础坐标位置(纵、横轴线)±202基础不同平面的标高0 -203基础上平面外形尺寸±20凸台上平面外形尺寸0 -20凹穴尺寸﹢20 04基础上平面的水平度每米5全长105垂直度每米5命运如同手中的掌纹,无论多曲折,终掌握在自己手中==============================================================下载后可任意编辑全长106预埋地脚螺栓标高(顶端)﹢20 0中心距(根和顶两处测量)±27预埋地脚螺栓孔中心位置10深度﹢20 0孔壁铅垂度103.2 划线根据锅炉房平面布置图和锅炉基础图划出以下几条安装基准线。a.锅炉纵向中心线;b.锅炉炉排前轴中心线;c.液压传动装置的纵向中心线和横向中心线;d.省煤器纵向中心线和横向中心线e.引风机和除尘器的纵向中心线和横向中心线f.按土建基准标高线引出基础四周必须安装的标高线;锅炉房设备中心线尺寸均以锅炉本体中心线为基...

1、当您付费下载文档后,您只拥有了使用权限,并不意味着购买了版权,文档只能用于自身使用,不得用于其他商业用途(如 [转卖]进行直接盈利或[编辑后售卖]进行间接盈利)。
2、本站所有内容均由合作方或网友上传,本站不对文档的完整性、权威性及其观点立场正确性做任何保证或承诺!文档内容仅供研究参考,付费前请自行鉴别。
3、如文档内容存在违规,或者侵犯商业秘密、侵犯著作权等,请点击“违规举报”。

碎片内容

成套整装锅炉施工工艺

您可能关注的文档

确认删除?
VIP
微信客服
  • 扫码咨询
会员Q群
  • 会员专属群点击这里加入QQ群
客服邮箱
回到顶部