电脑桌面
添加小米粒文库到电脑桌面
安装后可以在桌面快捷访问

房建三标安全施工组织设计1VIP免费

房建三标安全施工组织设计1_第1页
1/22
房建三标安全施工组织设计1_第2页
2/22
房建三标安全施工组织设计1_第3页
3/22
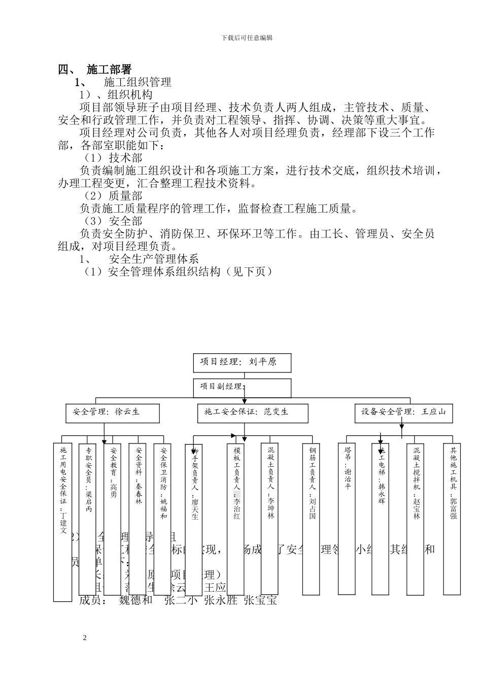
下载后可任意编辑附件:施工组织设计---安全组织设计 王庄堡至繁峙高速公路房建工程 FJ3 标段 安全组织设计 山西创世建设工程有限公司 王城高速公路房建工程项目部 2024 年 6 月 1 日 0下载后可任意编辑 安全施工组织设计一、 编制说明为了使本项目建筑施工的现场管理更加法律规范化、科学化,提高安全生产、文明施工的水平,以期获得最好的经济效益,结合工程情况和对现场认真勘察的基础上,以科学的态度,编写了本施工组织设计。 本安全施工组织设计为本工程安全施工的纲领性文件,用于指导本工程的安全施工与管理,确保各项安全管理目标的实现,体现“安全第一,预防为主”的指导思想。二、 编制依据1、党和国家及有关部门、地方政府公布的劳动保护、安全生产法律法令、法规和各项标准法律规范等。2、在安全生产、劳动卫生检查中所发现而尚未解决的问题。3、针对造成伤亡事故和职业病的主要原因应实行的措施。4、经济进展、施工(生产)设备及操作方法的改变所应实行的保护措施。5、对革新项目和职工提出的合理化建议,所应实行的措施6、《施工现场临时用电安全技术规程》7、《建筑施工高处作业安全技术规程》8、《建筑施工门式钢管脚手架安全技术规程》三、工程概况(一)、基本状况:王庄堡至繁峙高速公路,路线起点设于大同市浑源县王庄堡镇,与拟建的繁峙至大营高速公路的起点相接。王庄堡至繁峙高速公路路线全长 58.657公里,全线设 1 处服务区,为繁峙服务区。(二)、主要技术指标:繁峙服务区。(三)、气候、水文条件线路区域年平均气温在 6.3℃,1 月最冷,平均气温在-10℃左右,7 月最热,平均气温在 23.5℃左右,最大冰冻深度 1.42 米,降雨集中在 6—8 月份,平均降雨量在 400mm 左右。(四)、主要工程量:1、服务楼 2 幢(南、北区各 1 幢),建筑面积 2476.9m2×2,二层框架结构,建筑高度 9.9m;2、附楼 1 幢(北区),建筑面积 349.2 m2,一层砖混结构,建筑高度5.25m;3、机修用房 2 幢(南、北区各 1 幢),建筑面积 144.88 m2×2,一层框架结构,建筑高度 4.5m;4、加油站 2 幢(南、北区各 1 幢),房屋建筑面积 95.88 m2×2,罩棚投影面积 721.35 m2×2,一层砖混结构,建筑高度 8.55m;5、总图及构筑物面积 5387 m2。 (五)、建设总工期:2024 年 6 月 10 日—2024 年 10 月 30 日,计日历工期 143 天。1下载后可任意编辑四、 施工部署1、施工...

1、当您付费下载文档后,您只拥有了使用权限,并不意味着购买了版权,文档只能用于自身使用,不得用于其他商业用途(如 [转卖]进行直接盈利或[编辑后售卖]进行间接盈利)。
2、本站所有内容均由合作方或网友上传,本站不对文档的完整性、权威性及其观点立场正确性做任何保证或承诺!文档内容仅供研究参考,付费前请自行鉴别。
3、如文档内容存在违规,或者侵犯商业秘密、侵犯著作权等,请点击“违规举报”。

碎片内容

房建三标安全施工组织设计1

确认删除?
VIP
微信客服
  • 扫码咨询
会员Q群
  • 会员专属群点击这里加入QQ群
客服邮箱
回到顶部