电脑桌面
添加小米粒文库到电脑桌面
安装后可以在桌面快捷访问

控制施工扬尘、噪音专项方案VIP免费

控制施工扬尘、噪音专项方案_第1页
1/9
控制施工扬尘、噪音专项方案_第2页
2/9
控制施工扬尘、噪音专项方案_第3页
3/9
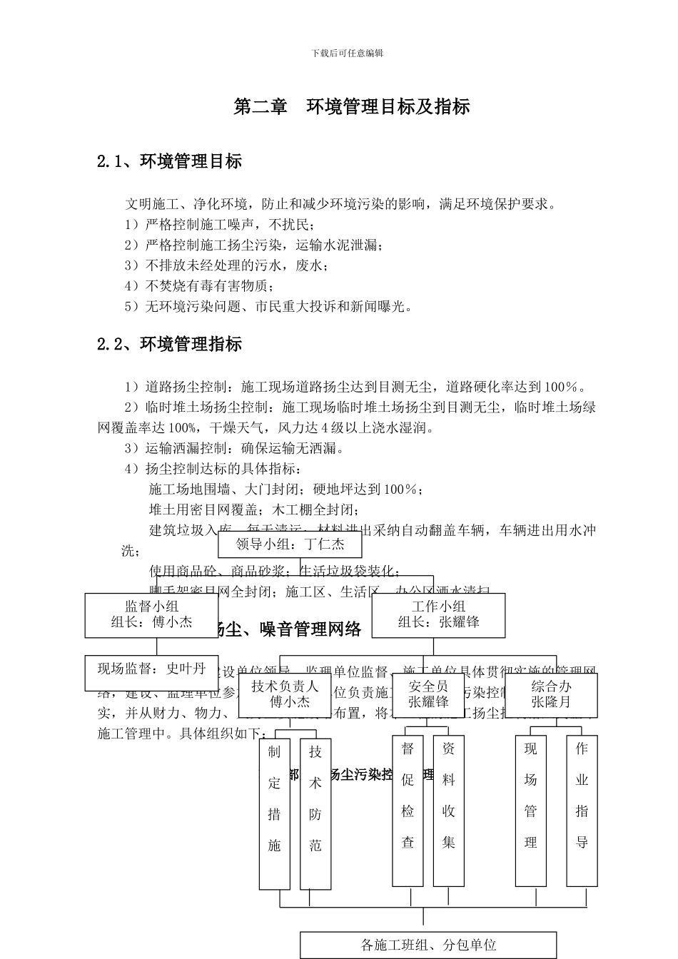
下载后可任意编辑目 录第一章 工程概况................................................................................................................21.1、地理位置..................................................................................................................21.2、工程概况..................................................................................................................21.3、参建单位..................................................................................................................21.4、方案编制依据..........................................................................................................2第二章 环境管理目标及指标............................................................................................42.1、环境管理目标..........................................................................................................42.2、环境管理指标..........................................................................................................42.3、控制施工扬尘、噪音管理网络..............................................................................4第三章 责任制考核............................................................................................................6第四章 施工扬尘、噪音的控制点....................................................................................6第五章 控制施工扬尘、噪音的措施................................................................................75.1、管理控制..................................................................................................................75.2、控制施工扬尘、噪音措施....................................................................................10下载后可任意编辑第一章 工程概况1.1、地理位置本工程位于广东省高要市金渡镇冲口村金渡电排站侧,前面是西江,后面是鱼塘,周边环境良好。1.2、工程概况本工程内容包括进水泵房、旋流沉砂池、一体化反应池、高效沉淀池、紫外消毒池及巴氏计量槽、储泥池、综合生产用房、门卫及中控室...

1、当您付费下载文档后,您只拥有了使用权限,并不意味着购买了版权,文档只能用于自身使用,不得用于其他商业用途(如 [转卖]进行直接盈利或[编辑后售卖]进行间接盈利)。
2、本站所有内容均由合作方或网友上传,本站不对文档的完整性、权威性及其观点立场正确性做任何保证或承诺!文档内容仅供研究参考,付费前请自行鉴别。
3、如文档内容存在违规,或者侵犯商业秘密、侵犯著作权等,请点击“违规举报”。

碎片内容

控制施工扬尘、噪音专项方案

您可能关注的文档

确认删除?
VIP
微信客服
  • 扫码咨询
会员Q群
  • 会员专属群点击这里加入QQ群
客服邮箱
回到顶部