电脑桌面
添加小米粒文库到电脑桌面
安装后可以在桌面快捷访问

通信机房设备安装、布线施工风险识别、防尘措施及安全保证别方案VIP免费

通信机房设备安装、布线施工风险识别、防尘措施及安全保证别方案_第1页
1/20
通信机房设备安装、布线施工风险识别、防尘措施及安全保证别方案_第2页
2/20
通信机房设备安装、布线施工风险识别、防尘措施及安全保证别方案_第3页
3/20
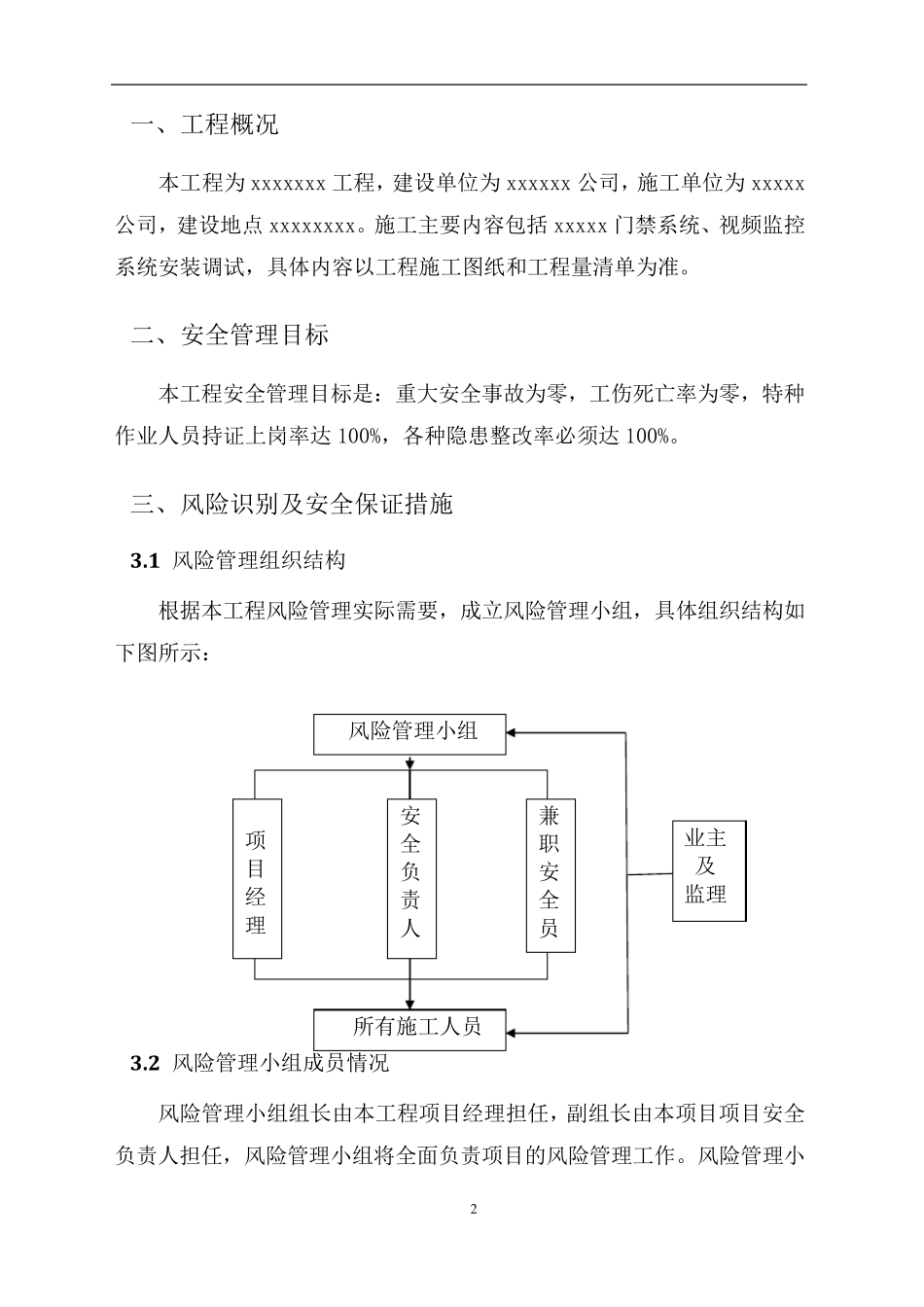
X X X X X X X 通信机房楼 通信改造工程 风险辨识及安全保证方案 编制人: xxxx 审核人: xxxx 审批人: xxxx 施工单位: xxxxxxxxx 公司 1 目 录 一、工程概况 ............................................................................................ 2 二、安全管理目标 .................................................................................... 2 三、风险识别及安全保证措施 ................................................................ 2 3 .1 风险管理组织结构 ..................................................................... 2 3 .2 风险管理小组成员情况 ............................................................. 2 3 .3 风险责任制 ................................................................................. 3 3 .4 风险识别 ...................................................................................... 4 3 .5 施工风险及控制措施 .................................................................. 8 3 .6 风险消减管理及对策 ................................................................ 1 1 四、应急预案及措施 ............................................................................... 1 1 4 .1 目的 ............................................................................................. 1 1 4 .2 适用范围 .................................................................................... 1 2 4 .3 应急反应的原则 ........................................................................ 1 2 4 .4 组织机构图 ................................................................................ 1 2 4 .5 组成人员 .................................................................................... 1 3 4 .6 职责 ............................................................................................ 1 3 4 .7 事故应急措施 ............................................................................ 1 4 4 .8 通信机房楼施工安全防护措施 .......................

1、当您付费下载文档后,您只拥有了使用权限,并不意味着购买了版权,文档只能用于自身使用,不得用于其他商业用途(如 [转卖]进行直接盈利或[编辑后售卖]进行间接盈利)。
2、本站所有内容均由合作方或网友上传,本站不对文档的完整性、权威性及其观点立场正确性做任何保证或承诺!文档内容仅供研究参考,付费前请自行鉴别。
3、如文档内容存在违规,或者侵犯商业秘密、侵犯著作权等,请点击“违规举报”。

碎片内容

通信机房设备安装、布线施工风险识别、防尘措施及安全保证别方案

您可能关注的文档

确认删除?
VIP
微信客服
  • 扫码咨询
会员Q群
  • 会员专属群点击这里加入QQ群
客服邮箱
回到顶部