电脑桌面
添加小米粒文库到电脑桌面
安装后可以在桌面快捷访问

钢筋混凝土施工工艺VIP专享VIP免费

钢筋混凝土施工工艺_第1页
1/11
钢筋混凝土施工工艺_第2页
2/11
钢筋混凝土施工工艺_第3页
3/11
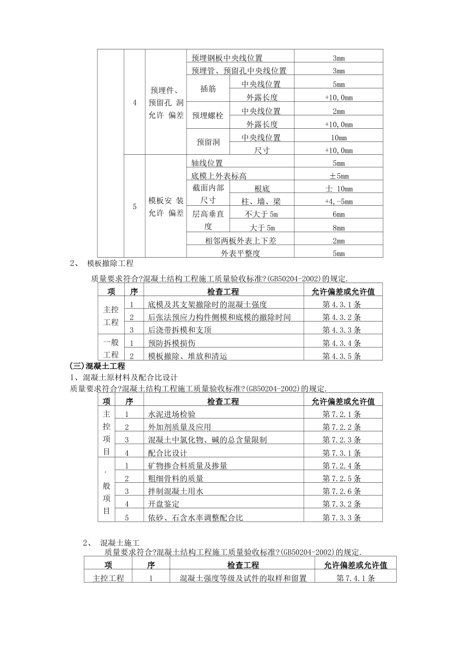
施工准备〔一〕作业条件1、地基土质情况,钎探、地基处理、根底轴线尺寸、基底标高情况等均经过勘 察、设计、监理单位验收,并办理完隐检手续.2、完成基槽验线,办完验收手续.3、地下降水工作完成,具备施工条件.4、根据设计及标准要求进行,校核混凝土配合比,做完混凝土配合比试配.原 材料的复试、台秤经校准、检定合格,准备好混凝土试模.〔二〕材质要求1、水泥:水泥品种、强度等级应根据设计要求确定.质量符合现行水泥标准. 工期紧时可做水泥快测.2、砂、石子:根据结构尺寸、钢筋密度、混凝土工程施工工艺、混凝土强度等 级的要求确定石子粒径、砂子细度.砂、石质量符合现行标准.3、水:自来水或不含有害物质的洁净水.4、外加剂:根据施工组织设计要求,确定是否采用外加剂.外加剂必须经试验 合格后,方可在工程上使用.5、掺合料:根据施工组织设计要求,确定是否采用掺合料,质量符合现行标准.6、钢筋:钢筋的级别、规格必须符合设计要求,质量符合现行标准.钢筋外表 应保持清洁,无锈蚀和油污,必要时做化学分析.7、隔离剂:水性隔离剂、甲基硅树酯.〔三〕施工器具1、混凝土机具:磅秤、混凝土搅拌机、插入式振捣器、平尖头铁锹、胶皮管、 手推车、布料杆、3m 杠尺、木抹子、塑料布等.2、钢筋机具:调直机、弯曲机、切断机、钢筋钩子、扳手、无齿锯、钢筋连接 机具、电焊机、撬棍等.3、模板机具:铁、木榔头、水平尺、手锯、钢卷尺、拖线板、气泵、吸尘器、 手提电锯等.二、质量要求〔一〕钢筋工程1、 钢筋原材料及钢筋加工工程质量要求符合?混凝土结构工程施工质量验收标准?〔GB50204-2002〕的规定.项序检查工程允许偏差或允许值主 控 项 目1力学性能检验第 5.2.1 条2抗震用钢筋强度实 测值第 5.2.2 条3化学成分等专项检 验第 5.2.3 条4受力钢筋的弯钩和 弯折第 5.3.1 条5箍筋弯钩形式第 5.3.1 条.1外观质量第 5.2.4 条般 项 目2钢筋调直第 5.3.3 条3钢筋加工的形状、 尺寸士 10mm±20mm±5mm2、 钢筋安装工程质量要求符合?混凝土结构工程施工质量验收标准?(GB50204-2002)的规定.项序检查工程允许偏差或允许值主控 工程1纵向受力钢筋的连接方式第 5.4.1 条2机械连接和焊接接头的力学性能第 5.4.2 条3受力钢筋的品种、级别和数量第 5.5.1 条一般 工程1接头位置和数量第 5.4.3 条2机械连接、焊接的外观质量第 5.4.4 条3机械连接、焊接的接头面积百分率第 5.4.5 条4绑扎搭接接头面积百分率和搭接长度第...

1、当您付费下载文档后,您只拥有了使用权限,并不意味着购买了版权,文档只能用于自身使用,不得用于其他商业用途(如 [转卖]进行直接盈利或[编辑后售卖]进行间接盈利)。
2、本站所有内容均由合作方或网友上传,本站不对文档的完整性、权威性及其观点立场正确性做任何保证或承诺!文档内容仅供研究参考,付费前请自行鉴别。
3、如文档内容存在违规,或者侵犯商业秘密、侵犯著作权等,请点击“违规举报”。

碎片内容

钢筋混凝土施工工艺

确认删除?
VIP
微信客服
  • 扫码咨询
会员Q群
  • 会员专属群点击这里加入QQ群
客服邮箱
回到顶部