电脑桌面
添加小米粒文库到电脑桌面
安装后可以在桌面快捷访问

道路平面设计成果VIP免费

道路平面设计成果_第1页
1/6
道路平面设计成果_第2页
2/6
道路平面设计成果_第3页
3/6
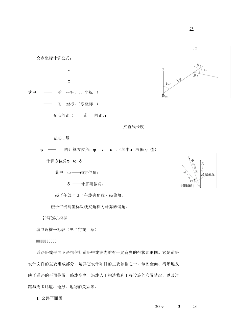
71 2009 3 23 3.7 道路平面设计成果 3.7.1 路线平面设计主要任务 (1)确定平面位置与线形:交点位置(里程桩号、间距、偏角或坐标) (2)确定平曲线半径及缓和曲线长度(参数A ) (3)平面线形设计:线形要素的组合 (4)路线里程桩号计算及逐桩坐标计算 (5)平面视距的确定与保证 3.7.2 平面设计应提交的成果 (1)设计图:路线平面设计图;道路平面布置图 (2)设计表:直线、曲线及转角表;逐桩坐标表;路线固定表;总里程及断链桩表等。 (一)直线、曲线及转角表 直线、曲线及转角表是道路设计的主要成果之一,它是通过测角、中线丈量和平曲线设计之后获得的。该表较为全面地反映了路线的平面位置和路线平面线形的各项技术指标, 它含有绘制路线平面设计图的基础数据和基本资料, 同时也为路线的纵断面设计、横断面设计和其它构造物设计提供数据。 (二)逐桩坐标表 高等级公路的线形指标高,表面在平面上是圆曲线半径较大,缓和曲线较长,在测设和放样时采用坐标法,方能保证其测量精度。所以计算一份“逐桩坐标表”是十分必要的。 1. 坐标系统的采用 根据测区内原坐标系统,一般可作下列几种选择: 第 10 讲:2 学时 7 2 2 0 0 9 3 2 3 (1)采用统一的高斯正投影3°带平面直角坐标系统; (2)采用高斯正投影3°带或任意带平面直角坐标系统,投影面可采用1985年国家高程基准、测区抵偿高程面或测区平均高程面; (3)三级和三级以下公路、独立桥梁、隧道及其它构造物等小测区,可不经投影,采用平面直角坐标系统在平面上直接进行计算; (4)在已有平面控制网的地区,应尽量沿用原有的坐标系统,如精度不合要求,也应充分利用其点位,选用其中一点的坐标及含此点的方位角,作为平面控制的起算依据。 2. 中桩坐标的计算 (1)计算导线点坐标 采用两阶段勘测设计的公路或一阶段设计但遇地形困难的路段,一般都要先作平面控制测量,而路线的平面控制测量多采用导线测量的方法,在有条件时可优先采用全球定位系统(简称 GPS)测量的方法。导线测量的方法,又有经纬仪导线法,光电测距仪法和全站型电子速测仪法。其中全站仪可以直接读取导线点的坐标,其它方法可以在测得各边边长及其夹角后,用坐标增量法逐点推算其坐标。用GPS定位技术观测,则可在测站之间不通视的情况下,高精度、高效率地获得测点的三维坐标,这是今后公路勘测中作控制测量的发展方向。 (2)计算交点坐标 当导线点的精度满足要求...

1、当您付费下载文档后,您只拥有了使用权限,并不意味着购买了版权,文档只能用于自身使用,不得用于其他商业用途(如 [转卖]进行直接盈利或[编辑后售卖]进行间接盈利)。
2、本站所有内容均由合作方或网友上传,本站不对文档的完整性、权威性及其观点立场正确性做任何保证或承诺!文档内容仅供研究参考,付费前请自行鉴别。
3、如文档内容存在违规,或者侵犯商业秘密、侵犯著作权等,请点击“违规举报”。

碎片内容

道路平面设计成果

小辰9+ 关注
实名认证
内容提供者

出售各种资料和文档

相关文档

确认删除?
VIP
微信客服
  • 扫码咨询
会员Q群
  • 会员专属群点击这里加入QQ群
客服邮箱
回到顶部