电脑桌面
添加小米粒文库到电脑桌面
安装后可以在桌面快捷访问

木材材积表大全最全木材材积表汇编完整VIP免费

木材材积表大全最全木材材积表汇编完整_第1页
1/50
木材材积表大全最全木材材积表汇编完整_第2页
2/50
木材材积表大全最全木材材积表汇编完整_第3页
3/50
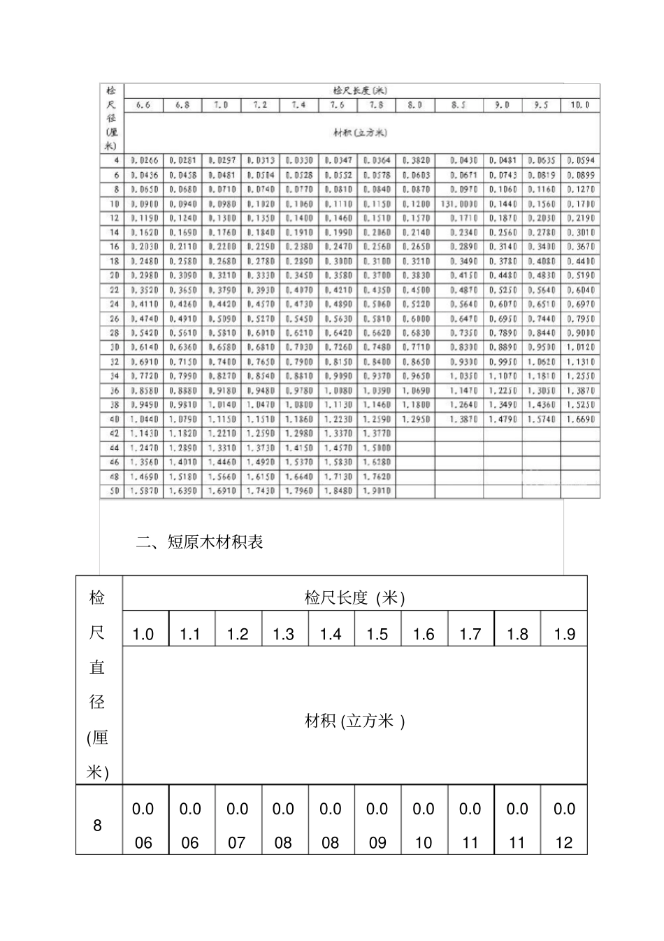
木材材积表大全最全木材材积表汇编(可以直接使用,可编辑优秀版资料,欢迎下载)木材材积表大全最全木材材积表收藏点击: 549 时间: 2014-03-29 来源:土巴兔装修网分享到更多为便于查对材积,除将原木检尺长带0.52m编在一起外,还编制了专业用木材材积表 ,对表的编排形式也做了一些改进,即由原来4 个径级编成1 个组合,组合与组合之间的经极材积采用给体字相间,改为现在的经积不分组合,双厘米数惊悸的材积采用加灰底的排列方法,这样将单厘米经纪和双厘米经纪的材积明显地区别开来。本文为大家介绍常用木材材积表 和短原木材积表。一、常用木材材积表(GB4814-84)二、短原木材积表检尺直径(厘米)检尺长度 (米)1.01.11.21.31.41.51.61.71.81.9材积 (立方米 )80.0060.0060.0070.0080.0080.0090.0100.0110.0110.012100.0090.0100.0110.0120.0130.0140.0150.0160.0170.018120.0130.0140.0150.0170.0180.0200.0210.0220.0240.025140.0170.0190.0200.0220.0240.0260.0280.0300.0320.034160.0220.0240.0260.0290.0310.0340.0360.0480.0410.044180.0270.0300.0330.0360.0390.0420.0450.0390.0510.055200.0340.0370.0410.0440.0480.0520.0550.0590.0630.067220.0410.0450.0490.0530.0580.0620.0670.0710.0760.080240.0480.0530.0580.0630.0680.0740.0790.0840.0890.095260.0560.0620.0680.0740.0800.0860.0920.0980.1040.110280.0650.0720.0790.0850.0920.0990.1060.1130.1200.127300.0740.0820.0900.0980.1060.1130.1210.1290.1370.146320.0850.0930.1020.1110.1200.1290.1380.1470.1560.165340.0950.1050.1150.1250.1350.1450.1550.1650.1750.186360.1070.1180.1290.1400.1510.1620.1730.1850.1960.208380.1190.1310.1430.1550.1680.1800.1930.2050.2180.231400.1310.1450.1580.1720.1860.1990.2130.2270.2410.255本标准适用于所有树种的原木材积计算1、 检尺径自 4~12 厘米的小径原木材积由公式 V=0.7854L(D+0.45L+0.2)2÷10000 确定。2、 检尺径自 14 厘米以上的原木材积由公式 V=0.7854L[D+0.5L+0.005L2+0.000125L(14-L)2×(D-10)]2 ÷10000确定。两式中:V--- 材积,立方米 ;L--- 检尺长,米 ;D--- 检尺径,厘米。三、木材材积表查定方法(1) 单根的或不满10 根的原木、原条、特等锯材和普通锯材的材积累计数,可直接从本手册中分别查得。(2) 根数为 10 根、 20 根、 30 根⋯⋯的整十位数的原木、原条、特等...

1、当您付费下载文档后,您只拥有了使用权限,并不意味着购买了版权,文档只能用于自身使用,不得用于其他商业用途(如 [转卖]进行直接盈利或[编辑后售卖]进行间接盈利)。
2、本站所有内容均由合作方或网友上传,本站不对文档的完整性、权威性及其观点立场正确性做任何保证或承诺!文档内容仅供研究参考,付费前请自行鉴别。
3、如文档内容存在违规,或者侵犯商业秘密、侵犯著作权等,请点击“违规举报”。

碎片内容

木材材积表大全最全木材材积表汇编完整

您可能关注的文档

确认删除?
VIP
微信客服
  • 扫码咨询
会员Q群
  • 会员专属群点击这里加入QQ群
客服邮箱
回到顶部