电脑桌面
添加小米粒文库到电脑桌面
安装后可以在桌面快捷访问

机房标准工程验收标准及方法VIP免费

机房标准工程验收标准及方法_第1页
1/37
机房标准工程验收标准及方法_第2页
2/37
机房标准工程验收标准及方法_第3页
3/37
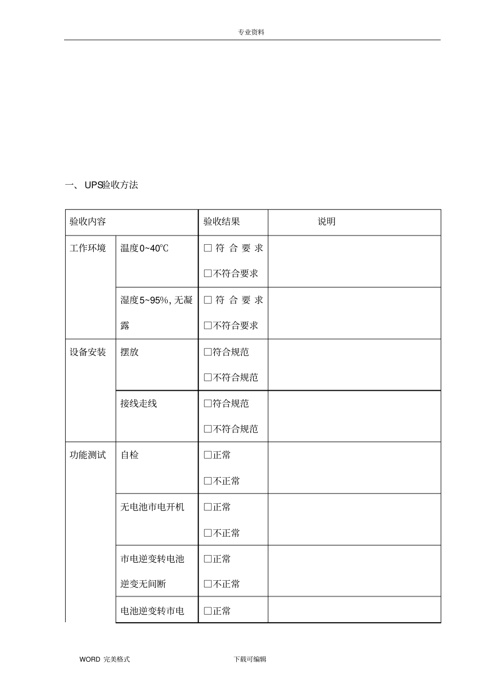
专业资料WORD 完美格式下载可编辑机房项目验收方法工程名称:建设单位:施工单位:监理单位:设计单位:验收日期:验收人员:专业资料WORD 完美格式下载可编辑验收依据:国标:电子计算机机房设计规范(GB50174-93)国标:计算站场地技术条件(GB2887-89)公安部:计算机信息系统实体安全技术要求(GA371-2001)建筑内部装修设计防火规范(GB50222-95)建筑设计防火规范( GBJ16-87)低压配电装置及线路设计规范(GBJ54-83)民用建筑电气设计规范(JGJ/T16-9F210)电气装置安装工程接地装置施工及验收规范(GB50169-92)火灾自动报警系统设计规范(GB 50116-98)民用闭路监控电视系统工程技术规范(GB50198-94)采暖通风与空气调节设计规范(GBJ19-87)建筑物防雷系统规范( GB50057-94)工业企业采光设计标准(GB5033-91) 所选设备及所选材料的有关资料。现行的建筑装饰行业有关规定、条例、法规。专业资料WORD 完美格式下载可编辑一、 UPS验收方法验收内容验收结果说明工作环境温度0~40℃□ 符 合 要 求□不符合要求湿度5~95%,无凝露□ 符 合 要 求□不符合要求设备安装摆放□符合规范□不符合规范接线走线□符合规范□不符合规范功能测试自检□正常□不正常无电池市电开机□正常□不正常市电逆变转电池逆变无间断□正常□不正常电池逆变转市电□正常专业资料WORD 完美格式下载可编辑逆变□不正常转维修旁路供电□正常□不正常市电逆变关机□正常□不正常电池逆变关机□正常□不正常性能测试输出电压:□正常□不正常输出频率:□正常□不正常资料移交(含品牌、型号对比)□ 资 料 齐 全□资料不完整现场培训□ 完 成 培 训□未培训附件:UPS现场验收测试1、自检标准 :UPS一般都有故障自检功能,可以检查出主要故障,并报警。测试方法 :先模拟一故障(如不接电池),给UPS接入交流电,并合上市电开关,系统将进入自检状态,自检完成后,会报警该故障。专业资料WORD 完美格式下载可编辑2、无电池市电开机标准 :UPS应该能在无电池情况,由市电逆变工作。测试方法 :断开电池,接入市电,合上市电开关,(这时若报电池故障可暂不理会)按“开机”键,稍后 UPS指示灯由“市电”、“旁路”指示灯亮,转为“市电”、“逆变”指示灯亮。这时测量的输出电压、频率应该是稳定的,波形是正弦波。3、市电逆变转电池逆变无间断标准 :正常情况下, UPS由市电逆变给负载供电,若这时电池正常,市电停电,应该由电池...

1、当您付费下载文档后,您只拥有了使用权限,并不意味着购买了版权,文档只能用于自身使用,不得用于其他商业用途(如 [转卖]进行直接盈利或[编辑后售卖]进行间接盈利)。
2、本站所有内容均由合作方或网友上传,本站不对文档的完整性、权威性及其观点立场正确性做任何保证或承诺!文档内容仅供研究参考,付费前请自行鉴别。
3、如文档内容存在违规,或者侵犯商业秘密、侵犯著作权等,请点击“违规举报”。

碎片内容

机房标准工程验收标准及方法

您可能关注的文档

确认删除?
VIP
微信客服
  • 扫码咨询
会员Q群
  • 会员专属群点击这里加入QQ群
客服邮箱
回到顶部