电脑桌面
添加小米粒文库到电脑桌面
安装后可以在桌面快捷访问

方庄电气改造建筑电气工程施工方案-secretVIP免费

方庄电气改造建筑电气工程施工方案-secret_第1页
1/11
方庄电气改造建筑电气工程施工方案-secret_第2页
2/11
方庄电气改造建筑电气工程施工方案-secret_第3页
3/11
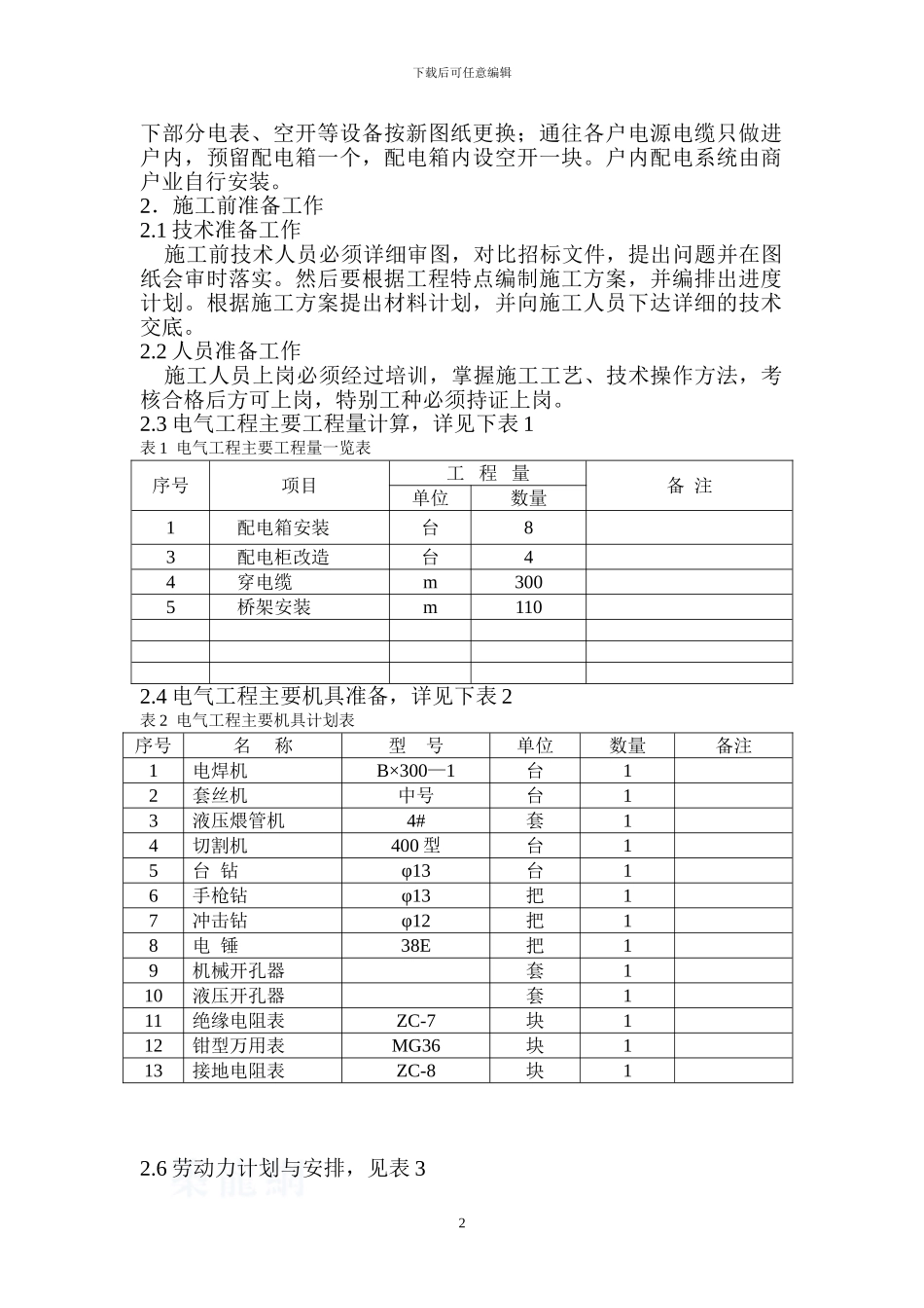
下载后可任意编辑紫芳园 3#商业楼电气设备改造工程施工方案邯郸市鹏泰建筑安装工程有限公司2013-4-11 日电气改造工程施工方案1.电气工程概况1.1 电气工程主要有低压变配电系统、动力配电系统、照明系统。1.2 本楼地下配电室现有原有 4 台配电柜,配电柜上口电源为 1 条YJV4*150+ 1*120 和 YJV4*240+1* 185 电缆供给。1.3 本楼商业共计 11 户,因原设计电缆不能满足用电需要,现重新设计对配电电源进行更换。1.4 本工程主要内容包括:配电室 4 台配电柜总开关不动,总开关以1下载后可任意编辑下部分电表、空开等设备按新图纸更换;通往各户电源电缆只做进户内,预留配电箱一个,配电箱内设空开一块。户内配电系统由商户业自行安装。2.施工前准备工作2.1 技术准备工作 施工前技术人员必须详细审图,对比招标文件,提出问题并在图纸会审时落实。然后要根据工程特点编制施工方案,并编排出进度计划。根据施工方案提出材料计划,并向施工人员下达详细的技术交底。2.2 人员准备工作 施工人员上岗必须经过培训,掌握施工工艺、技术操作方法,考核合格后方可上岗,特别工种必须持证上岗。2.3 电气工程主要工程量计算,详见下表 1表 1 电气工程主要工程量一览表序号项目工 程 量备 注单位数量1配电箱安装台83配电柜改造台44穿电缆m3005桥架安装m1102.4 电气工程主要机具准备,详见下表 2表 2 电气工程主要机具计划表序号名 称型 号单位数量备注1电焊机B×300—1台12套丝机中号台13液压煨管机4#套14切割机400 型台15台 钻φ13台16手枪钻φ13把17冲击钻φ12把18电 锤38E把19机械开孔器套110液压开孔器套111绝缘电阻表ZC-7块112钳型万用表MG36块113接地电阻表ZC-8块12.6 劳动力计划与安排,见表 32下载后可任意编辑表 3 电气工程劳动力计划表序 号工 种数 量备 注 1熟练电工22一般电工23焊 工14普 工2总 计73.电气工程主要施工方法及质量要求3.1 管路敷设分项、检验批工程施工方法及质量要求3.1.1 首先要求在配合结构预埋中,施工人员必须仔细熟悉图纸,严格按设计要求的管路规格、型号及敷设方式进行施工。3.1.2 根据设计图纸要求及年月日图纸会审记录关于管路的连接、防腐、弯扁度、弯曲半径、跨接地线、保护层、管盒固定、标高、管口处理等要求详见技术交底记录。在施工中应仔细加强看护,保证管路畅通,及时做好自检、互检、隐检、预检工作,并及时报验监理,保证施工符合实际和法律规范要求。 3...

1、当您付费下载文档后,您只拥有了使用权限,并不意味着购买了版权,文档只能用于自身使用,不得用于其他商业用途(如 [转卖]进行直接盈利或[编辑后售卖]进行间接盈利)。
2、本站所有内容均由合作方或网友上传,本站不对文档的完整性、权威性及其观点立场正确性做任何保证或承诺!文档内容仅供研究参考,付费前请自行鉴别。
3、如文档内容存在违规,或者侵犯商业秘密、侵犯著作权等,请点击“违规举报”。

碎片内容

方庄电气改造建筑电气工程施工方案-secret

确认删除?
VIP
微信客服
  • 扫码咨询
会员Q群
  • 会员专属群点击这里加入QQ群
客服邮箱
回到顶部