电脑桌面
添加小米粒文库到电脑桌面
安装后可以在桌面快捷访问

方案四、钢结构施工方案VIP免费

方案四、钢结构施工方案_第1页
1/11
方案四、钢结构施工方案_第2页
2/11
方案四、钢结构施工方案_第3页
3/11
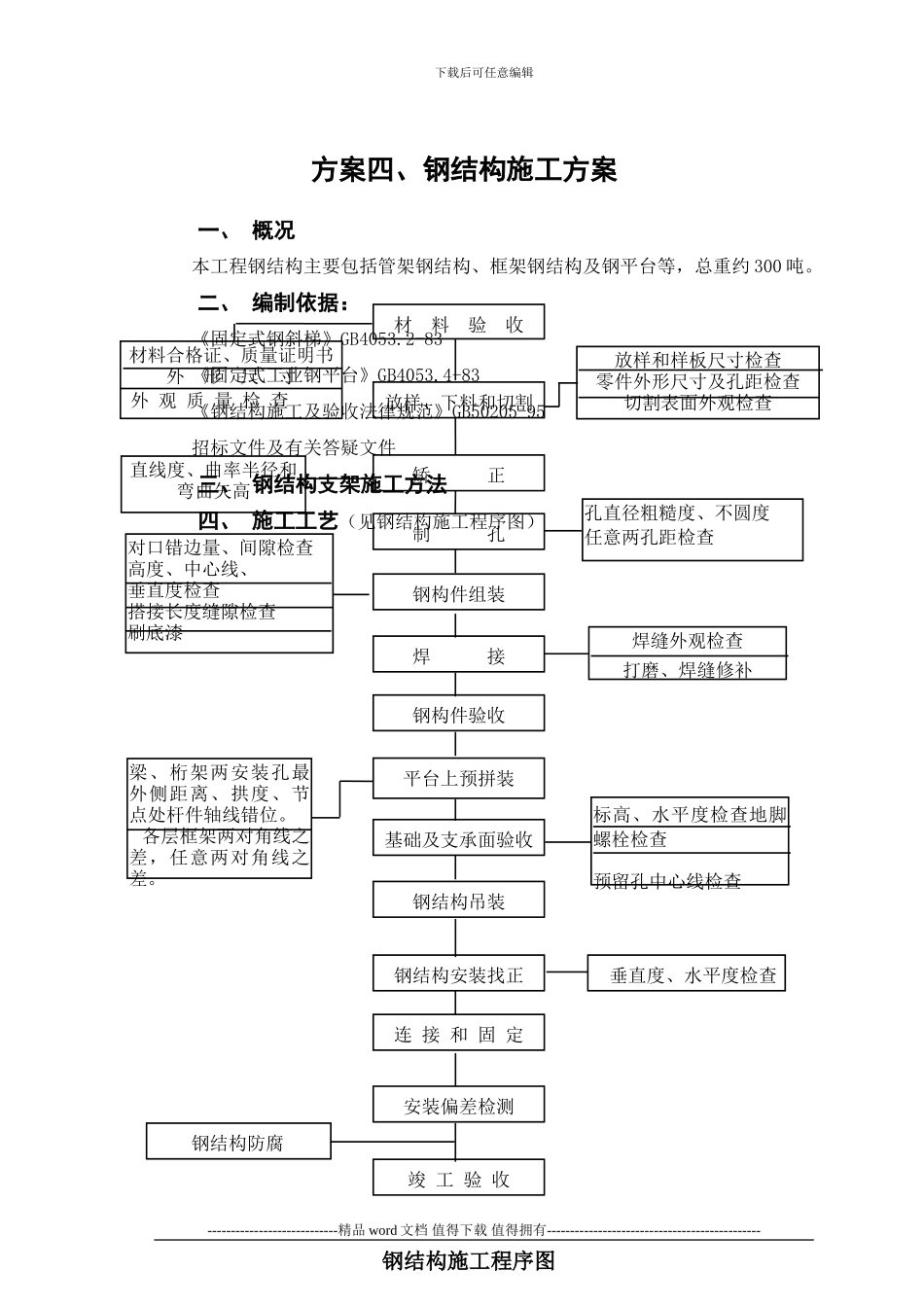
下载后可任意编辑方案四、钢结构施工方案一、 概况本工程钢结构主要包括管架钢结构、框架钢结构及钢平台等,总重约 300 吨。二、 编制依据:《固定式钢斜梯》GB4053.2-83《固定式工业钢平台》GB4053.4-83《钢结构施工及验收法律规范》GB50205-95招标文件及有关答疑文件三、 钢结构支架施工方法四、 施工工艺(见钢结构施工程序图)----------------------------精品 word 文档 值得下载 值得拥有----------------------------------------------材料合格证、质量证明书外 形 尺 寸外 观 质 量 检 查 对口错边量、间隙检查高度、中心线、垂直度检查搭接长度缝隙检查 刷底漆直线度、曲率半径和弯曲矢高材 料 验 收放样、下料和切割矫 正制 孔钢构件组装焊 接钢构件验收平台上预拼装基础及支承面验收钢结构吊装 钢结构防腐竣 工 验 收梁、桁架两安装孔最外侧距离、拱度、节点处杆件轴线错位。 各层框架两对角线之差,任意两对角线之差。放样和样板尺寸检查零件外形尺寸及孔距检查切割表面外观检查孔直径粗糙度、不圆度任意两孔距检查焊缝外观检查打磨、焊缝修补标高、水平度检查地脚螺栓检查预留孔中心线检查钢结构安装找正连 接 和 固 定安装偏差检测 垂直度、水平度检查钢结构施工程序图下载后可任意编辑----------------------------精品 word 文档 值得下载 值得拥有----------------------------------------------下载后可任意编辑1. 主要技术要求1.1. 对材料的要求1) 钢结构材料均采纳 Q235F 制作,焊条采纳 E4313,手工电弧焊。2) 所有钢材应有质量证明书,并符合设计要求,钢材应验收检查,表面不得有锈蚀、磨点、划痕等缺陷。1.2. 对放样、下料、切割、矫正的要求1) 钢结构制作应严格根据图纸法律规范要求施工。2) 放样前应熟悉图纸,如对施工图有疑问的地方应和有关技术部门联系解决。3) 在施工过程中如有设计变更和材料代用的情况出现,应和有关部门联系取得一致意见,并要及时办理技术签证。4) 放样和下料应根据工艺要求,考虑吊放焊接和切割余量,材料下料用半自动切割机切割,切割后零件宽度长度允许不大于±3mm,切割面平面度允差不大于 2mm,局部缺口深度允差不大于 1mm。5) 钢材如需要火焰矫正,加热温度不得超过 900℃,且矫正后表面不应有明显的凹面及损伤划痕深度不得大于 0.5mm。1.3. 对钢结构拼装的要求拼装过程中应保证制成构件的实际尺寸,允差不得超过下...

1、当您付费下载文档后,您只拥有了使用权限,并不意味着购买了版权,文档只能用于自身使用,不得用于其他商业用途(如 [转卖]进行直接盈利或[编辑后售卖]进行间接盈利)。
2、本站所有内容均由合作方或网友上传,本站不对文档的完整性、权威性及其观点立场正确性做任何保证或承诺!文档内容仅供研究参考,付费前请自行鉴别。
3、如文档内容存在违规,或者侵犯商业秘密、侵犯著作权等,请点击“违规举报”。

碎片内容

方案四、钢结构施工方案

确认删除?
VIP
微信客服
  • 扫码咨询
会员Q群
  • 会员专属群点击这里加入QQ群
客服邮箱
回到顶部