电脑桌面
添加小米粒文库到电脑桌面
安装后可以在桌面快捷访问

施工、监理公共节能检查表VIP专享VIP免费

施工、监理公共节能检查表_第1页
1/4
施工、监理公共节能检查表_第2页
2/4
施工、监理公共节能检查表_第3页
3/4
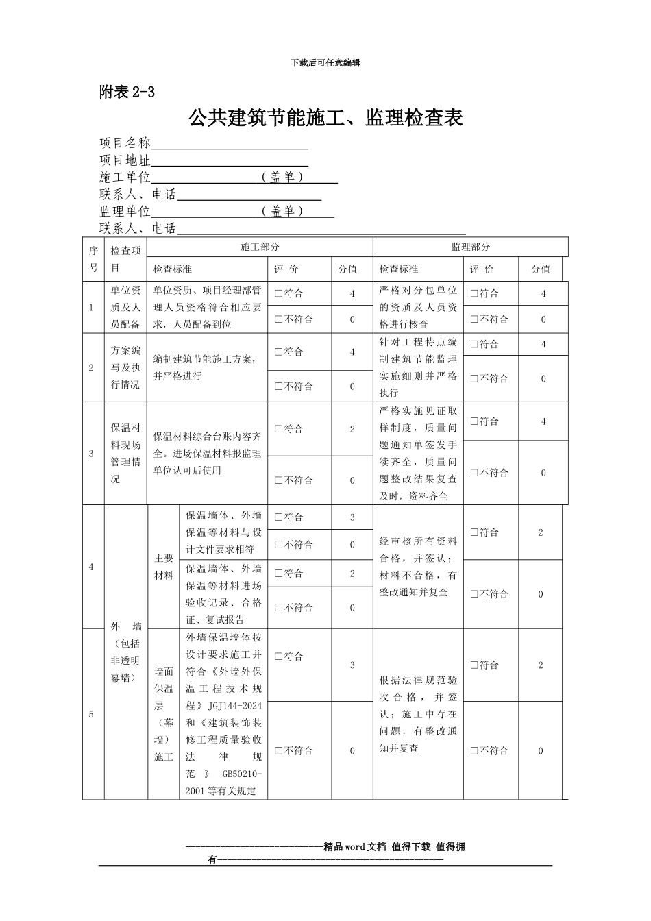
下载后可任意编辑附表 2-3公共建筑节能施工、监理检查表项目名称 项目地址 施工单位 (盖单) 联系人、电话 监理单位 (盖单) 联系人、电话 序号检查项目施工部分监理部分检查标准评 价分值检查标准评 价分值1单位资质及人员配备单位资质、项目经理部管理人员资格符合相应要求,人员配备到位□符合4严 格 对 分 包 单 位的 资 质 及 人 员 资格进行核查□符合4□不符合0□不符合02方案编写及执行情况编制建筑节能施工方案,并严格进行□符合4针 对 工 程 特 点 编制 建 筑 节 能 监 理实 施 细 则 并 严 格执行□符合4□不符合0□不符合03保温材料现场管理情况保温材料综合台账内容齐全。进场保温材料报监理单位认可后使用□符合2严 格 实 施 见 证 取样 制 度 , 质 量 问题 通 知 单 签 发 手续 齐 全 , 质 量 问题 整 改 结 果 复 查及时,资料齐全□符合4□不符合0□不符合04外墙(包括非透明幕墙)主要材料保温墙体、外墙保温等材料与设计文件要求相符□符合3经 审 核 所 有 资 料合 格 , 并 签 认 ;材 料 不 合 格 , 有整改通知并复查□符合2□不符合0保温墙体、外墙保温等材料进场验收记录、合格证、复试报告□符合2□不符合0□不符合05墙面保温层(幕墙)施工外墙保温墙体按设计要求施工并符合《外墙外保温 工 程 技 术 规程》JGJ144-2024和《建筑装饰装修工程质量验收法律规范》GB50210-2001 等有关规定□符合3根 据 法 律 规 范 验收 合 格 , 并 签认 ; 施 工 中 存 在问 题 , 有 整 改 通知并复查□符合2□不符合0□不符合0----------------------------精品 word 文档 值得下载 值得拥有----------------------------------------------下载后可任意编辑6基层、界面、抹面层等施工外墙的基层、界面、抹面层、增强层、保护层做法按设计要求施工并符合《外墙外保温工程技术规 程 》 JGJ144-2024 等有关规定□符合2根 据 法 律 规 范 验收 合 格 , 并 签认 ; 施 工 中 存 在问 题 , 有 整 改 通知并复查□符合2□不符合0□不符合07细部结点雨水管卡具、女儿墙、分格缝、变形缝、挑出梁或板的保温细部做法根据设计要求 施 工 并 符 合《外墙外保温工程技术规程》JGJ144-2024等有关规定□符合2根 据 法 律 规 范 验收 合 格 , 并 签认 ; 有 整 ...

1、当您付费下载文档后,您只拥有了使用权限,并不意味着购买了版权,文档只能用于自身使用,不得用于其他商业用途(如 [转卖]进行直接盈利或[编辑后售卖]进行间接盈利)。
2、本站所有内容均由合作方或网友上传,本站不对文档的完整性、权威性及其观点立场正确性做任何保证或承诺!文档内容仅供研究参考,付费前请自行鉴别。
3、如文档内容存在违规,或者侵犯商业秘密、侵犯著作权等,请点击“违规举报”。

碎片内容

施工、监理公共节能检查表

确认删除?
VIP
微信客服
  • 扫码咨询
会员Q群
  • 会员专属群点击这里加入QQ群
客服邮箱
回到顶部