电脑桌面
添加小米粒文库到电脑桌面
安装后可以在桌面快捷访问

施工中突发事件、紧急情况处理总体应急预案VIP免费

施工中突发事件、紧急情况处理总体应急预案_第1页
1/11
施工中突发事件、紧急情况处理总体应急预案_第2页
2/11
施工中突发事件、紧急情况处理总体应急预案_第3页
3/11
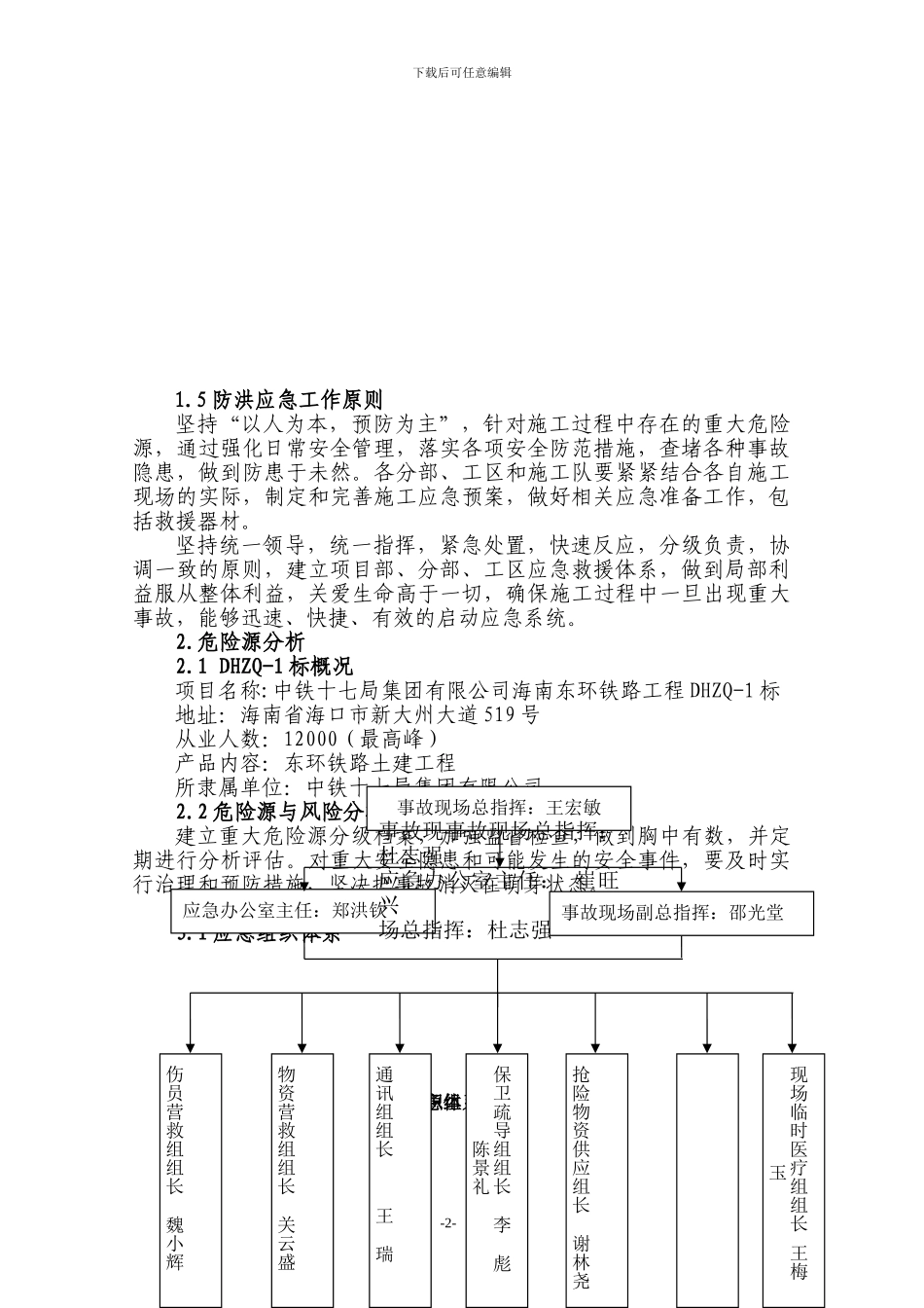
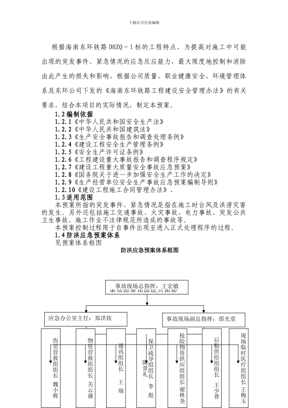
施工中突发事件、紧急情况处理总体应急预案编制: 审核: 批准: 中铁十七局集团有限公司海南东环铁路工程DHZQ-1 标项目经理部二 0 一一年三月施工中突发事件、紧急情况处理总体应急预案1.总则1.1 编制目的下载后可任意编辑根据海南东环铁路 DHZQ-1 标的工程特点,为提高对施工中可能出现的突发事件、紧急情况的应急反应能力,最大限度地控制和消除由此产生的损失和影响,根据公司质量、职业健康安全、环境管理体系及东环公司下发的《海南东环铁路工程建设安全管理办法》的有关要求,结合本项目的实际情况,制定本预案。1.2 编制依据1.2.1《中华人民共和国安全生产法》1.2.2《中华人民共和国建筑法》1.2.3《生产安全事故报告和调查处理条例》1.2.4《建设工程安全生产管理条例》1.2.5《安全生产许可证条例》1.2.6《工程建设重大事故报告和调查程序规定》1.2.7《建设工程重大质量安全事故应急预案》1.2.8《国务院关于进一步加强安全生产工作的决定》1.2.9《生产经营单位安全生产事故应急预案编制导则》1.2.10《建设工程施工合同管理办法》、1.3 适用范围本预案所指的突发事件、紧急情况是指在施工时台风及洪涝灾害的发生。另外还包括施工交通事故、火灾事故、电力事故、突发公共卫生事故、施工作业不法律规范所造成的事故等。本预案控制过程限于自事件出现至进入正式处理程序的过程。1.4 防洪应急预案体系见预案体系框图防洪应急预案体系框图-1-事故现场副总指挥:邵光堂应急办公室主任:郑洪钦事故现场总指挥:王宏敏事故现事故现场总指挥:物资营救组组长 关云盛 通讯组组长 王 瑞后勤供给组组长 王少普伤员营救组组长 魏小辉 保卫疏导组组长 李 彪陈景礼现场临时医疗组组长 王梅玉抢险物资供应组组长 谢林尧下载后可任意编辑1.5 防洪应急工作原则坚持“以人为本,预防为主”,针对施工过程中存在的重大危险源,通过强化日常安全管理,落实各项安全防范措施,查堵各种事故隐患,做到防患于未然。各分部、工区和施工队要紧紧结合各自施工现场的实际,制定和完善施工应急预案,做好相关应急准备工作,包括救援器材。坚持统一领导,统一指挥,紧急处置,快速反应,分级负责,协调一致的原则,建立项目部、分部、工区应急救援体系,做到局部利益服从整体利益,关爱生命高于一切,确保施工过程中一旦出现重大事故,能够迅速、快捷、有效的启动应急系统。2.危险源分析2.1 DHZQ-1 标概况项目名称:中铁十七局集团有限公司海南东...

1、当您付费下载文档后,您只拥有了使用权限,并不意味着购买了版权,文档只能用于自身使用,不得用于其他商业用途(如 [转卖]进行直接盈利或[编辑后售卖]进行间接盈利)。
2、本站所有内容均由合作方或网友上传,本站不对文档的完整性、权威性及其观点立场正确性做任何保证或承诺!文档内容仅供研究参考,付费前请自行鉴别。
3、如文档内容存在违规,或者侵犯商业秘密、侵犯著作权等,请点击“违规举报”。

碎片内容

施工中突发事件、紧急情况处理总体应急预案

您可能关注的文档

确认删除?
VIP
微信客服
  • 扫码咨询
会员Q群
  • 会员专属群点击这里加入QQ群
客服邮箱
回到顶部