电脑桌面
添加小米粒文库到电脑桌面
安装后可以在桌面快捷访问

施工企业现场安全检查事故隐患整改通知单VIP专享VIP免费

施工企业现场安全检查事故隐患整改通知单_第1页
1/2
施工企业现场安全检查事故隐患整改通知单_第2页
2/2
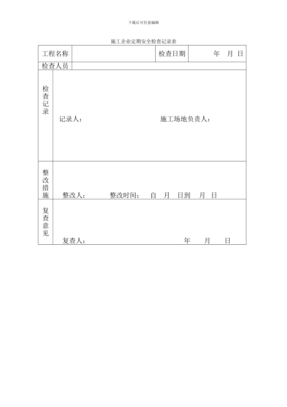
下载后可任意编辑施 工 企 业 现 场 安 全 检 查 事 故 隐 患 整 改 通 知 单编号:检 查日 期年 月 日工 程 名称检 查人 员签 名检 查 部 位 、 项 目 名 称姓 名部 门职 务( 职对 事故 隐患 实行“ 三定 ”的 整改 方案事 故 隐 患整 改 措 施整 改 期 限整 改 人1234567事 故隐 患整 改情 况复 查记 录1复 查 意 见整 改 责 任人23复 查 责 任人45安 全 生 产责 任 人67年 月 日复查时间 年 月 日下载后可任意编辑施工企业定期安全检查记录表工程名称检查日期年 月 日检查人员检查记录记录人: 施工场地负责人:整改措施整改人: 整改时间: 自 月 日到 月 日复查意见复查人: 年 月 日

1、当您付费下载文档后,您只拥有了使用权限,并不意味着购买了版权,文档只能用于自身使用,不得用于其他商业用途(如 [转卖]进行直接盈利或[编辑后售卖]进行间接盈利)。
2、本站所有内容均由合作方或网友上传,本站不对文档的完整性、权威性及其观点立场正确性做任何保证或承诺!文档内容仅供研究参考,付费前请自行鉴别。
3、如文档内容存在违规,或者侵犯商业秘密、侵犯著作权等,请点击“违规举报”。

碎片内容

施工企业现场安全检查事故隐患整改通知单

文旅传媒+ 关注
实名认证
内容提供者

传播文化,成就未来

确认删除?
VIP
微信客服
  • 扫码咨询
会员Q群
  • 会员专属群点击这里加入QQ群
客服邮箱
回到顶部