电脑桌面
添加小米粒文库到电脑桌面
安装后可以在桌面快捷访问

施工作业安全措施管控表3VIP免费

施工作业安全措施管控表3_第1页
1/3
施工作业安全措施管控表3_第2页
2/3
施工作业安全措施管控表3_第3页
3/3
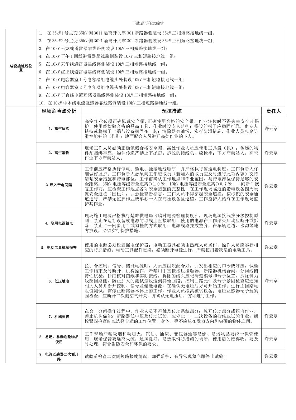
下载后可任意编辑楚雄市供电有限公司施工作业安全措施管控表工程项目名称35kV 子午变电站设备预试定检工作工作地点35kV 子午变电站 35kV 1 号、2 号主变间隔,10kV 电容器室,10kV 母线、2 号站用变、云龙线、子午 I 回线、东华线、红卫线、子宜线、中本线、备用线间隔。计划工作时间2024 年 03 月 30 日 11:00 至 2024 年 04 月 02 日 18:00工作内容1.35kV1 号主变 10kV 侧 001 断路器,35kV2 号主变 10kV 侧 002 断路器, 10kV 母线及母线 TV、10kV2 号站用变、10kV 信号发生源、10kV1 号电容器组 045 断路器、1 号电容器组、10kV2 号电容器组 046 断路器、2 号电容器组、10kV 云龙线 041 断路器、10kV 子午 I 回线 042 断路器、10kV 东华线 043 断路器、10kV 红卫线 044 断路器、10kV 子宜线 047 断路器、10kV 中本线048 断路器,10kV 母线侧0901、0016、0026、0011、0021、0411、0421、0431、0441、0451、0461、0471、0902、0001、0481 隔离开关关,10kV 避雷器、电压互感器、跌落式熔断器、高压电缆、绝缘油预防性试验; 2.0902 隔离开关与 10kV 母线连接;3.10kV 备用间隔 0491隔离开关与母线连接;4.断路器保护装置试验;5.直流系统检查试验;6.防腐处理。施工单位及工作负责人施工单位:楚雄市供电有限公司输变电管理所 工作负责人: 许云章(13987075935)工作中实行的安全措施1.断开 35kV1 号主变 35kV 侧 301 断路器,断开二次控制电源和储能电源空气开关,拉开 1 号主变 35kV 母线侧 3011 隔离开关;2.断开 35kV1 号主变 10kV 侧 001 断路器,断开二次控制电源和储能电源空气开关,拉开 1 号主变 10kV 侧 0016、0011 隔离开关;3.断开 35kV2 号主变 35kV 侧 302 断路器,断开二次控制电源和储能电源空气开关,拉开 2 号主变 35kV 母线侧 3021 隔离开关;4.断开 35kV2 号主变 10kV 侧 002 断路器,断开二次控制电源和储能电源空气开关,拉开 2 号主变 10kV 侧 0021、0026 隔离开关;5.断开 10kV 母线电压互感器低压侧空气开关,拉开 0901、0902 隔离开关;6.断开 10kV 云龙线 041 断路器,断开二次控制电源和储能电源空气开关,拉开 10kV 云龙线 0411 隔离开关,拉开 10kV 云龙线 1 号杆 F0411 隔离开关;7.断开 10kV 子午Ⅰ回线 042 断路器,断开二次控制电源和储能电源空气开...

1、当您付费下载文档后,您只拥有了使用权限,并不意味着购买了版权,文档只能用于自身使用,不得用于其他商业用途(如 [转卖]进行直接盈利或[编辑后售卖]进行间接盈利)。
2、本站所有内容均由合作方或网友上传,本站不对文档的完整性、权威性及其观点立场正确性做任何保证或承诺!文档内容仅供研究参考,付费前请自行鉴别。
3、如文档内容存在违规,或者侵犯商业秘密、侵犯著作权等,请点击“违规举报”。

碎片内容

施工作业安全措施管控表3

办公文档专营+ 关注
实名认证
内容提供者

大量办公文档,欢迎选择

确认删除?
VIP
微信客服
  • 扫码咨询
会员Q群
  • 会员专属群点击这里加入QQ群
客服邮箱
回到顶部