电脑桌面
添加小米粒文库到电脑桌面
安装后可以在桌面快捷访问

施工工法模板VIP免费

施工工法模板_第1页
1/20
施工工法模板_第2页
2/20
施工工法模板_第3页
3/20
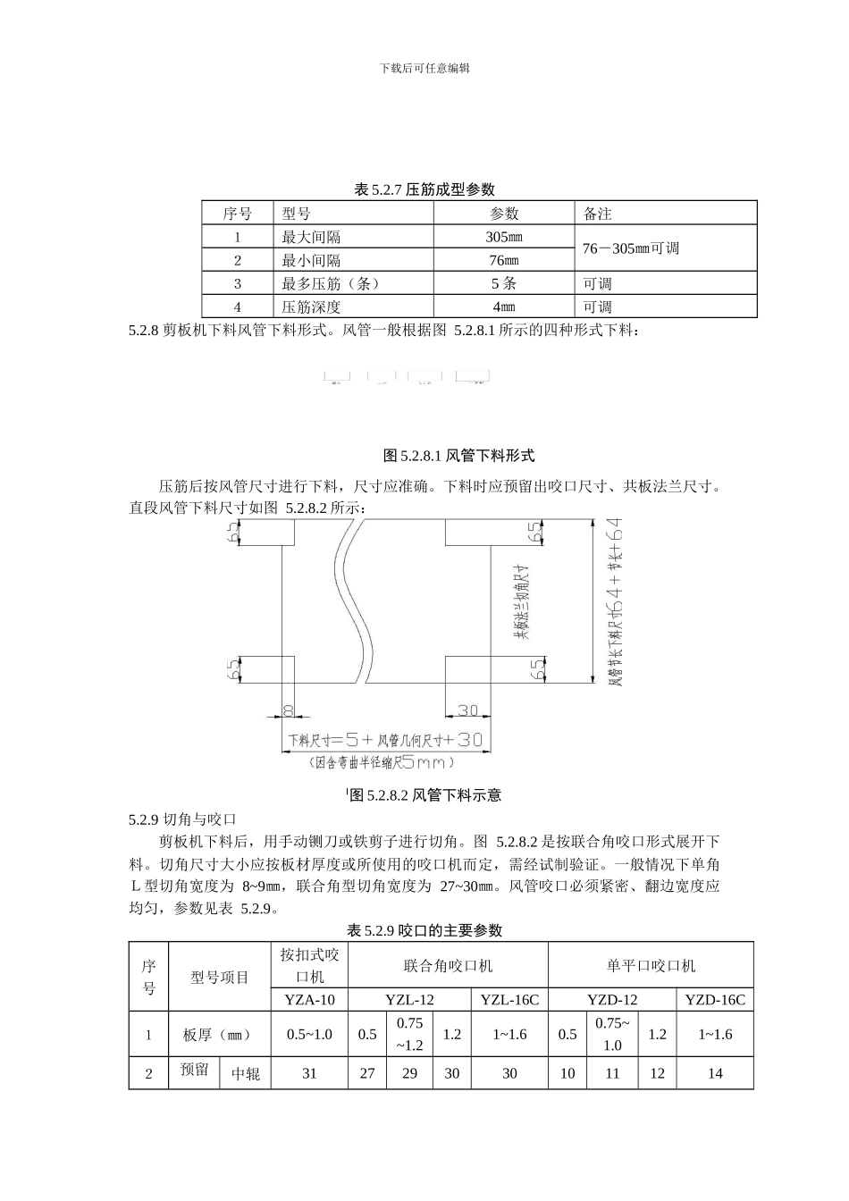
下载后可任意编辑无法兰连接风管制作与安装工法QIGF 01-2024孙海生 周建章1 前言金属风管无法兰连接是近年来通风空调工程中风管加工制作的新技术,是建设部推广使用的 10 项新技术之一。风管无法兰连接形式包括: S 形插条、C 形插条、立插条、立咬口、包边立咬口、薄钢板法兰插条、薄钢板法兰弹簧夹、直角形平插条、立联合角形插条本工法主要介绍薄钢板法兰弹簧夹、C 形插条、 S 形插条连接施工技术,是在青岛市东部医院工程、第 29 届奥运会青岛国际帆船中心工程和流亭国际机场航站楼Ⅱ、Ⅲ期扩建工程实践的基础上,由置业分公司、安装公司等单位讨论、总结形成的。2 工法特点金属薄钢板法兰风管的板面和法兰合为一体,又称“共板法兰”。其连接技术与传统角钢法兰连接技术相比,具有成型快、外形美观、产品重量轻、制作和安装生产效率高等特点。而且容易形成流水作业,能大幅度降低工程成本,增加工程收益。若在施工现场采纳合缝压筋机,可以使人工合缝变为机械合缝,降低工人的劳动强度,提高合缝质量和速度,降低施工现场环境噪声污染。3 适用范围薄钢板无法兰风管适用于通风与空调工程中的中、低压送、排风系统。镀锌钢板厚度在 0.5mm~1.2mm 之间均可采纳。4 工艺原理薄钢板法兰风管的风管管体与法兰同为一体,是同一整体的镀锌板经过机械压制而成。采纳合缝机辊轮滚压的方法进行合平缝与角缝。施工中,通常采纳薄钢板矩形无法兰弹簧夹形式,其风管与风管之间采纳法兰四角的角件螺栓和弹簧夹进行连接。无法兰风管的制作过程中,从剪板、倒角、咬口、成形等均采纳单机设备分工序完成。5 工艺流程及操作要点5.1 工艺流程熟悉图纸和技术交底→现场实测与放线→按实测尺寸绘制加工图→施工准备工作 →材料进场检验→开卷压筋→剪板机下料→切角与咬口 →共板法兰加工 →法兰弹簧夹及角件制作→折方与检验→合缝→运输→现场检验与组装→安装就位→验收 5.2 操作要点5.2.1 图纸会审及技术交底设计图纸齐全,并经过图纸会审。技术人员向操作人员进行全面的技术交底,对风管下载后可任意编辑的制作尺寸,采纳的技术标准,接口及法兰连接方法要明确,并做好施工技术交底记录。5.2.2 现场实测与放线(1)根据通风空调平面图和系统图纸,测量出被安装风管与柱、梁、墙之间的距离以及楼层高度等。测量出风管连接的设备、部件连接口的尺寸、位置、高度及其与风管的相对位置。(2)测量出通风设备的基础或支架尺寸、高度以及离...

1、当您付费下载文档后,您只拥有了使用权限,并不意味着购买了版权,文档只能用于自身使用,不得用于其他商业用途(如 [转卖]进行直接盈利或[编辑后售卖]进行间接盈利)。
2、本站所有内容均由合作方或网友上传,本站不对文档的完整性、权威性及其观点立场正确性做任何保证或承诺!文档内容仅供研究参考,付费前请自行鉴别。
3、如文档内容存在违规,或者侵犯商业秘密、侵犯著作权等,请点击“违规举报”。

碎片内容

施工工法模板

您可能关注的文档

确认删除?
VIP
微信客服
  • 扫码咨询
会员Q群
  • 会员专属群点击这里加入QQ群
客服邮箱
回到顶部