电脑桌面
添加小米粒文库到电脑桌面
安装后可以在桌面快捷访问

施工总平面布置图及临时用地表VIP免费

施工总平面布置图及临时用地表_第1页
1/4
施工总平面布置图及临时用地表_第2页
2/4
施工总平面布置图及临时用地表_第3页
3/4
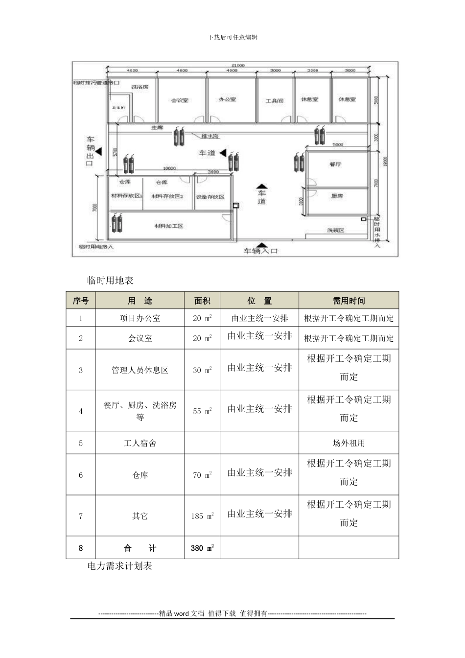
下载后可任意编辑1. 施工总平面布置图及临时用地表施工总平面布置是否合理,将直接关系到施工进度的快慢,同时也体现了安全文明施工管理水平的高低。为保证施工的顺利进行,具体施工平面布置原则如下:(1) 满足施工的条件下,节约施工用地;(2) 满足施工和文明施工的前提下,减少临时设施投资;(3) 在保证场内交通顺畅和保证施工对材料需求的前提下,尽量减少场内二次运输;(4) 在平面布置上,避开土建、水电、安全及施工的相互干扰;(5) 符合场内卫生、安全和防火的要求;(6) 本工程施工现场按材料、办公、施工三区布置,并相对独立,以保证达到安全文明施工的要求。考虑到弱电施工的特别性和施工场地等方面的因素,我们在场外单独为施工人员租赁提供生活用房,在场内只留正常值班人员;(7) 施工用水电办理接入手续,并设置独立水、电表,由专业电工负责,接入点和使用点严格按法律规范和相关制度执行。(8) 在施工总平面布置图上项目部将会把公司建议的办公、现场生产加工、仓库等场地的区域位置标识出以供参考,最终的位置待中标后进场前与总包单位沟通之后由总包单位统筹安排。(9) 临时设施面积及数量要求见下表:----------------------------精品 word 文档 值得下载 值得拥有----------------------------------------------下载后可任意编辑临时用地表序号用 途面积位 置需用时间1项目办公室20 m2由业主统一安排根据开工令确定工期而定2会议室20 m2由业主统一安排根据开工令确定工期而定3管理人员休息区30 m2由业主统一安排根据开工令确定工期而定4餐厅、厨房、洗浴房等55 m2由业主统一安排根据开工令确定工期而定5工人宿舍场外租用6仓库70 m2由业主统一安排根据开工令确定工期而定7其它185 m2由业主统一安排根据开工令确定工期而定8合 计380 m2电力需求计划表----------------------------精品 word 文档 值得下载 值得拥有----------------------------------------------下载后可任意编辑用电位置计划用电数量(KW.H)用途需用时间2024 年 1 月 1 日至2024 年 7 月 1 日(暂定)备注序号左或右(m)1配件加工场所1KW*8H*211 天=1688KW.H现场零配件加工竣工完成2现场1KW*8H*211 天=1688KW.H设备安装竣工完成3现场1KW*8H*60 天=480KW.H设备调试用电竣工完成4办公场所0.5KW*8H*211天=844KW.H现场办公竣工完成按供电可靠性要求,本现场施工用电定为二级负荷,采纳一个独立电源供电。...

1、当您付费下载文档后,您只拥有了使用权限,并不意味着购买了版权,文档只能用于自身使用,不得用于其他商业用途(如 [转卖]进行直接盈利或[编辑后售卖]进行间接盈利)。
2、本站所有内容均由合作方或网友上传,本站不对文档的完整性、权威性及其观点立场正确性做任何保证或承诺!文档内容仅供研究参考,付费前请自行鉴别。
3、如文档内容存在违规,或者侵犯商业秘密、侵犯著作权等,请点击“违规举报”。

碎片内容

施工总平面布置图及临时用地表

确认删除?
VIP
微信客服
  • 扫码咨询
会员Q群
  • 会员专属群点击这里加入QQ群
客服邮箱
回到顶部