电脑桌面
添加小米粒文库到电脑桌面
安装后可以在桌面快捷访问

施工机具报审表VIP免费

施工机具报审表_第1页
1/2
施工机具报审表_第2页
2/2
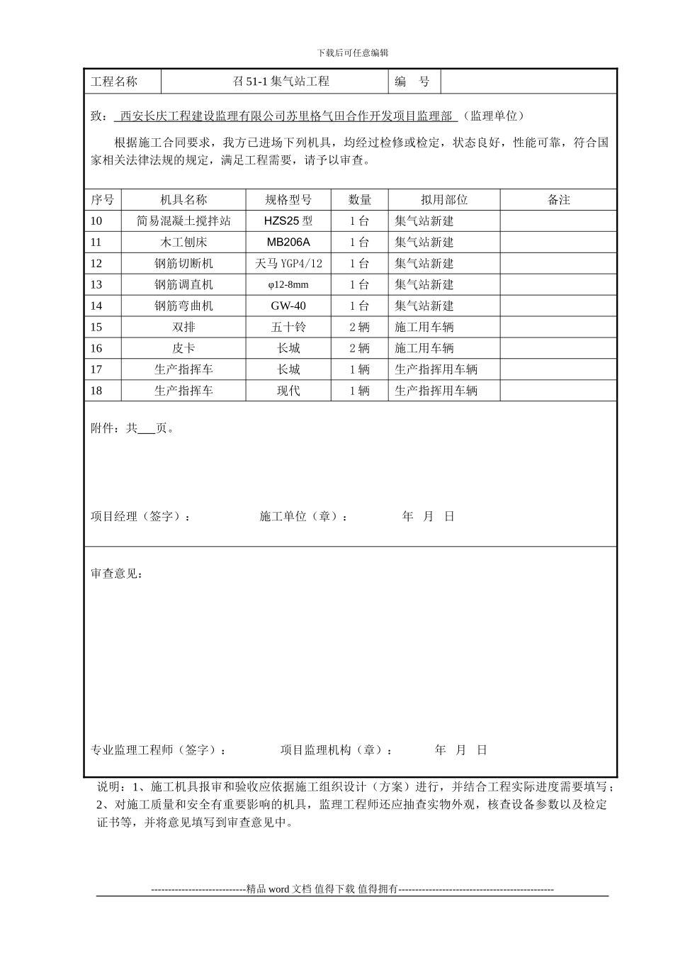
下载后可任意编辑施工机具报审表 JL-A06工程名称召 51-1 集气站工程编 号致: 西安长庆工程建设监理有限公司苏里格气田合作开发项目监理部 (监理单位)根据施工合同要求,我方已进场下列机具,均经过检修或检定,状态良好,性能可靠,符合国家相关法律法规的规定,满足工程需要,请予以审查。序号机具名称规格型号数量拟用部位备注1装载机龙工 5502 台推扫道路用2挖掘机大宇 2201 台土方开挖用3三相沟通同步发电机STC—24 型1 台施工用电源4柴油发电机3kw1 台抽水用电源5潜水电泵QS 小型2 台抽水用6水准仪AL3221 台集气站扩建7全站仪PENTAX R3221 台集气站新建8机动翻斗车FCY155 辆集气站新建9混凝土搅拌机JS10001 台集气站新建 附件:共 页。项目经理(签字): 施工单位(章): 年 月 日 审查意见:专业监理工程师(签字): 项目监理机构(章): 年 月 日说明:1、施工机具报审和验收应依据施工组织设计(方案)进行,并结合工程实际进度需要填写;2、对施工质量和安全有重要影响的机具,监理工程师还应抽查实物外观,核查设备参数以及检定证书等,并将意见填写到审查意见中。施工机具报审表 JL-A06----------------------------精品 word 文档 值得下载 值得拥有----------------------------------------------下载后可任意编辑工程名称召 51-1 集气站工程编 号致: 西安长庆工程建设监理有限公司苏里格气田合作开发项目监理部 (监理单位)根据施工合同要求,我方已进场下列机具,均经过检修或检定,状态良好,性能可靠,符合国家相关法律法规的规定,满足工程需要,请予以审查。序号机具名称规格型号数量拟用部位备注10简易混凝土搅拌站HZS25 型1 台集气站新建11木工刨床MB206A1 台集气站新建12钢筋切断机天马 YGP4/121 台集气站新建13钢筋调直机φ12-8mm1 台集气站新建14钢筋弯曲机GW-401 台集气站新建15双排五十铃2 辆施工用车辆16皮卡长城2 辆施工用车辆17生产指挥车长城1 辆生产指挥用车辆18生产指挥车现代1 辆生产指挥用车辆 附件:共 页。项目经理(签字): 施工单位(章): 年 月 日 审查意见:专业监理工程师(签字): 项目监理机构(章): 年 月 日 说明:1、施工机具报审和验收应依据施工组织设计(方案)进行,并结合工程实际进度需要填写;2、对施工质量和安全有重要影响的机具,监理工程师还应抽查实物外观,核查设备参数以及检定证书等,并将意见填写到审查意见中。----------------------------精品 word 文档 值得下载 值得拥有----------------------------------------------

1、当您付费下载文档后,您只拥有了使用权限,并不意味着购买了版权,文档只能用于自身使用,不得用于其他商业用途(如 [转卖]进行直接盈利或[编辑后售卖]进行间接盈利)。
2、本站所有内容均由合作方或网友上传,本站不对文档的完整性、权威性及其观点立场正确性做任何保证或承诺!文档内容仅供研究参考,付费前请自行鉴别。
3、如文档内容存在违规,或者侵犯商业秘密、侵犯著作权等,请点击“违规举报”。

碎片内容

施工机具报审表

您可能关注的文档

确认删除?
VIP
微信客服
  • 扫码咨询
会员Q群
  • 会员专属群点击这里加入QQ群
客服邮箱
回到顶部