电脑桌面
添加小米粒文库到电脑桌面
安装后可以在桌面快捷访问

施工测量监理实施细则VIP免费

施工测量监理实施细则_第1页
1/46
施工测量监理实施细则_第2页
2/46
施工测量监理实施细则_第3页
3/46
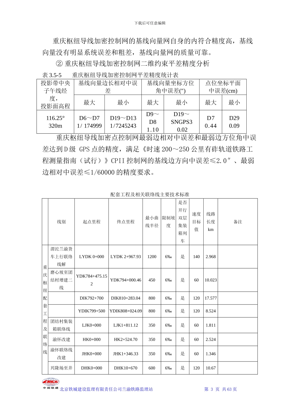
下载后可任意编辑1 工程概况新建兰州至重庆铁路段位于甘肃省、陕西省、四川省、重庆市境内,北起兰州枢纽,向南经甘肃榆中、渭源、漳县、岷县、宕昌、陇西,通过陕西省边界进入四川省,经广元、苍溪、阆中、南部、南充、合川进入重庆枢纽。兰州至重庆段正线线路长度 818.7km。另修建南充经广安至兴奋的支线,建筑长度 89.345km。本标段为新建铁路兰州至重庆线广元至重庆段站前工程 LYJ-13 标段,范围是渭沱(含)至重庆北(不含),起始里程为 DK881+400~DK952+110.299,正线长 70,713km。主要工程有隧道 23 座(其中高风险隧道 4 座:荆竹林、桐梓林、龙凤、人和)、铁大桥 12 座、大桥 27座、中桥 1 座。线路自本标段起点 DK881+400 起,在渭沱站客货疏解,沿既有遂渝线左侧前行(其中兰渝线 DK883+822=遂渝左线 ZCK87+800,终点兰渝线DK888+860=遂渝二线 ZCK888+859,长 5.038km 段与在建遂渝二线三线并行),设三线桥跨涪江,在既有合川站左侧新建客站。出站后,穿荆竹林隧道(L-4191m),设桥跨过嘉陵江,穿西山坪隧道(L-2912m), 桐梓林隧道(L-2573m), 跨嘉陵江,穿龙凤隧道(L-5175m),从井口车站上跨谕怀线,与货车线并行四线桥跨嘉陵江,穿人和隧道(L-3494m),至本标段终点 DK952+110.299 与渝利线在重庆北站的进站端相接,线路长 70.713km。本标段为Ⅰ级铁路,正线数目双线,最小曲线半径:3500 m,限制坡度:一般 12‰,困难条件 20‰;到发线有效长度:850 m、,合川、童家溪车站 650 m。本标内正线长 70,713km,区间路基长 18.487 km。共新建桥梁 40座,计 24.12 km,占线路总长的 31﹪;其中特别结构桥 9 座—11.62 km,一般特大桥 6 座—5.728 km,一般大桥 24 座—6.7 km,一般中桥 1座—0.11 km。新井口嘉陵江大桥(含)至井口(含)无隧道工程。渭沱至重庆北客车线新建隧道 23 座—27.394 km,接长既有铁路跨公路立交明洞一座—28m。新建隧道中,新作坊隧道为三线隧道—468 m,其余北京铁城建设监理有限责任公司兰渝铁路监理站 第 1 页 共 63 页下载后可任意编辑均为双线隧道。接长的合川明洞为双连拱明洞。本标段最长隧道为兰渝龙凤隧道—5715 m.兰渝线引入重庆枢纽精测网,有砟轨道段 C 级 CPⅠ 控制点 17 个;有砟轨道段 D 级 CPⅡ 控制点 15 个;有砟轨道段三等水准控制点 16 个。平面及高程坐标系统:平面系统兰渝线引入重庆枢纽平...

1、当您付费下载文档后,您只拥有了使用权限,并不意味着购买了版权,文档只能用于自身使用,不得用于其他商业用途(如 [转卖]进行直接盈利或[编辑后售卖]进行间接盈利)。
2、本站所有内容均由合作方或网友上传,本站不对文档的完整性、权威性及其观点立场正确性做任何保证或承诺!文档内容仅供研究参考,付费前请自行鉴别。
3、如文档内容存在违规,或者侵犯商业秘密、侵犯著作权等,请点击“违规举报”。

碎片内容

施工测量监理实施细则

确认删除?
VIP
微信客服
  • 扫码咨询
会员Q群
  • 会员专属群点击这里加入QQ群
客服邮箱
回到顶部