电脑桌面
添加小米粒文库到电脑桌面
安装后可以在桌面快捷访问

施工现场临时用电安全规范强制性条文摘录VIP免费

施工现场临时用电安全规范强制性条文摘录_第1页
1/3
施工现场临时用电安全规范强制性条文摘录_第2页
2/3
施工现场临时用电安全规范强制性条文摘录_第3页
3/3
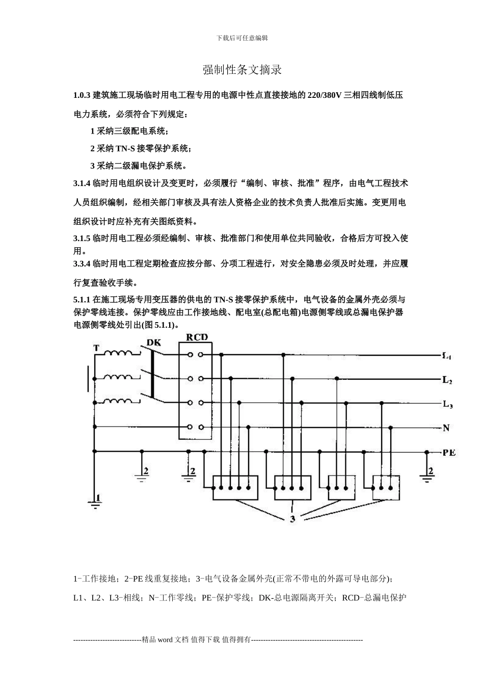
下载后可任意编辑强制性条文摘录1.0.3 建筑施工现场临时用电工程专用的电源中性点直接接地的 220/380V 三相四线制低压电力系统,必须符合下列规定:1 采纳三级配电系统;2 采纳 TN-S 接零保护系统;3 采纳二级漏电保护系统。3.1.4 临时用电组织设计及变更时,必须履行“编制、审核、批准”程序,由电气工程技术人员组织编制,经相关部门审核及具有法人资格企业的技术负责人批准后实施。变更用电组织设计时应补充有关图纸资料。3.1.5 临时用电工程必须经编制、审核、批准部门和使用单位共同验收,合格后方可投入使用。3.3.4 临时用电工程定期检查应按分部、分项工程进行,对安全隐患必须及时处理,并应履行复查验收手续。5.1.1 在施工现场专用变压器的供电的 TN-S 接零保护系统中,电气设备的金属外壳必须与保护零线连接。保护零线应由工作接地线、配电室(总配电箱)电源侧零线或总漏电保护器电源侧零线处引出(图 5.1.1)。1-工作接地;2-PE 线重复接地;3-电气设备金属外壳(正常不带电的外露可导电部分);L1、L2、L3-相线;N-工作零线;PE-保护零线;DK-总电源隔离开关;RCD-总漏电保护----------------------------精品 word 文档 值得下载 值得拥有----------------------------------------------下载后可任意编辑器(兼有短路、过载、漏电保护功能的漏电断路器);T-变压器5.1.2 当施工现场与外电线路共用同一供电系统时,电气设备的接地、接零保护应与原系统保持一致。不得一部分设备做保护接零,另一部分设备做保护接地。采纳 TN 系统做保护接零时,工作零线(N 线)必须通过总漏电保护器,保护零线(PE 线)必须由电源进线零线重复接地处或总漏电保护器电源侧零线处,引出形成局部 TN-S 接零保护系统(图 5.1.2)。1 一 NPE 线重复接地;2-PE 线重复接地;L1、L2、L3 一相线;N 一工作零线;PE 保护零线;DK--总电源隔离开关;RCD-总漏电保护器(兼有短路、过载、漏电保护功能的漏电断路器)5.3.2 TN 系统中的保护零线除必须在配电室或总配电箱处做重复接地外,还必须在配电系统的中间处和末端处做重复接地。在 TN 系统中,保护零线每一处重复接地装置的接地电阻值不应大于 10Ω。在工作接地电阻值允许达到 10Ω 的电力系统中,所有重复接地的等效电阻值不应大于 10Ω。5.4.7 做防雷接地机械上的电气设备,所连接的 PE 线必须同时做重复接地,同一台机械电气设备的重复接地和机械的防雷接地可共用同一...

1、当您付费下载文档后,您只拥有了使用权限,并不意味着购买了版权,文档只能用于自身使用,不得用于其他商业用途(如 [转卖]进行直接盈利或[编辑后售卖]进行间接盈利)。
2、本站所有内容均由合作方或网友上传,本站不对文档的完整性、权威性及其观点立场正确性做任何保证或承诺!文档内容仅供研究参考,付费前请自行鉴别。
3、如文档内容存在违规,或者侵犯商业秘密、侵犯著作权等,请点击“违规举报”。

碎片内容

施工现场临时用电安全规范强制性条文摘录

确认删除?
VIP
微信客服
  • 扫码咨询
会员Q群
  • 会员专属群点击这里加入QQ群
客服邮箱
回到顶部