电脑桌面
添加小米粒文库到电脑桌面
安装后可以在桌面快捷访问

施工现场临时用电检查记录表格VIP免费

施工现场临时用电检查记录表格_第1页
1/10
施工现场临时用电检查记录表格_第2页
2/10
施工现场临时用电检查记录表格_第3页
3/10
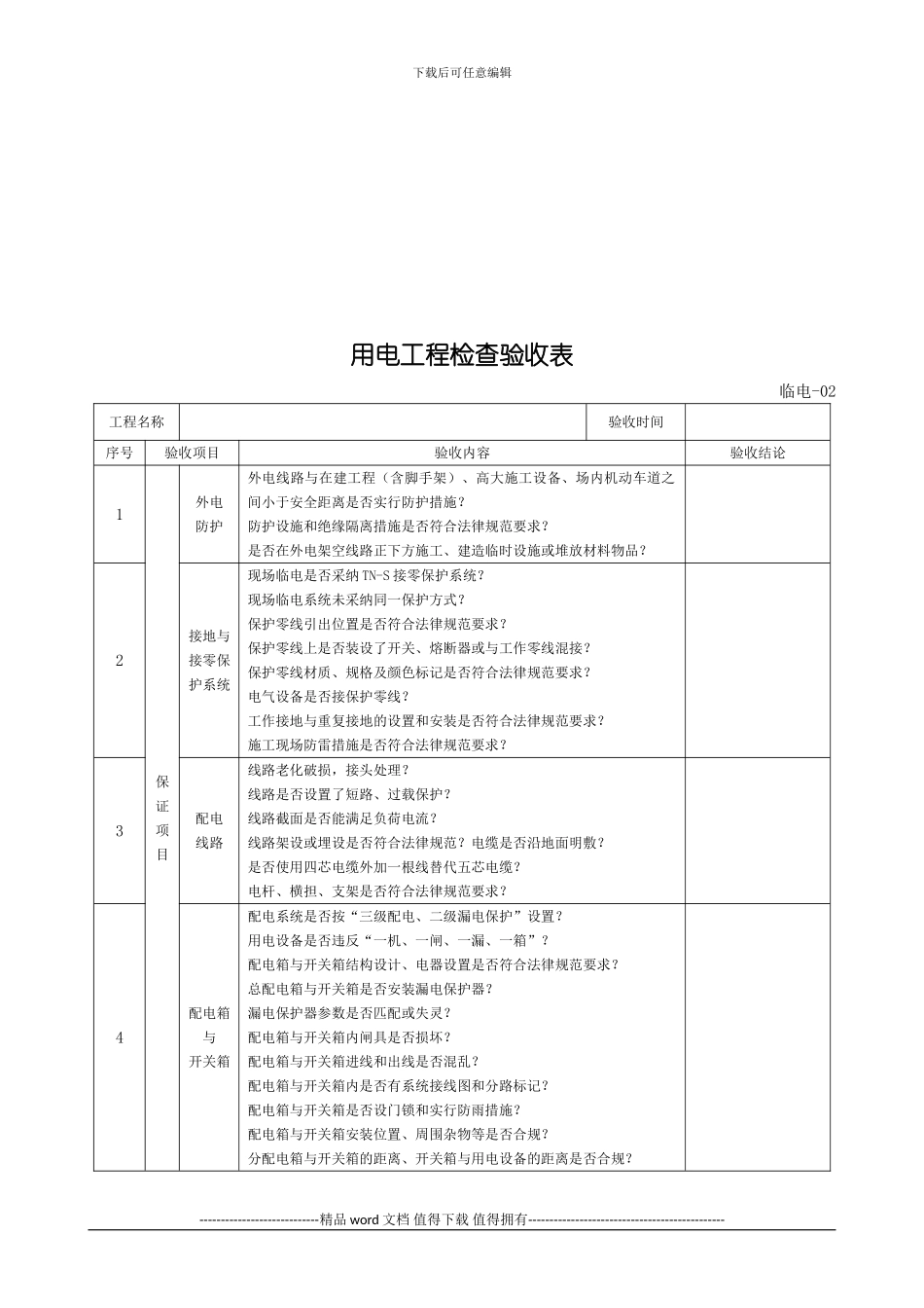
下载后可任意编辑XXXX 工程项目临时用电安全技术交底临电-01工程名称作业内容交底内容:交底人签名交底时间接受交底人签 名----------------------------精品 word 文档 值得下载 值得拥有----------------------------------------------下载后可任意编辑 用电工程检查验收表临电-02工程名称验收时间序号验收项目验收内容验收结论1保证项目外电防护外电线路与在建工程(含脚手架)、高大施工设备、场内机动车道之间小于安全距离是否实行防护措施?防护设施和绝缘隔离措施是否符合法律规范要求?是否在外电架空线路正下方施工、建造临时设施或堆放材料物品?2接地与接零保 护系统现场临电是否采纳 TN-S 接零保护系统?现场临电系统未采纳同一保护方式?保护零线引出位置是否符合法律规范要求?保护零线上是否装设了开关、熔断器或与工作零线混接?保护零线材质、规格及颜色标记是否符合法律规范要求?电气设备是否接保护零线?工作接地与重复接地的设置和安装是否符合法律规范要求?施工现场防雷措施是否符合法律规范要求?3配电线路线路老化破损,接头处理?线路是否设置了短路、过载保护?线路截面是否能满足负荷电流?线路架设或埋设是否符合法律规范?电缆是否沿地面明敷?是否使用四芯电缆外加一根线替代五芯电缆?电杆、横担、支架是否符合法律规范要求?4配电箱与开关箱配电系统是否按“三级配电、二级漏电保护”设置?用电设备是否违反“一机、一闸、一漏、一箱”?配电箱与开关箱结构设计、电器设置是否符合法律规范要求?总配电箱与开关箱是否安装漏电保护器?漏电保护器参数是否匹配或失灵?配电箱与开关箱内闸具是否损坏?配电箱与开关箱进线和出线是否混乱?配电箱与开关箱内是否有系统接线图和分路标记?配电箱与开关箱是否设门锁和实行防雨措施?配电箱与开关箱安装位置、周围杂物等是否合规?分配电箱与开关箱的距离、开关箱与用电设备的距离是否合规?----------------------------精品 word 文档 值得下载 值得拥有----------------------------------------------下载后可任意编辑5一般项目配电室与配电装置配电室建筑耐火等级、消防器材配备是否合规?配电室、配电装置布设是否合规?配电装置中的仪表、电器元件设置是否符合法律规范或损坏、失效?备用发电机组与外电线路是否进行了连锁?配电室是否有实行防雨雪和小动物侵入的措施?配电室是否设置警示标志?是否有施工场地供电平面图和系统图?6现场照明照明用...

1、当您付费下载文档后,您只拥有了使用权限,并不意味着购买了版权,文档只能用于自身使用,不得用于其他商业用途(如 [转卖]进行直接盈利或[编辑后售卖]进行间接盈利)。
2、本站所有内容均由合作方或网友上传,本站不对文档的完整性、权威性及其观点立场正确性做任何保证或承诺!文档内容仅供研究参考,付费前请自行鉴别。
3、如文档内容存在违规,或者侵犯商业秘密、侵犯著作权等,请点击“违规举报”。

碎片内容

施工现场临时用电检查记录表格

确认删除?
VIP
微信客服
  • 扫码咨询
会员Q群
  • 会员专属群点击这里加入QQ群
客服邮箱
回到顶部