电脑桌面
添加小米粒文库到电脑桌面
安装后可以在桌面快捷访问

施工用水用电及临建方案VIP免费

施工用水用电及临建方案_第1页
1/18
施工用水用电及临建方案_第2页
2/18
施工用水用电及临建方案_第3页
3/18
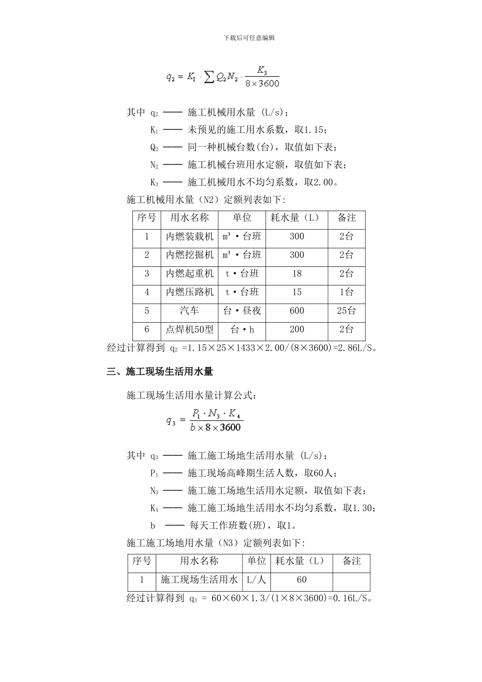
北部湾钦州海洋管理基地项目工程施工用水用电及临建方案中交一航局第三工程有限公司2010 年 7 月 21 日1第一章 施工临时用水方案 建筑施工场地临时供水主要包括:生产用水、生活用水和消防用水三种。 生产用水包括工程施工用水、施工机械用水。 生活用水包括施工现场生活用水和生活区生活用水。本计算书根据《建筑施工计算手册》(江正荣著)、《港口工程施工手册》(交通部第一航务工程局编),并对消防用水不予考虑。一、工程施工用水量施工场地工程施工用水量按下式计算: 其中 q1 ── 施工工程用水量 (L/s); K1 ── 未预见的施工用水系数,取1.15; Q1 ── 年(季)度工程量 (以实物计量单位表示),取值如下表; N1 ── 施工用水定额,取300方; T1 ── 年(季)度有效工作日(d),取1天; b ── 每天工作班数(班),取1; K2 ── 用水不均匀系数,取1.5。 工程施工用水量(N1)定额列表如下:序号用水名称单位耗水量(L)备注1砼自然养护m³3002砌筑工程全部用水m³2003抹灰工程全部用水㎡304搅拌砂浆m³300经过计算得到 q1 =1.15×300×300×1.5/(1×1×8×3600)=5.4L/S。二、施工机械用水量 施工机械用水量计算公式:1下载后可任意编辑 其中 q2 ── 施工机械用水量 (L/s); K1 ── 未预见的施工用水系数,取1.15; Q2 ── 同一种机械台数(台),取值如下表; N2 ── 施工机械台班用水定额,取值如下表; K3 ── 施工机械用水不均匀系数,取2.00。 施工机械用水量(N2)定额列表如下:序号用水名称单位耗水量(L)备注1内燃装载机m³·台班3002台2内燃挖掘机m³·台班3002台3内燃起重机t·台班182台4内燃压路机t·台班151台5汽车台·昼夜60025台6点焊机50型台·h2002台经过计算得到 q2 =1.15×25×1433×2.00/(8×3600)=2.86L/S。三、施工现场生活用水量 施工现场生活用水量计算公式: 其中 q3 ── 施工施工场地生活用水量 (L/s); P1 ── 施工现场高峰期生活人数,取60人; N3 ── 施工施工场地生活用水定额,取值如下表; K4 ── 施工施工场地生活用水不均匀系数,取1.30; b ── 每天工作班数(班),取1。 施工施工场地用水量(N3)定额列表如下:序号用水名称单位耗水量(L)备注1施工现场生活用水L/人60 经过计算得到 q3 = 60×60×1.3/(1×8×3600)=0.16L/S。下载后可任意编辑 四、生活区用水量 生活区生活用水量计算公式: 其中 q4 ─...

1、当您付费下载文档后,您只拥有了使用权限,并不意味着购买了版权,文档只能用于自身使用,不得用于其他商业用途(如 [转卖]进行直接盈利或[编辑后售卖]进行间接盈利)。
2、本站所有内容均由合作方或网友上传,本站不对文档的完整性、权威性及其观点立场正确性做任何保证或承诺!文档内容仅供研究参考,付费前请自行鉴别。
3、如文档内容存在违规,或者侵犯商业秘密、侵犯著作权等,请点击“违规举报”。

碎片内容

施工用水用电及临建方案

您可能关注的文档

确认删除?
VIP
微信客服
  • 扫码咨询
会员Q群
  • 会员专属群点击这里加入QQ群
客服邮箱
回到顶部