电脑桌面
添加小米粒文库到电脑桌面
安装后可以在桌面快捷访问

施工用电安全组织设1VIP免费

施工用电安全组织设1_第1页
1/13
施工用电安全组织设1_第2页
2/13
施工用电安全组织设1_第3页
3/13
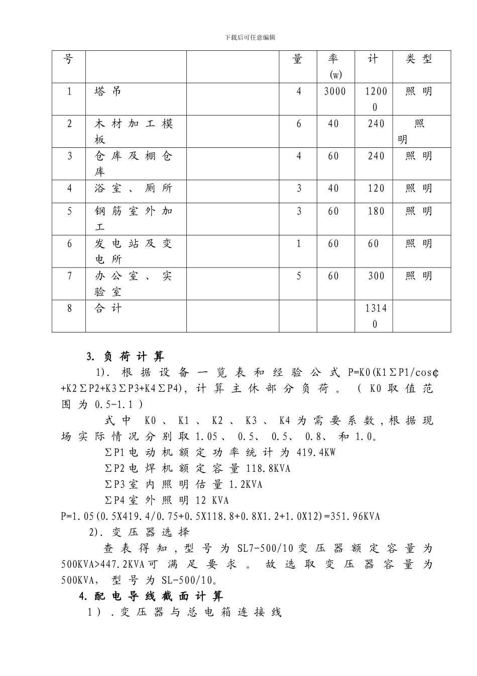
下载后可任意编辑施 工 临 时 用 电 专 项 施 工 组 织 设 计一 . 编 制 依 据1. 广 东 华 方 工 程 设 计 有 限 公 司 设 计 的 新 世 纪 ·领 居 工 程 的 施 工 图 纸 ;2.新 世 纪 · 领 居 《 施 工 组 织 设计 、 方 案 》 ;3.执 行 的 有 关 法 律 、 法 规 : 《 建 筑 法 》 、《 安 全 生 产 法 》 、 《 建 筑 工 程 安 全 生 产 管 理 条例 》 ;4.《 施 工 现 场 临 时 用 电 安 全 技 术 法 律 规 范 》 。二 . 本 工 程 概 况1.本 工 程 位 于 东 莞 市 大 岭 山 镇 , 由 东 莞 市 领 居 房地 产 开 发 有 限 公 司 和 东 莞 市 大 岭 山 镇 房 地 产 开 发 公司 兴 建 的 新 世 纪 领 居 住 宅 楼 工 程 : 为 框 架 、 剪 力 墙结 构 。2.施 工 用 电 特 点 :A.暂 设 性 或 临 时 性 ;B.移 动 性 或 流动 性 ;C.露 天 性 . 施 工 现 场 是 多 工 种 交 叉 作 业 的 场 所 ,又 是 经 风 打 雨 淋 , 非 电 工 专 业 人 员 禁 止 打 开 电 箱 及 接电 线 。三 . 临 时 用 电 施 工 部 署根 据 本 工 程 施 工 组 织 设 计 、 方 案 的 要 求 和 用 电 情况 , 施 工 临 时 供 电 系 统 划 分 三 步 进 行 敷 设 。1. 根 据 现 场 提 供 的 电 源 位 置 , 计 划 设 置 1 个 总 配 电箱 。2. 根 据 施 工 用 电 要 求 , 设 置 总 配 电 箱 、 分 配 箱 F1-F及 设 备 用 电 开 关 箱 , 分 配 电 箱 用 铜 橡 皮 电 线 与 总 配 电箱 接 通 , 分 配 电 箱 用 电 线 ( 缆 ) 和 开 关 箱 接 通 。3. 接 驳 用 电 设 备 动 力 配 电 箱 及 照 明 配 电 箱 , 实 现一 机 一 闸 一 漏 一 箱 , 供 电 线 路 采 纳 TN-S 三 相 五 线 式 接法 。4. 见 施 工 用 电 平 面 布 置 图 。四 . 负 荷 计 算1. 主 要 设 备 一 览 见 下 表 ( 电 动 机 、 电 焊 机 )序号设 备 名 称型 号数量功率小计设 备类 型下载后可任意编辑(KW)1木 工 圆 锯MJ50067.545....

1、当您付费下载文档后,您只拥有了使用权限,并不意味着购买了版权,文档只能用于自身使用,不得用于其他商业用途(如 [转卖]进行直接盈利或[编辑后售卖]进行间接盈利)。
2、本站所有内容均由合作方或网友上传,本站不对文档的完整性、权威性及其观点立场正确性做任何保证或承诺!文档内容仅供研究参考,付费前请自行鉴别。
3、如文档内容存在违规,或者侵犯商业秘密、侵犯著作权等,请点击“违规举报”。

碎片内容

施工用电安全组织设1

确认删除?
VIP
微信客服
  • 扫码咨询
会员Q群
  • 会员专属群点击这里加入QQ群
客服邮箱
回到顶部