电脑桌面
添加小米粒文库到电脑桌面
安装后可以在桌面快捷访问

施工电梯周检、月检VIP免费

施工电梯周检、月检_第1页
1/7
施工电梯周检、月检_第2页
2/7
施工电梯周检、月检_第3页
3/7
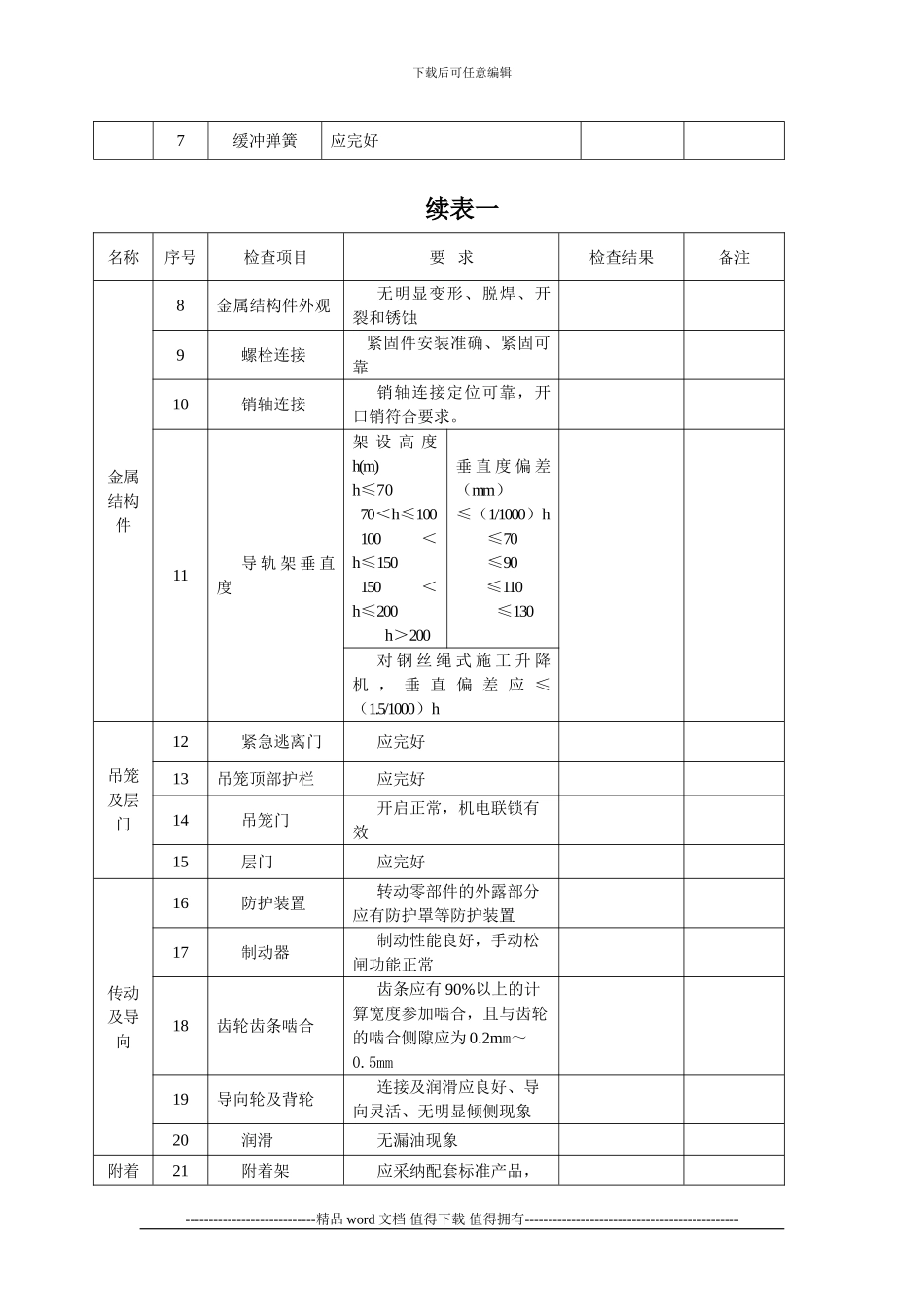
下载后可任意编辑沅江市马公铺建筑有限公司施工升降机月检查表设备型号备案登记号工程名称湖景 1 号 19#、21#、33#栋工程地址沅江市狮山路交桔园南路东南角设备生产厂出厂编号出厂日期安装高度安装负责人安装日期检查结果代号说明√=合格 ○=整改后合格 ×=不合格 无=无此项 检查结果需量化名称序号检查项目要 求检查结果备注资料1资料产权单位应提供有效的制造许可证、特种设备监督检验证明、产品出厂合格证、安装使用维修说明书等随机文件;必要时提供型式试验报告2基础方案、安装方案、加节安装附着方案、交接班记录维修保养记录标识1安全责任牌公示:司机、作业人员,产权备案编号、使用登记备案编号、机械设备管理人员2操 作 规程 、 标 牌 、禁示标志吊笼内应有安全操作规程,其他危险处应有醒目的警示标志,严禁无证人员操作,施工升降机应设限载标牌和楼层标志基础和围护设施3地面防护围 栏 门 机 电联 锁 保 护 装置应装机电联锁装置,吊笼位于底部规定位置地面防护围栏门才能打开,地面防护围栏门开启后吊笼不能启动4地 面 防 护 围栏基础上吊笼和对重升降通道周围应设置防护围栏,地面防护围栏高≥1.8m5安全防护区当施工升降机基础下方有施工作业区时,应加设防对重坠落伤人的安全防护区及其安全防护措施6电缆收集筒固定可靠、电缆能正确导入----------------------------精品 word 文档 值得下载 值得拥有----------------------------------------------下载后可任意编辑7缓冲弹簧应完好续表一名称序号检查项目要 求检查结果备注金属结构件8金属结构件外观无明显变形、脱焊、开裂和锈蚀9螺栓连接 紧固件安装准确、紧固可靠10销轴连接销轴连接定位可靠,开口销符合要求。11导 轨 架 垂 直度架 设 高 度h(m)h≤7070<h≤100100<h≤150150<h≤200h>200垂 直 度 偏 差(mm)≤(1/1000)h≤70≤90 ≤110≤130对 钢 丝 绳 式 施 工 升 降机 , 垂 直 偏 差 应 ≤(1.5/1000)h吊笼及层门12紧急逃离门应完好13吊笼顶部护栏应完好14吊笼门开启正常,机电联锁有效15层门应完好传动及导向16防护装置转动零部件的外露部分应有防护罩等防护装置17制动器制动性能良好,手动松闸功能正常18齿轮齿条啮合齿条应有 90%以上的计算宽度参加啮合,且与齿轮的啮合侧隙应为 0.2mm~0.5mm19导向轮及背轮连接及润滑应良好、导向灵活、无明显倾侧现象20润滑无漏油现象附着21附着架应采纳配套...

1、当您付费下载文档后,您只拥有了使用权限,并不意味着购买了版权,文档只能用于自身使用,不得用于其他商业用途(如 [转卖]进行直接盈利或[编辑后售卖]进行间接盈利)。
2、本站所有内容均由合作方或网友上传,本站不对文档的完整性、权威性及其观点立场正确性做任何保证或承诺!文档内容仅供研究参考,付费前请自行鉴别。
3、如文档内容存在违规,或者侵犯商业秘密、侵犯著作权等,请点击“违规举报”。

碎片内容

施工电梯周检、月检

确认删除?
VIP
微信客服
  • 扫码咨询
会员Q群
  • 会员专属群点击这里加入QQ群
客服邮箱
回到顶部