电脑桌面
添加小米粒文库到电脑桌面
安装后可以在桌面快捷访问

施工过程用表规定VIP免费

施工过程用表规定_第1页
1/79
施工过程用表规定_第2页
2/79
施工过程用表规定_第3页
3/79
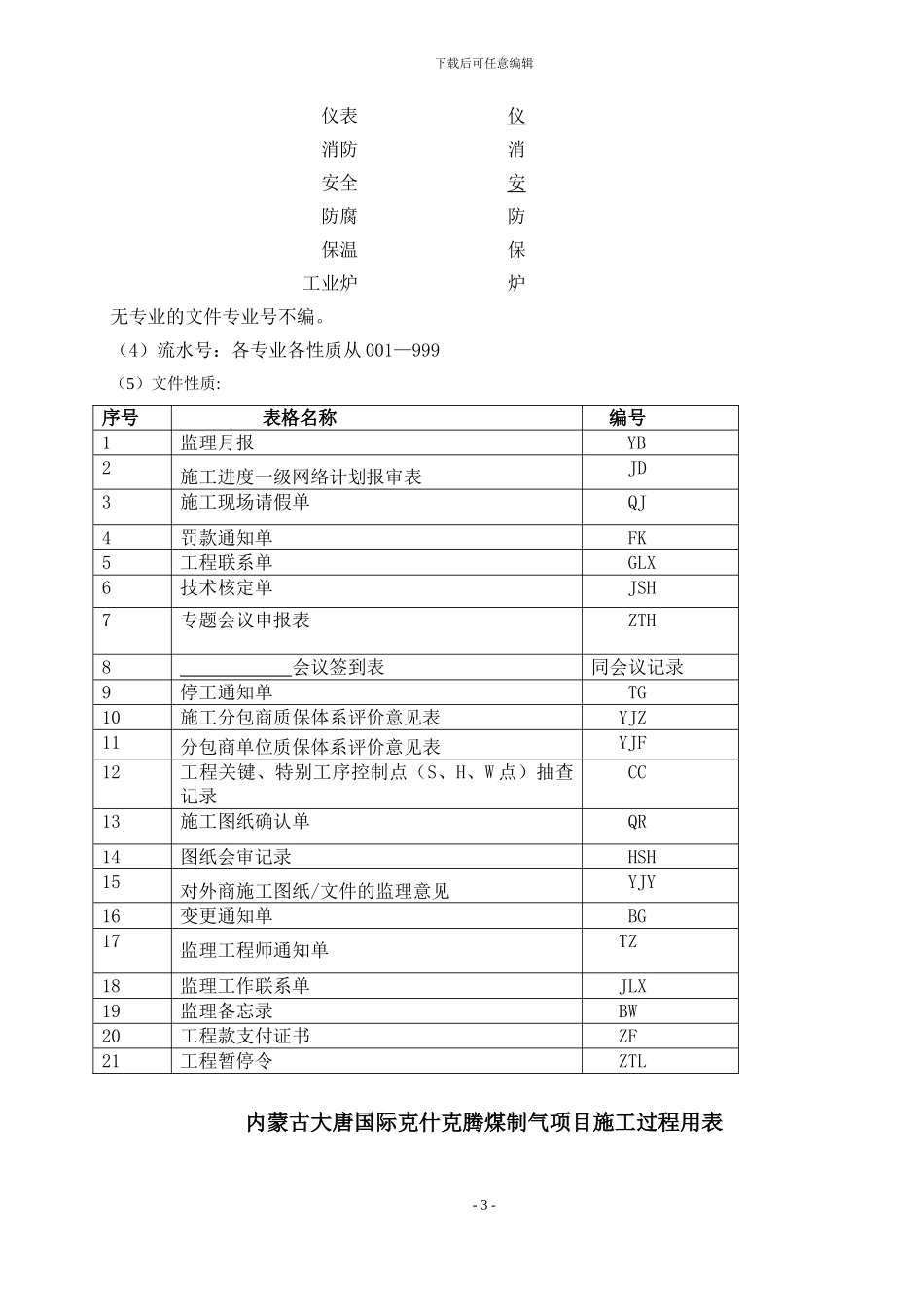
下载后可任意编辑内蒙古大唐国际克什克腾煤制气项目施工过程用表规定内蒙古大唐国际克什克腾煤制气项目筹备处天津辰达工程监理有限公司河南省中大工程监理有限公司长春国电建设监理有限公司- 1 -下载后可任意编辑2024 年 4 月说明:1. 本表式为内蒙古大唐国际克什克腾煤制气项目施工过程用表,发布后全施工场地使用。2.其次可使用《石油化工建设工程项目施工过程技术文件规定》SHT3543—2024 中的表格样式。3.当以上表格样式还不能满足实际需要还需要增加时,可由施工(或监理)单位提出样表报监理和筹备处审查,通过后由筹备处和监理发布全施工场地统一使用。4.今后凡申报、通知、检查、联系、报告等,都统一使用这些表式。这些表式的编号由各单位自已规定,但一定要有编号,并使其具有唯一性,连续性,不重复性,以便资料整理归档。5.业主内部使用的表式不在本表式之列。6. 监理文件编号规定(1)发文编码规则:××—××— ×— ××× 流水号 专业编码 文件性质 单位(2)单位HJ----河南省中大工程监理有限公司TJ----天津辰达工程监理公司CJ----长春国电监理公司(3)专业编码: 土建 土 设备 设 管道 管 电气 电- 2 -下载后可任意编辑 仪表 仪 消防 消 安全 安 防腐 防 保温 保 工业炉 炉无专业的文件专业号不编。(4)流水号:各专业各性质从 001—999(5)文件性质:序号表格名称编号1监理月报YB2施工进度一级网络计划报审表 JD3施工现场请假单 QJ4罚款通知单FK5工程联系单GLX6技术核定单 JSH7专题会议申报表ZTH8 会议签到表同会议记录9停工通知单 TG10施工分包商质保体系评价意见表YJZ11分包商单位质保体系评价意见表YJF12工程关键、特别工序控制点(S、H、W 点)抽查记录CC13施工图纸确认单QR14图纸会审记录HSH15对外商施工图纸/文件的监理意见YJY16变更通知单BG17监理工程师通知单TZ18监理工作联系单JLX19监理备忘录BW20工程款支付证书ZF21工程暂停令ZTL内蒙古大唐国际克什克腾煤制气项目施工过程用表- 3 -下载后可任意编辑目录序号表格名称页码编号1目录42施工组织总设计报审表7自已规定,下同3施工方案/作业指导书报审表84施工图纸会审纪要95施工图纸会审记录106临时断路(封路)申请表117临时占地(路)申请表128施工进度二级网络计划报审表139变更工期申报表1410施工进度调整计划报审表1511主要材料及构(配)件供货资质报审表1612供货厂商与产品审批表1713主要材料/设备/构配件报审表...

1、当您付费下载文档后,您只拥有了使用权限,并不意味着购买了版权,文档只能用于自身使用,不得用于其他商业用途(如 [转卖]进行直接盈利或[编辑后售卖]进行间接盈利)。
2、本站所有内容均由合作方或网友上传,本站不对文档的完整性、权威性及其观点立场正确性做任何保证或承诺!文档内容仅供研究参考,付费前请自行鉴别。
3、如文档内容存在违规,或者侵犯商业秘密、侵犯著作权等,请点击“违规举报”。

碎片内容

施工过程用表规定

确认删除?
VIP
微信客服
  • 扫码咨询
会员Q群
  • 会员专属群点击这里加入QQ群
客服邮箱
回到顶部