电脑桌面
添加小米粒文库到电脑桌面
安装后可以在桌面快捷访问

桥梁墩台施工作业指导书VIP免费

桥梁墩台施工作业指导书_第1页
1/10
桥梁墩台施工作业指导书_第2页
2/10
桥梁墩台施工作业指导书_第3页
3/10
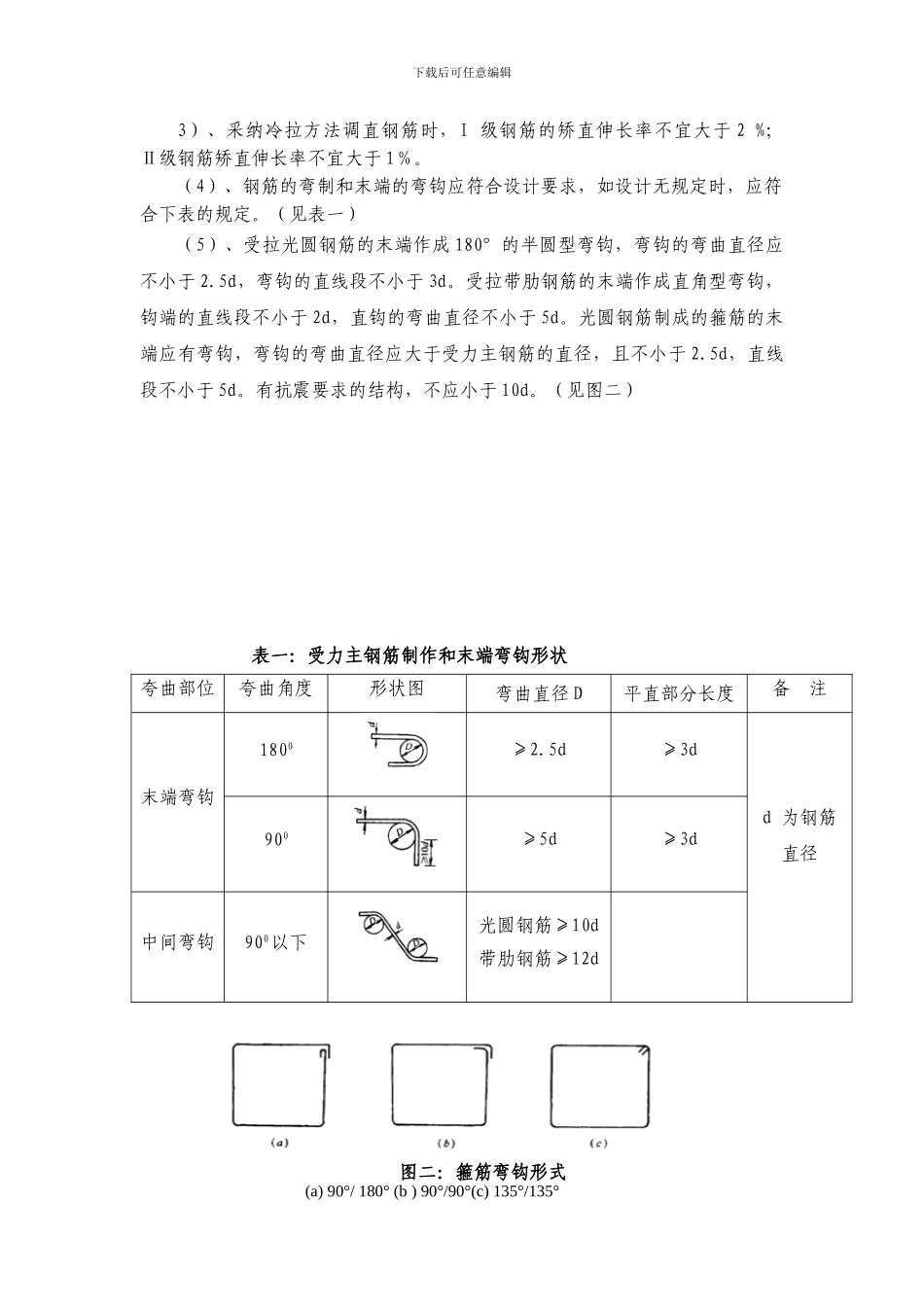
下载后可任意编辑本页为作品封面,下载后可以自由编辑删除,欢迎下载!!! 精 品文档1【精品 word 文档、可以自由编辑!】桥梁墩台施工作业指导书1、适用条件、范围本作业指导书适用于安邵高速 TJ1 标桥梁工程的墩台身施工。2、编制依据2.1 安邵高速公路 TJ1 标两阶段施工设计图第三册《桥梁、涵洞设计图》;2.2《公路桥涵施工技术法律规范》及其它交通部现行的设计法律规范、施工法律规范、验收标准等有关文件;2.3《湖南省高速公路精细化施工实施细则》;3、施工工艺下载后可任意编辑3.1、总体施工方案(1)、承台施工采纳放坡开挖,基底四周挖排水沟并采纳集水井抽水。基底超挖部分用风化岩石换填,抹砂浆垫层 5cm 至承台底。(2)、墩身采纳定型钢模板现场拼装施工,一次浇筑混凝土成型。3.2、施工工艺流程图(见图一)3.3、施工方法及要求 3.3.1、墩台测量定位确保墩台位置、尺寸符合设计要求,桥梁施工前,首先应对桥梁所在位置的路线中线进行复测。复测无误后,在现场定出控制桩。以桥梁中线控制桩或桥梁三角网控制点为基准,按规定精度测量出墩台中心的位置。控制桩采纳混凝土桩,并设混凝土保护桩。3.3.2、墩台钢筋加工与安装(1)、墩、台身钢筋加工与安装,应符合一般钢筋混凝土构筑物的基本要求。(2)、钢筋进场时应具有出厂合格证明书或试验报告,并按不同规格、等级、钢种、牌号分批验收、分别存放、设立标识牌。根据规定抽取试件进行力学,化学和可焊性试验。(3)、钢筋加工前必须调直及除锈,钢筋调直和清除污锈应符合下列要求:1)、钢筋的表面应洁净,使用前应将表面油渍、油漆污皮、鳞锈等清除洁净。2)、钢筋应平直无局部弯折,成盘的钢筋和弯曲的钢筋均应调直。承台顶面清理测量放样钢筋绑扎钢筋制作模板安装模板制作混凝土浇筑混凝土养护混凝土拌和运输拆除模板制作试件图一:桥梁墩台施工流程框图钢筋模板检查下载后可任意编辑3)、采纳冷拉方法调直钢筋时,I 级钢筋的矫直伸长率不宜大于 2 %; Ⅱ级钢筋矫直伸长率不宜大于 1%。(4)、钢筋的弯制和末端的弯钩应符合设计要求,如设计无规定时,应符合下表的规定。(见表一)(5)、受拉光圆钢筋的末端作成 180°的半圆型弯钩,弯钩的弯曲直径应不小于 2.5d,弯钩的直线段不小于 3d。受拉带肋钢筋的末端作成直角型弯钩,钩端的直线段不小于 2d,直钩的弯曲直径不小于 5d。光圆钢筋制成的箍筋的末端应有弯钩,弯钩的弯曲直径应大于受力主钢筋的直径,...

1、当您付费下载文档后,您只拥有了使用权限,并不意味着购买了版权,文档只能用于自身使用,不得用于其他商业用途(如 [转卖]进行直接盈利或[编辑后售卖]进行间接盈利)。
2、本站所有内容均由合作方或网友上传,本站不对文档的完整性、权威性及其观点立场正确性做任何保证或承诺!文档内容仅供研究参考,付费前请自行鉴别。
3、如文档内容存在违规,或者侵犯商业秘密、侵犯著作权等,请点击“违规举报”。

碎片内容

桥梁墩台施工作业指导书

领读文化+ 关注
实名认证
内容提供者

传播文化,铸就未来

确认删除?
VIP
微信客服
  • 扫码咨询
会员Q群
  • 会员专属群点击这里加入QQ群
客服邮箱
回到顶部