电脑桌面
添加小米粒文库到电脑桌面
安装后可以在桌面快捷访问

桥梁浅基础施工VIP免费

桥梁浅基础施工_第1页
1/11
桥梁浅基础施工_第2页
2/11
桥梁浅基础施工_第3页
3/11
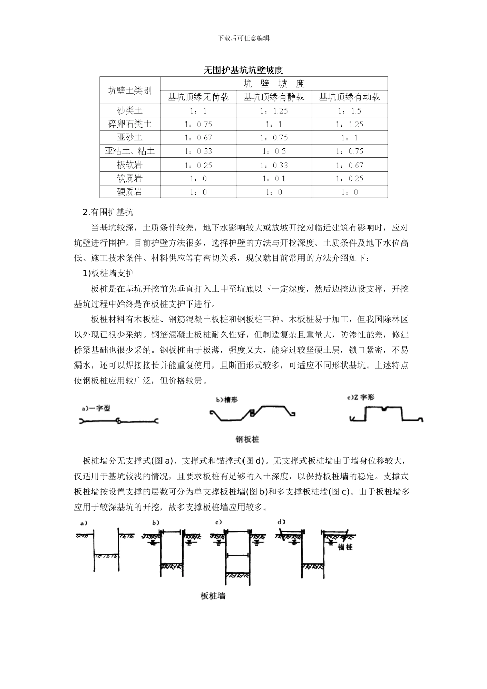
下载后可任意编辑 精品文档下载 最新资料,word 文档,可以自由编辑!!下载后可任意编辑【本页是封面,下载后可以删除!】浅基础施工 天然地基上的基础,由于埋置深度不同,采纳的施工方法、基础结构形式和设计计算方法也不相同,因而分为浅基础和深基础两类。浅基础埋入地层深度较浅,施工一般采纳敞开挖基坑修筑基础的方法,故有时称按此法施工的基础为明挖基础。浅基础在设计计算时可以忽略基础侧面土体对基础的影响,基础结构形式和施工方法也较简单。深基础埋入地层较深,结构形式和施工方法较浅基础复杂,在设计计算时需考虑基础侧面土体的影响。在深水中修筑基础,有时也可以采纳深水围堰清除覆盖层,按浅基础形式将基础直接放在基岩上。但施工方法较复杂,可采纳明挖的方法进行基坑开挖,开挖工作应尽量在枯水或少雨季节进行,且不宜间断。基坑挖至基底设计标高应立即对基底土质及坑底情况进行检验,验收合格后应尽快修筑基础,不得将基坑暴露过久。基坑可用机械或人工开挖,接近基底设计标高应留 30cm 高度由人工开挖,以免破坏基底土的结构。基坑开挖过程中要注意排水,基坑尺寸要比基底尺寸每边大 0.5m 一 1.0m,以方便设置排水沟及立模板和砌筑工作。基坑开挖时根据土质及开挖深度对坑壁予以围护或不围护,围护的方式有多种多样。水中开挖基坑还需先修筑防水围堰。 1.无围护基坑 当基坑较浅,地下水位较低或渗水量较少,不影响坑壁稳定时,坑壁可不加围护,此时可将坑壁挖成竖直或斜坡形。竖直坑壁只有在岩石地基或基坑较浅又无地下水的硬粘土中采纳。在一般土质条件下开挖基坑时,应采纳放坡开挖的方法,基坑深度在 5m 以内,施工期较短,地下水在基底以下,且土的湿度接近最佳含水量,土质构造又较均匀时,基坑坡度可参考下表选用。如地基土的湿度较大可能引起坑壁坍塌时,坑壁坡度应适当放缓。基坑顶缘有动荷载时,基坑顶缘与动荷载之间至少应留 1m 宽的护道,如地质水文条件较差,应增宽护道或实行加固等措施,以增加边坡的稳定性。基坑深度大于 5m 时,可将坑壁坡度适当放缓或加设平台。 下载后可任意编辑 2.有围护基抗 当基坑较深,土质条件较差,地下水影响较大或放坡开挖对临近建筑有影响时,应对坑壁进行围护。目前护壁方法很多,选择护壁的方法与开挖深度、土质条件及地下水位高低、施工技术条件、材料供应等有密切关系,现仅就目前常用的方法介绍如下: 1)板桩墙支护 板桩是在基坑开挖前先垂直打入土...

1、当您付费下载文档后,您只拥有了使用权限,并不意味着购买了版权,文档只能用于自身使用,不得用于其他商业用途(如 [转卖]进行直接盈利或[编辑后售卖]进行间接盈利)。
2、本站所有内容均由合作方或网友上传,本站不对文档的完整性、权威性及其观点立场正确性做任何保证或承诺!文档内容仅供研究参考,付费前请自行鉴别。
3、如文档内容存在违规,或者侵犯商业秘密、侵犯著作权等,请点击“违规举报”。

碎片内容

桥梁浅基础施工

确认删除?
VIP
微信客服
  • 扫码咨询
会员Q群
  • 会员专属群点击这里加入QQ群
客服邮箱
回到顶部