电脑桌面
添加小米粒文库到电脑桌面
安装后可以在桌面快捷访问

桩基首件施工方案VIP免费

桩基首件施工方案_第1页
1/18
桩基首件施工方案_第2页
2/18
桩基首件施工方案_第3页
3/18
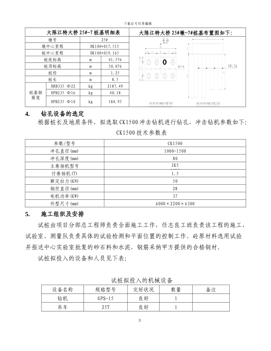
下载后可任意编辑桩基首件施工方案1.编制目的为保证桩基工程施工质量、确定最优施工方案,更好的为其他桩基施工提供依据,我部选择大陈江特大桥 25#墩-7#桩基作为我标段桩基施工的首件工程,我们将通过大陈江特大桥 25#墩-7#桩基首件工程的实施,总结出适合本分部桩基施工的施工工艺,对重点、难点部位实行控制措施。2.编制依据⑴《杭长铁路客运专线浙江段“首件负责制”实施办法》沪昆浙安函【2024】50 号⑵ 铁四院下发的设计资料、设计图纸、设计文件。⑶《铁路混凝土工程施工质量验收标准》(TB10424-2024)⑷《高速铁路桥涵工程施工质量验收标准》(TB10752-2024)⑸《高速铁路桥涵工程施工施工技术指南》(铁建设【2024】241 号⑹ 本单位积累的类似工程的施工经验。3.工程概况3.1桥梁工程概况我分部共包括桥梁 15 座:蔡家畈特大桥、球山大桥、球山特大桥、大陈村大桥、大陈江特大桥、官塘顶特大桥、浦江特大桥、郑家坞 2 号大桥、郑家坞 3 号大桥、郑家坞 4 号大桥、大陈江特大桥、大陈江特大桥、金都大桥、潘塘中桥、稠下线 1 号大桥。序号桥段设计情况已明确桩基墩台设计参数根数混凝土标号墩台数桩基个数墩台数桩基个数桩基总长度≤10m>10m1蔡家畈特大桥38304383043718129175C402球山大桥12100121001392.52575C353球山特大桥20165201653266165C354霞丽村大桥542542473.52616C351下载后可任意编辑序号桥段设计情况已明确桩基墩台设计参数根数混凝土标号5安华特大桥2016220162213817145C356官塘顶大桥161281612813856662C307浦江特大桥71525715255796.5250275C40+密实剂8郑家坞 2 号大桥6576575414314c40+密实剂9郑家坞 3 号大桥11941194926.55836C3510郑家坞 4 号大桥6386384351028C3511大陈江特大桥51451514516300.5137314C3512大陈江特大桥28222282223498.540182C3513金都大桥1615216152209728124C3514潘塘中桥434434484.5925C40+密15稠下线 1 号大桥544544575836C35合计3092518309251833027.584616723.2桩基首件工程概况桩基首件工程选用大陈江特大桥 25-7 桩基,根据地质及勘探资料,25#墩地质情况为地下 0.27 米为全风化凝灰岩;地下 2.7 米到 4.57 米为强风化凝灰岩;地下 5.57 米到 9.2 米为弱风化凝灰岩。该墩位于义乌市大陈镇贝克曼集团后面,现场地势平坦,施工便道已经拉通,施工条件较好,且能代表该段地质情况,因此首根桩拟选定为 25#墩 7#桩,该桩桩径 1.25 米,桩长 8.5 米,...

1、当您付费下载文档后,您只拥有了使用权限,并不意味着购买了版权,文档只能用于自身使用,不得用于其他商业用途(如 [转卖]进行直接盈利或[编辑后售卖]进行间接盈利)。
2、本站所有内容均由合作方或网友上传,本站不对文档的完整性、权威性及其观点立场正确性做任何保证或承诺!文档内容仅供研究参考,付费前请自行鉴别。
3、如文档内容存在违规,或者侵犯商业秘密、侵犯著作权等,请点击“违规举报”。

碎片内容

桩基首件施工方案

确认删除?
VIP
微信客服
  • 扫码咨询
会员Q群
  • 会员专属群点击这里加入QQ群
客服邮箱
回到顶部