电脑桌面
添加小米粒文库到电脑桌面
安装后可以在桌面快捷访问

桩顶与承台连接施工方案VIP免费

桩顶与承台连接施工方案_第1页
1/11
桩顶与承台连接施工方案_第2页
2/11
桩顶与承台连接施工方案_第3页
3/11
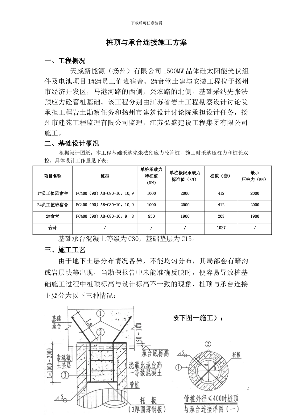
下载后可任意编辑天威新能源(扬州)有限公司1500MW 晶体硅太阳能光伏组件及电池项目1#2#员工值班宿舍、2#食堂土建与安装工程桩顶与承台连接施工方案编制人: 审核人: 审批人: 编制单位:江苏弘盛建设工程集团有限公司编制日期:2024 年 5 月 1 日 江苏弘盛建设工程集团有限公司1下载后可任意编辑桩顶与承台连接施工方案一、工程概况 天威新能源(扬州)有限公司 1500MW 晶体硅太阳能光伏组件及电池项目 1#2#员工值班宿舍、2#食堂土建与安装工程位于扬州市经济开发区,马港河路的西侧,兴农路的北侧。基础采纳先张法预应力砼管桩基础。该工程分别由江苏省岩土工程勘察设计讨论院承担工程岩土勘察任务和扬州市建筑设计讨论院承担设计任务,扬州市建苑工程监理有限公司监理,江苏弘盛建设工程集团有限公司施工。二、基础设计概况根据设计图纸,本工程基础采纳先张法预应力砼管桩,施工时采纳压桩力和桩长双控。具体设计工作量见下表:项目名称桩型单桩承载力特征值(KN)单桩极限承载力标准值(KN)桩数(套)最小压桩力(KN)1#员工值班宿舍PC400(90)AB-C80-10,10,91000200041220002#员工值班宿舍PC400(90)AB-C80-10,10,91000200041220002#食堂PC400(90)AB-C80-10,9,895019002031900合计///1027/基础承台混凝土等级为 C30,基础垫层为 C15。三、施工工艺由于地下土层分布情况各异,不能均匀分布,其局部会有暗沟或岩层块等出现,当勘探报告中未能准确反映时,便容易导致桩基础施工过程中桩顶标高与设计标高不一致的现象,桩顶与承台连接主要分为以下三种情况:1、当桩顶高于设计标高需要截桩时(按下图一施工):江苏弘盛建设工程集团有限公司2下载后可任意编辑1.1、为保证管桩在敲打过程中的结构完整,应在设置托板及放入钢筋骨架后,首先浇灌桩顶设计标高以下要求灌实范围内的混凝土(管桩内空洞范围);浇灌混凝土前,应将管桩内表面的浮浆清除掉并清洗洁净,其强度等级比承台提高一级,待浇灌的混凝土达到 70%设计强度后,方可凿去桩顶设计标高以上多余部分,伸入承台内的管桩表面应凿毛并应在浇灌承台混凝土前,将桩表面清洗洁净,在刷一道不低于 42.5 级的素水泥浆一道。1.2、图中①号连接主筋应与②号筋焊牢,且锚入承台内的受拉锚固长度 La 取值为 35d。1.3、管桩与承台连接详图中各部分尺寸为:D=210,d=150;①号筋为420,②号筋为28,③号筋为6@250;1.4、管桩桩顶被灌实的长度 L 为 1500m...

1、当您付费下载文档后,您只拥有了使用权限,并不意味着购买了版权,文档只能用于自身使用,不得用于其他商业用途(如 [转卖]进行直接盈利或[编辑后售卖]进行间接盈利)。
2、本站所有内容均由合作方或网友上传,本站不对文档的完整性、权威性及其观点立场正确性做任何保证或承诺!文档内容仅供研究参考,付费前请自行鉴别。
3、如文档内容存在违规,或者侵犯商业秘密、侵犯著作权等,请点击“违规举报”。

碎片内容

桩顶与承台连接施工方案

您可能关注的文档

确认删除?
VIP
微信客服
  • 扫码咨询
会员Q群
  • 会员专属群点击这里加入QQ群
客服邮箱
回到顶部