电脑桌面
添加小米粒文库到电脑桌面
安装后可以在桌面快捷访问

污水项目的施工组织设计VIP免费

污水项目的施工组织设计_第1页
1/8
污水项目的施工组织设计_第2页
2/8
污水项目的施工组织设计_第3页
3/8
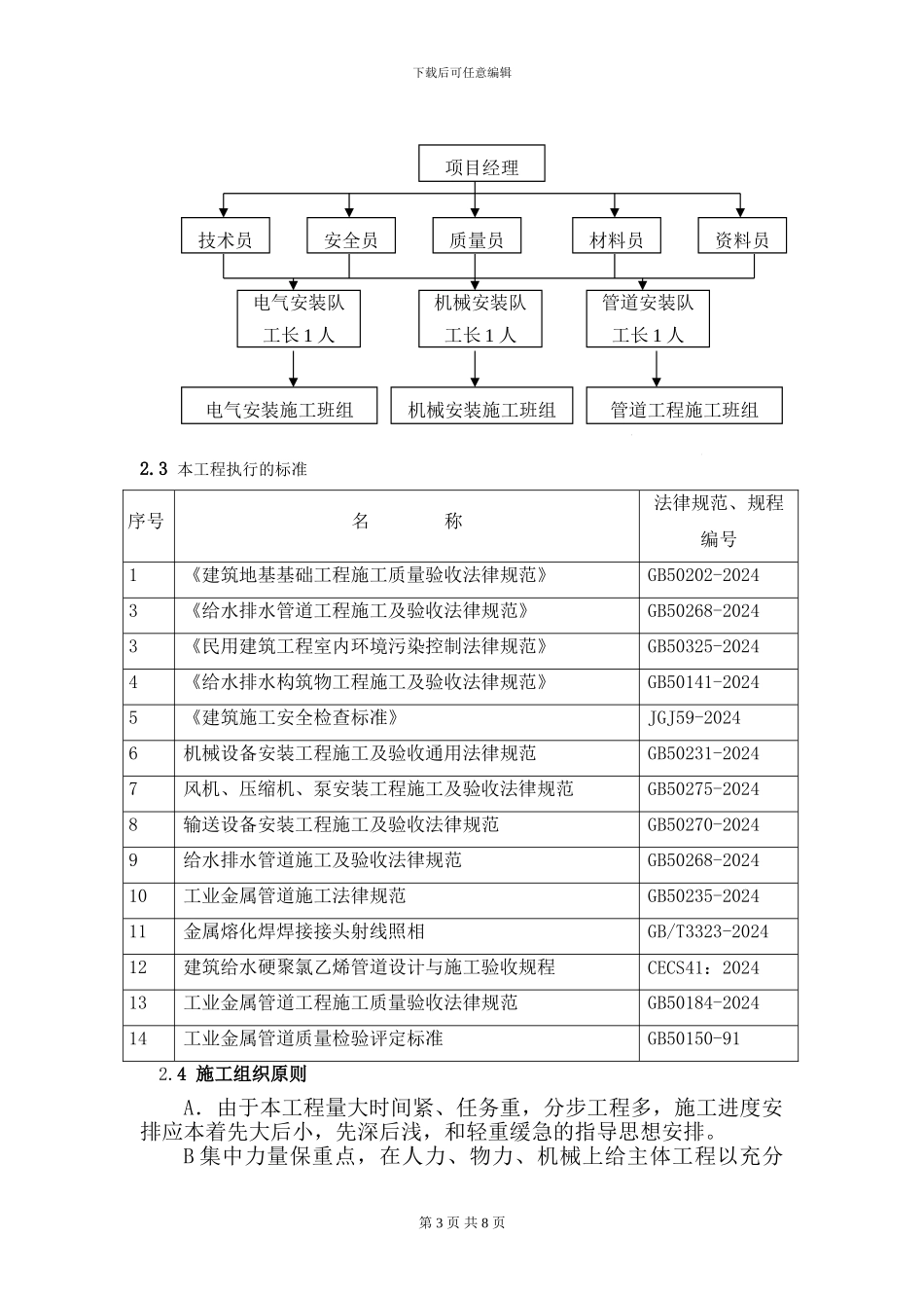
下载后可任意编辑设备安装工程施工组织设计第 1 页 共 8 页下载后可任意编辑东营污水项目设备安装施工组织设计1 编制依据及原则1.1 编制依据A.业主所提供的有关资料。B.近年来我公司同类工程的施工经验、技术力量、管理经验。C.踏勘现场所了解的具体情况。1.2 编制原则A.依据业主的要求结合本工程实际情况及特点,按以下原则编制本施工组织设计。a)按合同约定履行责任和义务,以业主的满意为努力的方向。b)积极配合和接受监理工程师和质检部门的监督检查,向业主提供满意的产品,履行公司对工程质量的承诺。c)精心组织、精心施工,科学管理,以先进的施工技术,成熟的施工经验,切实可行的施工措施,确保本项目保质、按期交工。d)合理安排施工工期,充分利用项目的特点,使项目施工紧张、均衡、安全、文明、有序地进行。2 施工部署及平面布置2.1 工程概况A.中海石油东营石化有限公司 2400T/D 污水处理装置,工艺、电气、自控与仪表设备的安装工程,由 XXXX 集团有限公司设计,XXXX 集团有限公司施工。B.工程主要内容:污水厂工艺设备的安装;工艺管线施工;电气安装施工;C.工艺简介该工程主要为中海石油东营石化有限公司 2400T/D 污水处理工程。水处理站规模:2400m3/d,(满足达标排放、回用标准); 2.2 施工总部署 ① 本工程建成将十分有利于环境保护和经济进展,本着结构合理精干高效的原则,在全公司范围内精选高素养人才和管理精英组建污水厂处理厂项目经理部,项目经理受公司法人代表委托,向公司法人代表负责,全面履行工程合同,对工程质量、工期、安全和文明施工等进行有计划的组织协调和管理。② 项目经理部组织机构第 2 页 共 8 页下载后可任意编辑2.3 本工程执行的标准序号名 称法律规范、规程编号1《建筑地基基础工程施工质量验收法律规范》GB50202-20243《给水排水管道工程施工及验收法律规范》GB50268-20243《民用建筑工程室内环境污染控制法律规范》GB50325-20244《给水排水构筑物工程施工及验收法律规范》GB50141-20245《建筑施工安全检查标准》JGJ59-20246机械设备安装工程施工及验收通用法律规范GB50231-20247风机、压缩机、泵安装工程施工及验收法律规范GB50275-20248输送设备安装工程施工及验收法律规范GB50270-20249给水排水管道施工及验收法律规范GB50268-202410工业金属管道施工法律规范GB50235-202411金属熔化焊焊接接头射线照相GB/T3323-202412建筑给水硬聚氯乙烯管道设计与...

1、当您付费下载文档后,您只拥有了使用权限,并不意味着购买了版权,文档只能用于自身使用,不得用于其他商业用途(如 [转卖]进行直接盈利或[编辑后售卖]进行间接盈利)。
2、本站所有内容均由合作方或网友上传,本站不对文档的完整性、权威性及其观点立场正确性做任何保证或承诺!文档内容仅供研究参考,付费前请自行鉴别。
3、如文档内容存在违规,或者侵犯商业秘密、侵犯著作权等,请点击“违规举报”。

碎片内容

污水项目的施工组织设计

您可能关注的文档

确认删除?
VIP
微信客服
  • 扫码咨询
会员Q群
  • 会员专属群点击这里加入QQ群
客服邮箱
回到顶部