电脑桌面
添加小米粒文库到电脑桌面
安装后可以在桌面快捷访问

注浆施工方案修改VIP免费

注浆施工方案修改_第1页
1/7
注浆施工方案修改_第2页
2/7
注浆施工方案修改_第3页
3/7
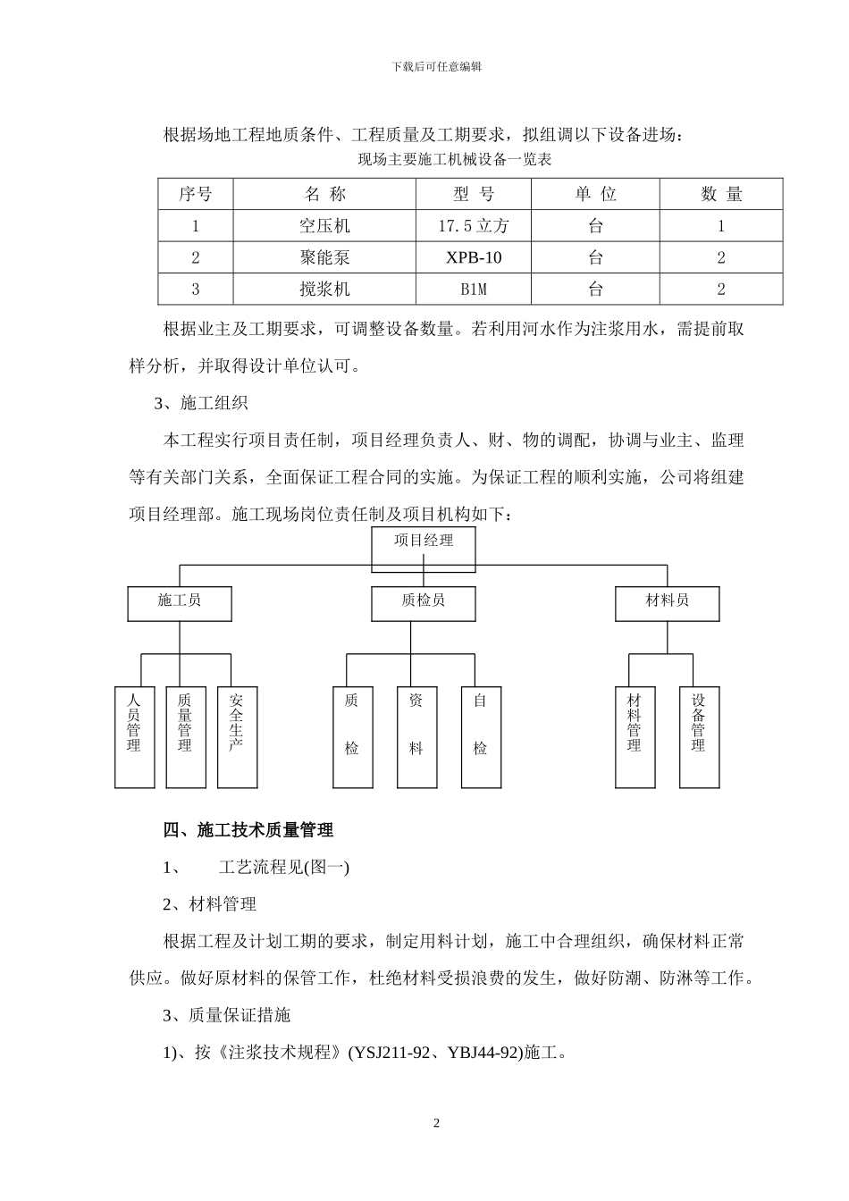
下载后可任意编辑注浆施工方案一、 工程概况某厂房基础及水泥砼路面已发生沉降,上部 20cm 混凝土面层有裂缝及下部有空洞出现。基础下部为杂填土,深度>10m。应甲方要求做临时加固,目地为减小沉降量及填充空洞部分。拟采纳间隔注浆方法进行加固。二、路基加固设计要求1、对于旧砼面板的处理:现状板块处理后进行板底注浆加固,采纳补强路面结构加铺。若注浆后达不到设计要求,应进行复注。2、注浆孔按梅花形布置,间距 4m×4m。4、注浆压力控制在 0.4Kpa,如地面冒浆而压力不能满足要求时,应进行复注,以到达要求。5、注浆材料宜选择流动性高、具有一定微膨胀能力的水泥浆。主要技术性能应达到如下要求:A:具有自流淌密实性;B:早期具有一定维膨胀性能。C:初凝时间不早于 2 小时,终凝时间不超过 3.5 小时;6、注浆孔可用风镐、钢钎打孔(路面表面不宜拓孔),打孔后在孔顶埋设注浆口。7、注浆应先四周,后中间。水泥浆搅拌时间大于 60s。三、压密度注浆加固面积1、 施工准备工作甲方协调施工现场水和电接通工作,办好施工许可证。乙方搭设好临时设施,组织人员、机械设备及材料进场及法律规范要求,原材料取样送检,实验合格后方可使用。2、主要施工机具1下载后可任意编辑根据场地工程地质条件、工程质量及工期要求,拟组调以下设备进场:现场主要施工机械设备一览表序号名 称型 号单 位数 量1空压机17.5 立方台12聚能泵XPB-10台23搅浆机B1M台2根据业主及工期要求,可调整设备数量。若利用河水作为注浆用水,需提前取样分析,并取得设计单位认可。3、施工组织本工程实行项目责任制,项目经理负责人、财、物的调配,协调与业主、监理等有关部门关系,全面保证工程合同的实施。为保证工程的顺利实施,公司将组建项目经理部。施工现场岗位责任制及项目机构如下:四、施工技术质量管理1、工艺流程见(图一)2、材料管理根据工程及计划工期的要求,制定用料计划,施工中合理组织,确保材料正常供应。做好原材料的保管工作,杜绝材料受损浪费的发生,做好防潮、防淋等工作。3、质量保证措施1)、按《注浆技术规程》(YSJ211-92、YBJ44-92)施工。2项目经理施工员质检员材料员人员管理质量管理安全生产质检资料自检材料管理设备管理下载后可任意编辑2)、施工用水泥原材料必须有出厂合格证并进行复试,合格后方能用于工程施工。3)、施工时先进行注浆封边,确保浆液不扩散到加固以外,在孔口周围封堵,谨防浆液外窜。4)、注浆时采纳“间隔跳...

1、当您付费下载文档后,您只拥有了使用权限,并不意味着购买了版权,文档只能用于自身使用,不得用于其他商业用途(如 [转卖]进行直接盈利或[编辑后售卖]进行间接盈利)。
2、本站所有内容均由合作方或网友上传,本站不对文档的完整性、权威性及其观点立场正确性做任何保证或承诺!文档内容仅供研究参考,付费前请自行鉴别。
3、如文档内容存在违规,或者侵犯商业秘密、侵犯著作权等,请点击“违规举报”。

碎片内容

注浆施工方案修改

您可能关注的文档

确认删除?
VIP
微信客服
  • 扫码咨询
会员Q群
  • 会员专属群点击这里加入QQ群
客服邮箱
回到顶部