电脑桌面
添加小米粒文库到电脑桌面
安装后可以在桌面快捷访问

混凝土杆及钢管塔组立施工四措VIP免费

混凝土杆及钢管塔组立施工四措_第1页
1/10
混凝土杆及钢管塔组立施工四措_第2页
2/10
混凝土杆及钢管塔组立施工四措_第3页
3/10
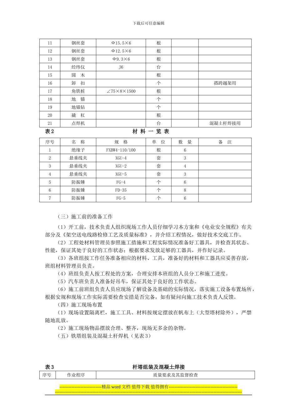
下载后可任意编辑混凝土杆及钢管塔组立施工四措一、工程概况二、组织措施(一)施工现场组织机构工程负责人:负责本工程的全部领导工作,为本工程的第一安全责任人。技术负责人:负责本工程的技术及质量工作,保证工程质量达到合格标准。安全负责人:协助班长做好安全监督工作。材料员:材料管理与分发。安全监督员:现场安全监督。施工班组:随班民工与正式员工相同的职责和义务。(二)任务分工检修队:铁塔的安装。 运行队:负责验收。汽车队:负责运输。 (三)计划工作时间根据 xx 供电局停电计划安排,综合各工序,确定工作时间。三、技术措施 (一)输电线路施工执行技术标准(1)GBJ233—1990《110~500kV 架空电力线路施工及验收法律规范》(2)《架空送电线路检修工艺及质量标准》(二)主要施工器具、材料(见表 1~表 2)表 1 组立杆塔工器具一览表序号名 称规 格单 位数 量备 注1机动绞磨5t 级台2抱 杆铝合金根3起重滑车3t 双轮个起 吊4起重滑车3t 单轮个起吊、转向5起重滑车2t 单轮个腰滑车6起重滑车1t 单轮个上下传递东西7钢丝绳Ф12.5×150根起 吊8钢丝绳Ф12.5×24根补 强9钢丝绳Ф9.3×100根外拉绳10棕 绳Ф12.5×100根拉片绳 续表序号名 称规 格单 位数 量备 注----------------------------精品 word 文档 值得下载 值得拥有---------------------------------------------------------------------------------------------------------------------------------------------------------------------------下载后可任意编辑11钢丝套Ф15.5×6根12钢丝套Ф12.5×6根13钢丝套Ф9.3×6根14经纬仪J6台15圆 木根16卸 扣个搭跨越架用17角铁桩∠75×8×1500根18地 锚个19地锚钻个20撬 杠根21点焊机台混凝土杆焊接用表 2 材 料 一 览 表序号名 称规 格单 位数 量备 注1绝缘子FXBW4-110/100根62悬垂线夹XGU-4套33悬垂线夹XGU-2套44悬垂线夹XGU-5套35防振锤FG-4个66防振锤FD-35个87防振锤FG-5个6(三)施工前的准备工作(1)开工前,技术负责人组织现场工作人员仔细学习本方案和《电业安全规程》有关部分及《架空送电线路检修工艺及质量标准》,并介绍工程情况,做好技术交底工作。(2)工程处材料管理员参照施工措施和工程实际情况准备好工器具,并检查其状态、性能,保证其处于良好的工作状态;根据要求发放足够的工器具,并作好记录。(3)各班组按工作任务准备相应的材料、工具...

1、当您付费下载文档后,您只拥有了使用权限,并不意味着购买了版权,文档只能用于自身使用,不得用于其他商业用途(如 [转卖]进行直接盈利或[编辑后售卖]进行间接盈利)。
2、本站所有内容均由合作方或网友上传,本站不对文档的完整性、权威性及其观点立场正确性做任何保证或承诺!文档内容仅供研究参考,付费前请自行鉴别。
3、如文档内容存在违规,或者侵犯商业秘密、侵犯著作权等,请点击“违规举报”。

碎片内容

混凝土杆及钢管塔组立施工四措

您可能关注的文档

确认删除?
VIP
微信客服
  • 扫码咨询
会员Q群
  • 会员专属群点击这里加入QQ群
客服邮箱
回到顶部