电脑桌面
添加小米粒文库到电脑桌面
安装后可以在桌面快捷访问

2014年度现行建筑行业标准图集清单VIP免费

2014年度现行建筑行业标准图集清单_第1页
1/12
2014年度现行建筑行业标准图集清单_第2页
2/12
2014年度现行建筑行业标准图集清单_第3页
3/12
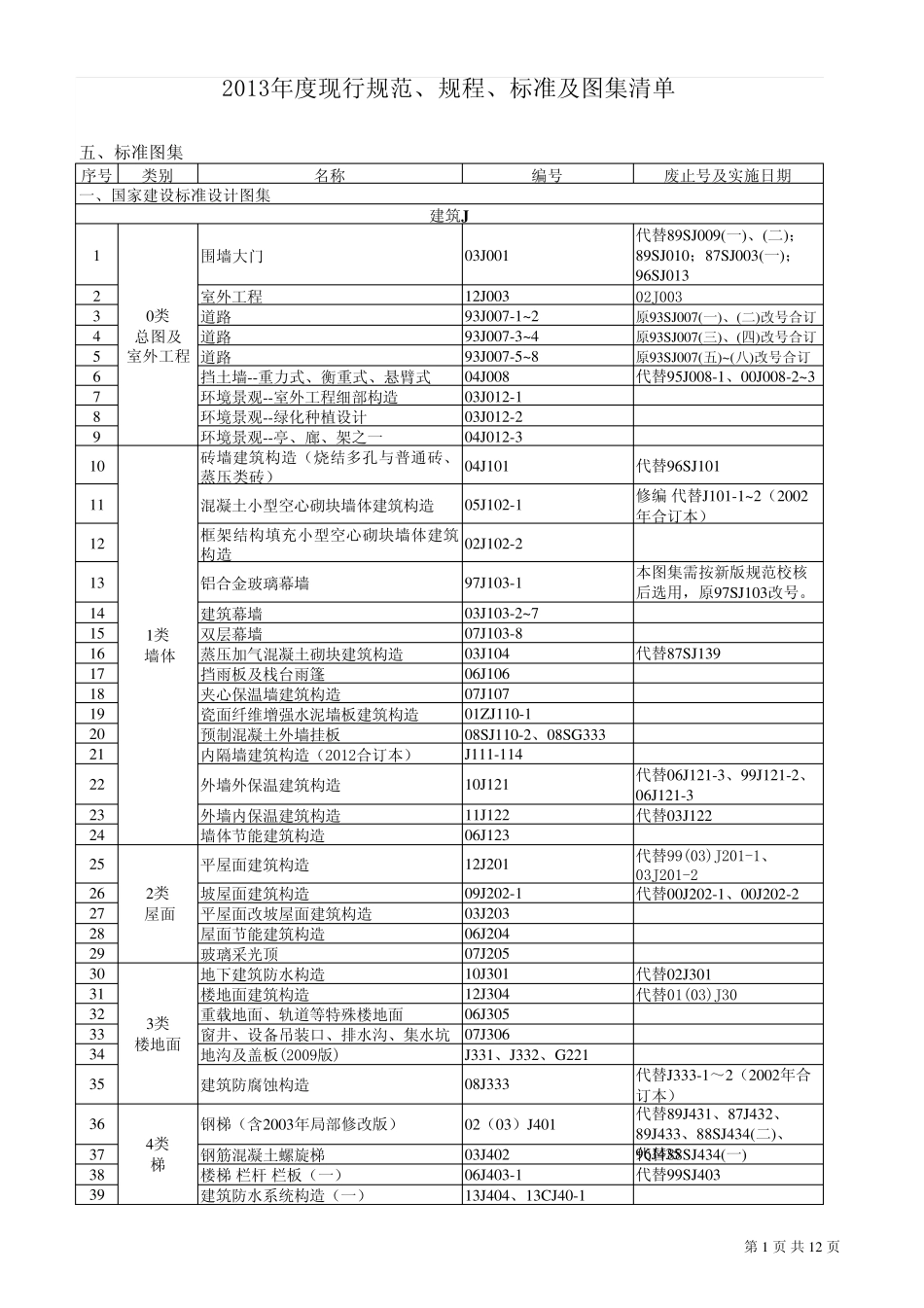
序号类别名称编号废止号及实施日期1围墙大门03J001代替89SJ009(一)、(二);89SJ010;87SJ003(一);96SJ0132室外工程12J00302J0033道路93J007-1~2原93SJ007(一)、(二)改号合订4道路93J007-3~4原93SJ007(三)、(四)改号合订5道路93J007-5~8原93SJ007(五)~(八)改号合订6挡土墙--重力式、衡重式、悬臂式04J008代替95J008-1、00J008-2~37环境景观--室外工程细部构造03J012-18环境景观--绿化种植设计03J012-29环境景观--亭、廊、架之一04J012-310砖墙建筑构造(烧结多孔与普通砖、蒸压类砖)04J101代替96SJ10111混凝土小型空心砌块墙体建筑构造05J102-1修编 代替J101-1~2(2002年合订本)12框架结构填充小型空心砌块墙体建筑构造02J102-213铝合金玻璃幕墙97J103-1本图集需按新版规范校核后选用,原97SJ103改号。14建筑幕墙03J103-2~715双层幕墙07J103-816蒸压加气混凝土砌块建筑构造03J104代替87SJ13917挡雨板及栈台雨篷06J10618夹心保温墙建筑构造07J10719瓷面纤维增强水泥墙板建筑构造01ZJ110-120预制混凝土外墙挂板08SJ110-2、08SG33321内隔墙建筑构造(2012合订本)J111-11422外墙外保温建筑构造10J121代替06J121-3、99J121-2、06J121-323外墙内保温建筑构造11J122代替03J12224墙体节能建筑构造06J12325平屋面建筑构造12J201代替99(03)J201-1、03J201-226坡屋面建筑构造09J202-1代替00J202-1、00J202-227平屋面改坡屋面建筑构造03J20328屋面节能建筑构造06J20429玻璃采光顶07J20530地下建筑防水构造10J301代替02J30131楼地面建筑构造12J304代替01(03)J30432重载地面、轨道等特殊楼地面06J30533窗井、设备吊装口、排水沟、集水坑07J30634地沟及盖板(2009版)J331、J332、G22135建筑防腐蚀构造08J333代替J333-1~2(2002年合订本)36钢梯(含2003年局部修改版)02(03)J401代替89J431、87J432、89J433、88SJ434(二)、96J43537钢筋混凝土螺旋梯03J402代替88SJ434(一)38楼梯 栏杆 栏板(一)06J403-1代替99SJ40339建筑防水系统构造(一)13J404、13CJ40-13类楼地面4类梯一、国家建设标准设计图集1类 墙体2013年度现行规范、规程、标准及图集清单建筑J五、标准图集0类总图及室外工程2类 屋面第 1 页 共 12 页序号类别名称编号废止号及实施日期五、标准图集40钢雨篷(一)玻璃面板07J501-141内装修--墙面装修12J502-142内装修--室内吊顶13J502-243内装修--楼(地)面装修13J502-344常用建筑色02J503-145隔断 隔断墙(一)07SJ504-146外装修(一)...

1、当您付费下载文档后,您只拥有了使用权限,并不意味着购买了版权,文档只能用于自身使用,不得用于其他商业用途(如 [转卖]进行直接盈利或[编辑后售卖]进行间接盈利)。
2、本站所有内容均由合作方或网友上传,本站不对文档的完整性、权威性及其观点立场正确性做任何保证或承诺!文档内容仅供研究参考,付费前请自行鉴别。
3、如文档内容存在违规,或者侵犯商业秘密、侵犯著作权等,请点击“违规举报”。

碎片内容

2014年度现行建筑行业标准图集清单

您可能关注的文档

小辰8+ 关注
实名认证
内容提供者

出售各种资料和文档

确认删除?
VIP
微信客服
  • 扫码咨询
会员Q群
  • 会员专属群点击这里加入QQ群
客服邮箱
回到顶部