电脑桌面
添加小米粒文库到电脑桌面
安装后可以在桌面快捷访问

机械设计基础习题及答案剖析VIP免费

机械设计基础习题及答案剖析_第1页
1/23
机械设计基础习题及答案剖析_第2页
2/23
机械设计基础习题及答案剖析_第3页
3/23
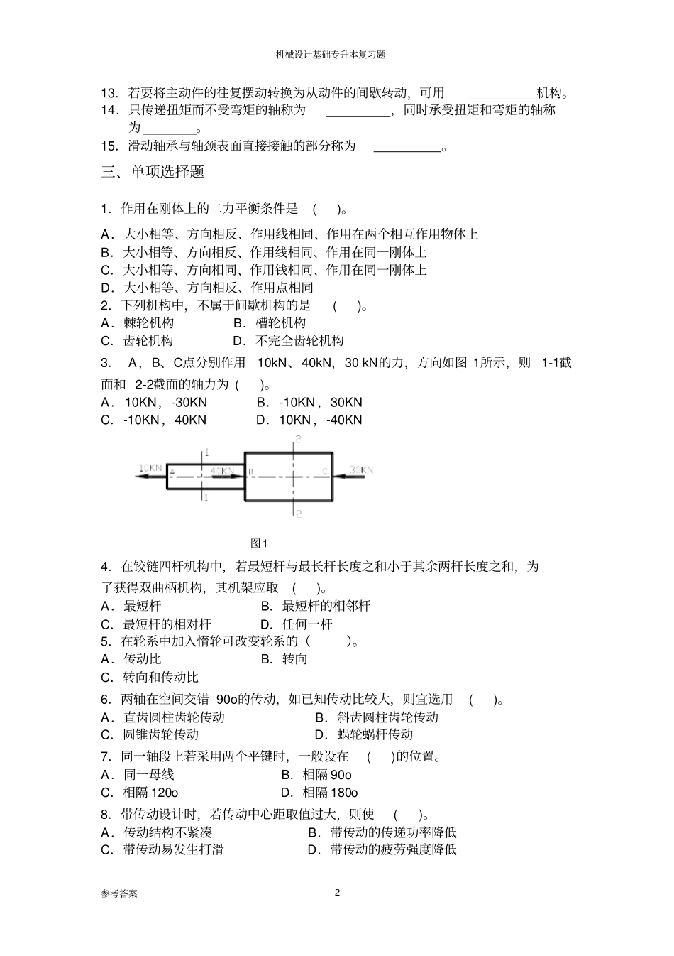
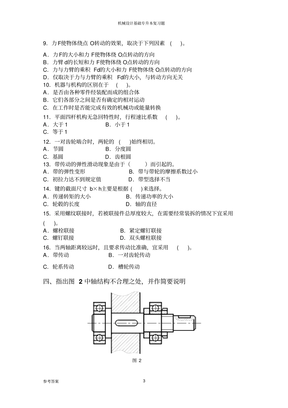
机械设计基础专升本复习题参考答案1 机械设计基础专升本复习题(一)一、判断题:正确的打符号√,错误的打符号×1.在实际生产中,有时也利用机构的" 死点" 位置夹紧工件。 ( ) 2. 机构具有确定的运动的条件是:原动件的个数等于机构的自由度数。 ( ) 3.若力的作用线通过矩心,则力矩为零。 ( ) 4.平面连杆机构中,连杆与从动件之间所夹锐角称为压力角。 ( ) 5.带传动中,打滑现象是不可避免的。 ( ) 6.在平面连杆机构中,连杆与曲柄是同时存在的,即只要有连杆就一定有曲柄。( ) 7.标准齿轮分度圆上的齿厚和齿槽宽相等。 ( ) 8.平键的工作面是两个侧面。 ( ) 9.连续工作的闭式蜗杆传动需要进行热平衡计算,以控制工作温度。 ( ) 10.螺纹中径是螺纹的公称直径。 ()11.刚体受三个力作用处于平衡时,这三个力的作用线必交于一点。( ) 12.在运动副中,高副是点接触,低副是线接触。 ( ) 13.曲柄摇杆机构以曲柄或摇杆为原动件时,均有两个死点位置。 ( ) 14.加大凸轮基圆半径可以减少凸轮机构的压力角。 ( ) 15.渐开线标准直齿圆柱齿轮不产生根切的最少齿数是15。 ( ) 16.周转轮系的自由度一定为1。 ( ) 17.将通过蜗杆轴线并与蜗轮轴线垂直的平面定义为中间平面。 ( ) 18.代号为 6205 的滚动轴承,其内径为25mm。 ( ) 19.在 V 带传动中,限制带轮最小直径主要是为了限制带的弯曲应力。 ( ) 20.利用轴肩或轴环是最常用和最方便可靠的轴上固定方法。( ) 二、填空题1.直齿圆柱齿轮的正确啮合条件是相等,相等。2.螺杆相对于螺母转过一周时,它们沿轴线方向相对移动的距离称为。3.在 V 带传动设计中,为了限制带的弯曲应力,应对带轮的加以限制。4.硬齿面齿轮常用渗碳淬火来得到,热处理后需要加工。5.要将主动件的连续转动转换为从动件的间歇转动,可用机构。6.轴上零件的轴向固定方法有、、、等。7.常用的滑动轴承材料分为、、三类。8.齿轮轮齿的切削加工方法按其原理可分为和两类。9.凸轮机构按从动件的运动形式和相对位置分类,可分为直动从动件凸轮机构和凸轮机构。10.带传动的主要失效形式是、及带与带轮的磨损。11.蜗杆传动对蜗杆导程角和蜗轮螺旋角的要求是两者大小和旋向。闭式蜗杆传动必须进行以控制油温。12.软齿面齿轮常用中碳钢或中碳合金钢制造,其中大齿轮一般经处理,而小齿轮采用处理。机械设计基础专升本复习题参考答案2 13.若要...

1、当您付费下载文档后,您只拥有了使用权限,并不意味着购买了版权,文档只能用于自身使用,不得用于其他商业用途(如 [转卖]进行直接盈利或[编辑后售卖]进行间接盈利)。
2、本站所有内容均由合作方或网友上传,本站不对文档的完整性、权威性及其观点立场正确性做任何保证或承诺!文档内容仅供研究参考,付费前请自行鉴别。
3、如文档内容存在违规,或者侵犯商业秘密、侵犯著作权等,请点击“违规举报”。

碎片内容

机械设计基础习题及答案剖析

确认删除?
VIP
微信客服
  • 扫码咨询
会员Q群
  • 会员专属群点击这里加入QQ群
客服邮箱
回到顶部