电脑桌面
添加小米粒文库到电脑桌面
安装后可以在桌面快捷访问

机械设计输送传动装置设计书VIP免费

机械设计输送传动装置设计书_第1页
1/21
机械设计输送传动装置设计书_第2页
2/21
机械设计输送传动装置设计书_第3页
3/21
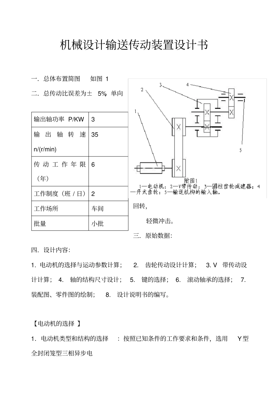
机械设计输送传动装置设计书一.总体布置简图如图 1 二.总传动比误差为±5%,单向回转,轻微冲击。三.原始数据:四.设计内容:1. 电动机的选择与运动参数计算; 2. 齿轮传动设计计算; 3. V带传动设计计算; 4. 轴的结构尺寸设计; 5. 键的选择; 6. 滚动轴承的选择; 7. 装配图、零件图的绘制; 8. 设计说明书的编写。【电动机的选择 】1.电动机类型和结构的选择:按照已知条件的工作要求和条件,选用Y型全封闭笼型三相异步电输出轴功率 P/KW 3 输出轴转速n/(r/min) 35 传 动 工 作 年 限(年)6 工作制度(班 / 日) 2 工作场所车间批量小批动机。2.电动机容量的选择:工作机所需功率: Pw=3kW 电动机的输出功率: Pd=Pw/η ,η ≈ 0.82 ,Pd=3.66kW 电动机转速的选择: nw=35r/min,V带传动比 i1=2 — 4,单级齿轮传动比i2=3 — 5(查表 2.3 ) nd =(i1 ×i2 ×i2 )nw。电动机转速范围为630— 3500r/min 3.电动机型号确定: 由附录八查出符合条件的电动机型号, 并根据轮廓尺寸、重量、成本、传动比等因素的考虑,最后确定选定Y112M— 4 型号的电动机,额度功率为4KW,满载转速 1440r/min 【计算总传动比和分配传动比】1.由选定电动机的满载转速nm和输出轴转速 nw,总传动比为 i=nm/nw,得i=41.14 2.合理分配各级传动比: V 带传动比 i1=3 ,闭合齿轮传动比i2=3.5 ,开式齿轮传动比 i3=3.92 3.运动和动力参数计算结果列于下表:项 目电动机轴轴 I 轴 II 轴 III 转速(r/min )1440 480 137 35 功率( kW)3.66 3.48 3.31 3.01 转矩(N· m) 24.27 69.20 230.18 821.83 传动比3 3.5 3.92 效率0.96 0.96 0.92 【传动件设计计算】减速器齿轮设计:1.按表 11.8 选择齿轮材料小齿轮材料为 45 钢调质,硬度为220— 250HBS 大齿轮材料为 45 钢正火,硬度为170— 210HBS 2.因为是普通减速器,由表11.20 选用 9 级精度,要求齿面粗糙度Ra=6.3 3.按齿面接触疲劳强度设计确定有关参数与系数:转矩: T=69154 N·mm 查表 11.10 得:载荷系数 K=1.1 选小齿轮齿数 Z1=30,则大齿轮齿数 Z2=iZ1=3.5 ×30=105。实际齿数比u=3.5 因单级直齿圆柱齿轮为对称布置,又为软齿面,由表11.19 选取 φ d(齿宽系数) =1 4.许应接触应力 [ σ H]:由图 11.23 查得σ Hlim1=560MPa σ Hlim2=530MPa...

1、当您付费下载文档后,您只拥有了使用权限,并不意味着购买了版权,文档只能用于自身使用,不得用于其他商业用途(如 [转卖]进行直接盈利或[编辑后售卖]进行间接盈利)。
2、本站所有内容均由合作方或网友上传,本站不对文档的完整性、权威性及其观点立场正确性做任何保证或承诺!文档内容仅供研究参考,付费前请自行鉴别。
3、如文档内容存在违规,或者侵犯商业秘密、侵犯著作权等,请点击“违规举报”。

碎片内容

机械设计输送传动装置设计书

确认删除?
VIP
微信客服
  • 扫码咨询
会员Q群
  • 会员专属群点击这里加入QQ群
客服邮箱
回到顶部