电脑桌面
添加小米粒文库到电脑桌面
安装后可以在桌面快捷访问

某中型制造业质量管理部经理岗位说明书VIP免费

某中型制造业质量管理部经理岗位说明书_第1页
1/3
某中型制造业质量管理部经理岗位说明书_第2页
2/3
某中型制造业质量管理部经理岗位说明书_第3页
3/3
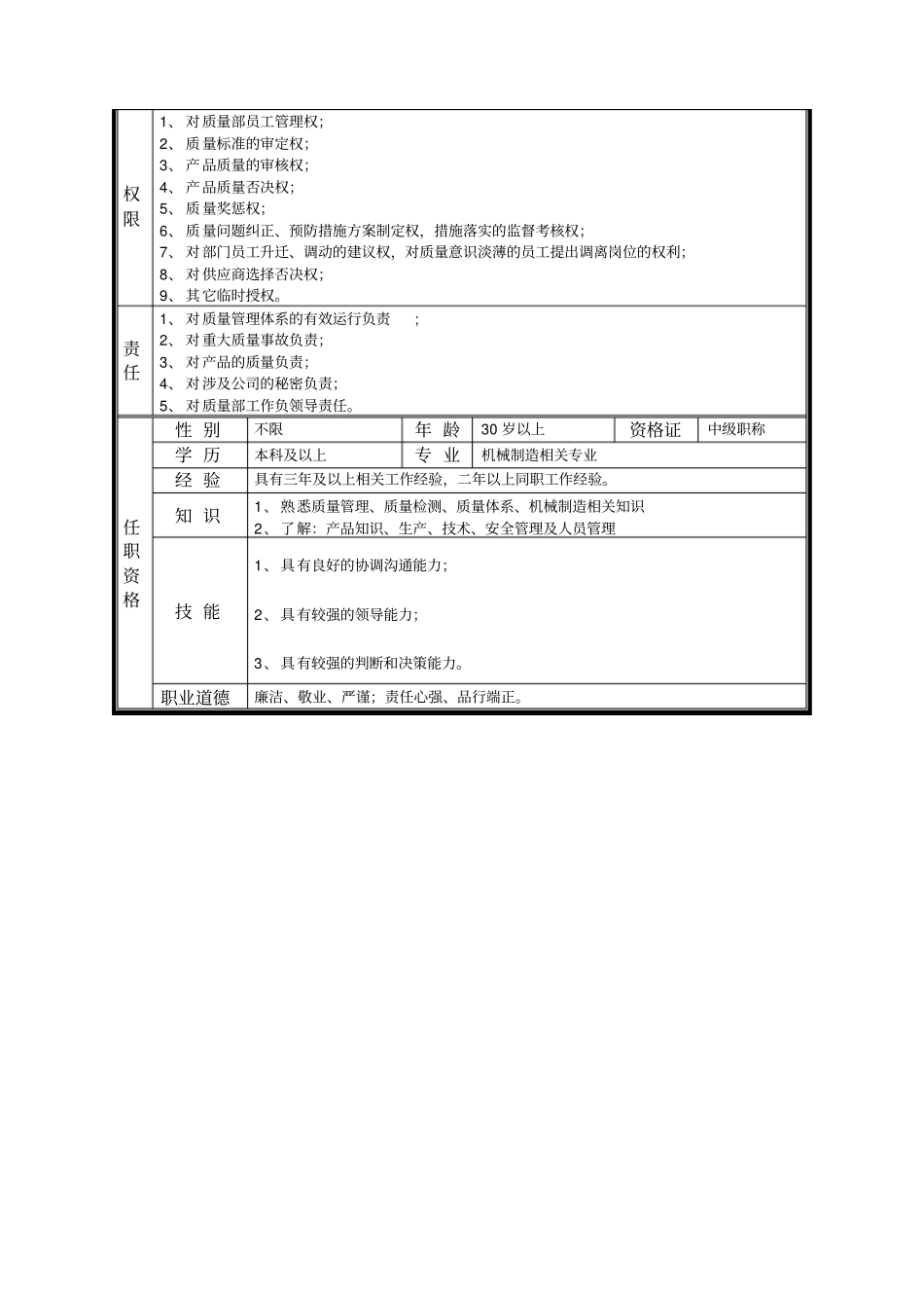
***** 有限责任公司工作说明书编号DW-JD-0501发布日期单位名称*****有限责任公司岗位名称质量部经理直接上级总经理部门质量部直接下级部门人员下级人数17主要工作职责负责公司全面质量管理工作,建立健全公司质量管理体系并组织实施。工作内容1、 制度的拟订与执行1.1贯彻执行国家质量相关法规、公司的各项规章制度,严守公司秘密,维护公司利益;1.2负责制定和完善公司各项质量管理制度并贯彻实施;2、 质量管理2.1在总经理领导下制定年度质量计划,为重大质量管理决策提供建议和信息支持;2.2组织进行公司质量体系策划,建立、健全公司质量管理体系,确保有效实施;2.3组织建立、健全质量指标考核体系,定期检查和考核;2.4主持全面质量管理的日常工作;2.5组织监督检查质量管理制度执行情况;2.6组织拟订质量标准,建立产品检验标准和检验程序;2.7组织质量成本统计、分析与控制;2.8引进先进的质量管理技术,提出产品质量改进方案,提高质量管理水平;2.9负责质量事故的调查,召开质量事故分析会,提出事故处理意见,督促纠正措施的实施,2.10组织审核产品质量和签发产品放行证;2.11定期和不定期组织各有关部门召开质量分析会议;2.12负责质量管理的全员培训,开展质量管理理论知识等不同类型不同层次的培训教育;3、 质量检测3.1组织编制检验作业指导书,进行检测用计量器具设计;3.2组织公司主料、辅料、中间产品、成品、工装的检验工作;3.3组织实施对供应商的质量管理;3.4组织编制内部校准规程,对公司计量器具检具进行管理,并负责对计量器具等的档案,计量器具、模具、工装的校准管理;3.5组织建立产品质量管理档案。4、 部门管理权限1、 对质量部员工管理权;2、 质量标准的审定权;3、 产品质量的审核权;4、 产品质量否决权;5、 质量奖惩权;6、 质量问题纠正、预防措施方案制定权,措施落实的监督考核权;7、 对部门员工升迁、调动的建议权,对质量意识淡薄的员工提出调离岗位的权利;8、 对供应商选择否决权;9、 其它临时授权。责任1、 对质量管理体系的有效运行负责;2、 对重大质量事故负责;3、 对产品的质量负责;4、 对涉及公司的秘密负责;5、 对质量部工作负领导责任。任职资格性 别不限年 龄30 岁以上资格证中级职称学 历本科及以上专 业机械制造相关专业经 验具有三年及以上相关工作经验,二年以上同职工作经验。知 识1、熟悉质量管理、质量检测、质量体系、机械制造相关知识2、了解:产品知...

1、当您付费下载文档后,您只拥有了使用权限,并不意味着购买了版权,文档只能用于自身使用,不得用于其他商业用途(如 [转卖]进行直接盈利或[编辑后售卖]进行间接盈利)。
2、本站所有内容均由合作方或网友上传,本站不对文档的完整性、权威性及其观点立场正确性做任何保证或承诺!文档内容仅供研究参考,付费前请自行鉴别。
3、如文档内容存在违规,或者侵犯商业秘密、侵犯著作权等,请点击“违规举报”。

碎片内容

某中型制造业质量管理部经理岗位说明书

您可能关注的文档

确认删除?
VIP
微信客服
  • 扫码咨询
会员Q群
  • 会员专属群点击这里加入QQ群
客服邮箱
回到顶部