电脑桌面
添加小米粒文库到电脑桌面
安装后可以在桌面快捷访问

电除尘保温施工作业指导书VIP免费

电除尘保温施工作业指导书_第1页
1/14
电除尘保温施工作业指导书_第2页
2/14
电除尘保温施工作业指导书_第3页
3/14
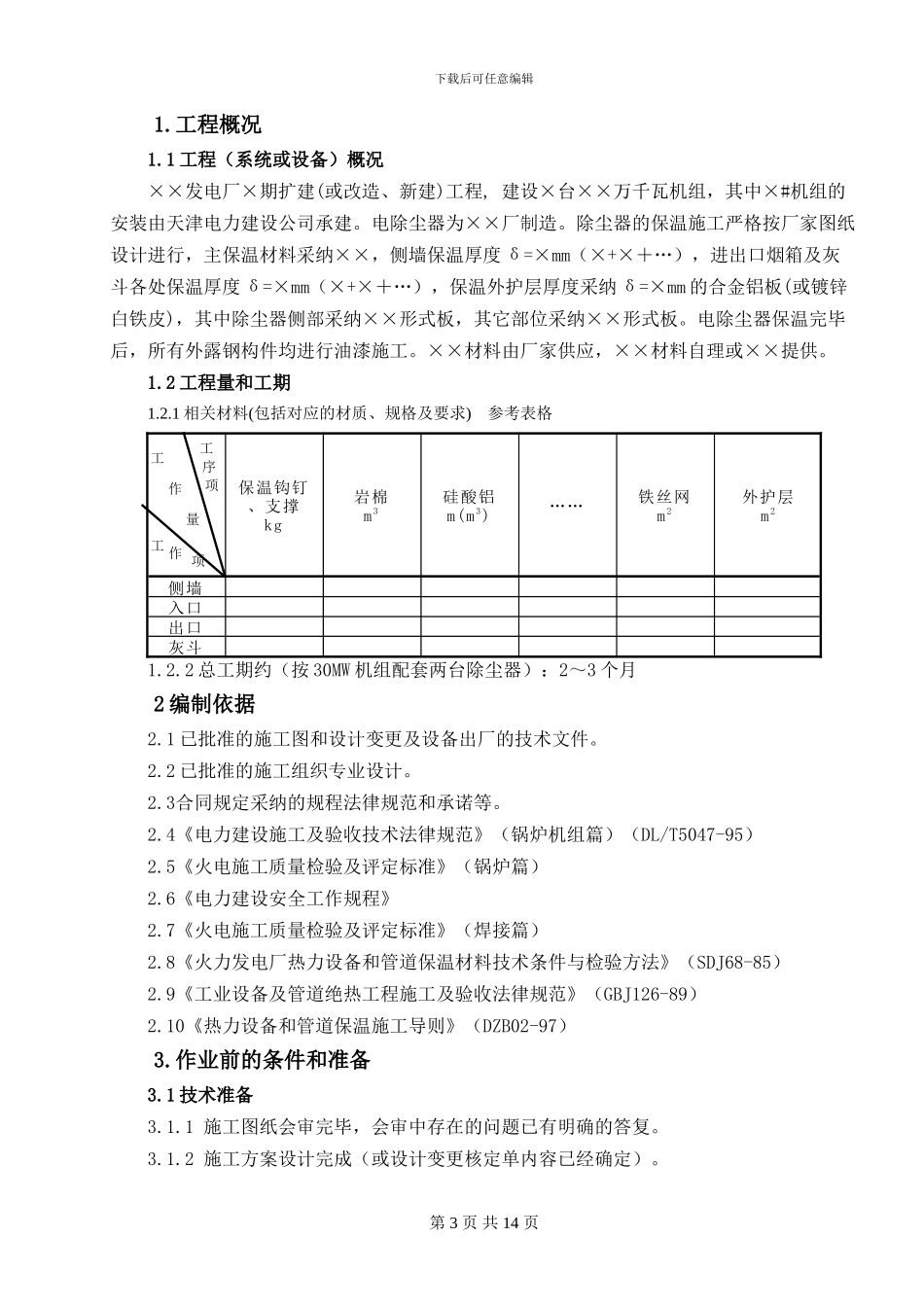
下载后可任意编辑 目 录1.工程概况.....................................................................21.1 工程(系统或设备)概况.....................................................21.2 工程量和工期...............................................................22 编制依据.....................................................................23.作业前的条件和准备...........................................................33.1 技术准备...................................................................3第 1 页 共 14 页精品 word 文档可以编辑(本页是封面)【最新资料 Word 版 可自由编辑!!】下载后可任意编辑3.2 作业人员...................................................................33.3 作业机具...................................................................53.4 材料和设备.................................................................63.5 安全器具...................................................................63.6 工序交接...................................................................63.7 其他.......................................................................64 作业程序的步骤和方法.........................................................74.1 施工方案...................................................................74.2 施工工艺流程...............................................................94.3 施工方法及要求.............................................................95.作业过程中对控制点的设置和质量通病预防......................................105.1 质量目标..................................................................105.2 质量通病预防..............................................................105.3 作业过程中控制点的设置....................................................105.4 质量标准及要求............................................................106.作业的安全要求和环境条件....................................................116.1 作业的安全危害因素辨识和控制..............................................116...

1、当您付费下载文档后,您只拥有了使用权限,并不意味着购买了版权,文档只能用于自身使用,不得用于其他商业用途(如 [转卖]进行直接盈利或[编辑后售卖]进行间接盈利)。
2、本站所有内容均由合作方或网友上传,本站不对文档的完整性、权威性及其观点立场正确性做任何保证或承诺!文档内容仅供研究参考,付费前请自行鉴别。
3、如文档内容存在违规,或者侵犯商业秘密、侵犯著作权等,请点击“违规举报”。

碎片内容

电除尘保温施工作业指导书

您可能关注的文档

确认删除?
VIP
微信客服
  • 扫码咨询
会员Q群
  • 会员专属群点击这里加入QQ群
客服邮箱
回到顶部