电脑桌面
添加小米粒文库到电脑桌面
安装后可以在桌面快捷访问

盾构始发井冬季施工方案VIP免费

盾构始发井冬季施工方案_第1页
1/32
盾构始发井冬季施工方案_第2页
2/32
盾构始发井冬季施工方案_第3页
3/32
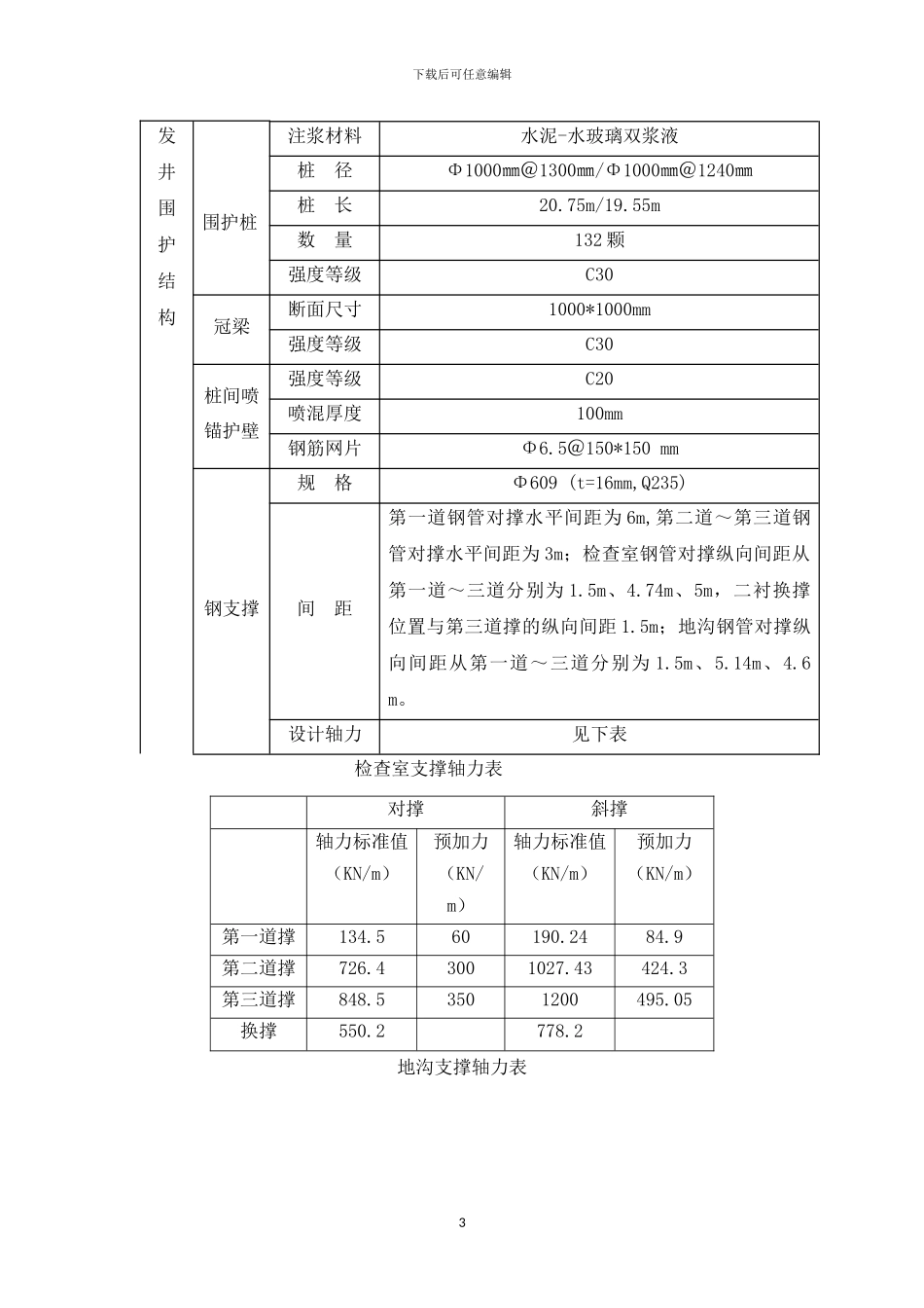
下载后可任意编辑一、编制说明1.编制目的为保证东北热电中心配套热网北线(东坝中路-首都机场第二通道)盾构始发井冬季施工期间的施工质量和安全,保证工程的正常、连续进行,确保工程施工计划和质量目标的顺利实现,特制定本措施。2.编制依据(1)设计文件 序号文件名称编号/日期1东北热电中心配套热网北线(东坝中路-首都机场第二通道)盾构始发井施工图JT13-03A239/2024.10(2)法律规范、规程序号法律规范、规程名称编号1《工程测量法律规范》GB50026-2024 2《建筑基坑工程监测技术法律规范》GB50497-20243《混凝土结构工程施工质量验收法律规范》GB50204-2024(2024 版)4《钢筋焊接及验收规程》JGJ18-20245《建筑基坑支护技术规程》DB11/489-20246《建设工程监理规程》DBJ01-41-2024 7《施工现场临时用电安全技术规程》JGJ46-2024 8《建筑工程施工现场供电安全法律规范》GB50194- 1993 9《建筑桩基技术法律规范》JGJ94-202410《建筑基坑支护技术规程》JGJ120-202411《建筑工程冬期施工规程》JGJ104-2024(3)标准序号标准名称编号1《建筑地基基础工程施工质量验收法律规范》GB50202-20241《混凝土结构工程施工质量验收法律规范》GB50204-2024(2024 版)1下载后可任意编辑2《混凝土强度检验评定标准》GB/T50107-20243《市政基础设施工程资料管理规程》DB11/T808-2024二、工程概况1.工程概况工程名称:东北热电中心配套热网北线(东坝中路-首都机场第二通道)盾构始发井建设单位:北京市热力集团有限责任公司设计单位:北京特泽热力工程设计有限责任公司勘察单位:北京中机勘岩工程技术有限公司监理单位:北京正远监理咨询有限公司施工单位:北京市政建设集团有限责任公司第二工程处2.基坑支护设计(1)基坑支护设计概述始发井围护结构钻孔灌注桩咬合旋喷桩止水并结合结合内支撑体系的支护结构形式。围护结构采纳 Ф1000@1300mm 钻孔灌注桩,桩插入比约 0.25H。钻孔桩桩长 20.75(19.55)米,基坑两端端头部分加深。桩内设圆形钢筋笼,钢筋笼钢筋均匀布置,桩顶设置 1000*1000mm 钢筋混凝土冠梁;桩间采纳挂φ6.5@150*150mm 钢筋网及 C20 喷砼找平,平均喷混凝土厚度约 100mm,钢筋网搭接长度不少于 2 个网格。内支撑采纳 φ609 壁厚 16mm 钢管,共设置 3 道支撑,第一道支撑中心间距约 6m,第二、三道支撑中心间距约 3m,第二~三道支撑处设钢围檩,钢围檩采纳双拼 145b 型钢。(2)基坑支护设计参数盾构始发井土...

1、当您付费下载文档后,您只拥有了使用权限,并不意味着购买了版权,文档只能用于自身使用,不得用于其他商业用途(如 [转卖]进行直接盈利或[编辑后售卖]进行间接盈利)。
2、本站所有内容均由合作方或网友上传,本站不对文档的完整性、权威性及其观点立场正确性做任何保证或承诺!文档内容仅供研究参考,付费前请自行鉴别。
3、如文档内容存在违规,或者侵犯商业秘密、侵犯著作权等,请点击“违规举报”。

碎片内容

盾构始发井冬季施工方案

您可能关注的文档

确认删除?
VIP
微信客服
  • 扫码咨询
会员Q群
  • 会员专属群点击这里加入QQ群
客服邮箱
回到顶部