电脑桌面
添加小米粒文库到电脑桌面
安装后可以在桌面快捷访问

石家庄良村热电有限公司2300MW等级工程-14-11VIP免费

石家庄良村热电有限公司2300MW等级工程-14-11_第1页
1/17
石家庄良村热电有限公司2300MW等级工程-14-11_第2页
2/17
石家庄良村热电有限公司2300MW等级工程-14-11_第3页
3/17
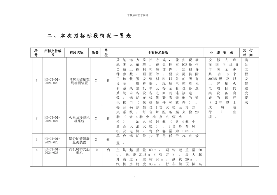
下载后可任意编辑石 家 庄 良 村 热 电 有 限 公 司2×300MW 等 级 工 程第 二 批 辅 机 设 备 招 标招 标 公 告中 国 电 能 成 套 设 备 有 限 公 司 受 招 标 人 委 托 , 对石 家 庄 良 村 热 电 有 限 公 司 2×300MW 等 级 工 程 第 二 批辅 机 设 备 进 行 公 开 招 标 , 采 纳 资 格 后 审 方 式 招 标 。一 、 项 目 基 本 情 况招 标 人 : 石 家 庄 良 村 热 电 有 限 公 司设 计 单 位 : 河 北 省 电 力 勘 测 设 计 讨 论 院招 标 代 理 机 构 : 中 国 电 能 成 套 设 备 有 限 公 司1下载后可任意编辑项 目 地 点 : 河 北 石 家 庄2下载后可任意编辑二 、 本 次 招 标 标 段 情 况 一 览 表序号招标文件编号标段名称数量单位主要技术参数业绩要求交付时间1HD-CT-01-2024-023飞灰含碳量在线检测装置2套采纳远方监控方式,能实现就地无人值班。在集控室DCS 操作员站上控制相应部件,监视各种参数、画面等。要求提供除了该装置安装材料以外的所有设备:取样器、现场电控单元和系统主机单元等全套设备及系统内各设备之间的连接电缆;锅炉在线测碳系统侧的通讯接口(包括硬件和软件)。投标人应在国内近5年内至少具有3个300MW 级及以上容量火电项目同类设备良好的运行(2 年以上成功运行)业绩。满足工程安装进度要求2HD-CT-01-2024-024火检及冷却风机系统2套每台锅炉装设1 套火检及冷却风系统。每台炉配备煤火检28套(含4 套少油点火煤火检),油火检16套(含4 套少油点火油火检)。2 台冷却风机及电机,每台容量为100%。3HD-CT-01-2024-025锅炉炉管泄漏监测装置2套单台锅炉最少不得低于24点设置。4HD-CT-01-2024-026汽机房桥式起重机2台主钩起重量80 t,副钩起重量20 t ,轨距31.5 m(暂定)。最大起升高度:主钩26 m,副钩29 m。汽机房跨度33 m,行车轨顶标高3下载后可任意编辑(暂定)23.5 m ( 相对于主厂房零米) ,汽机房屋架下弦标高(暂定): 26.1 m。5HD-CT-01-2024-027热网补水除氧器1台型式:大气式旋膜除氧器。水箱有效容积:25m3 ,除氧器额定/最大出力:60/120 t/h ,除氧器总高度不大于6m ,除氧器进汽压力:最高:0.6MPa(a) (偶然工况),正常运行:0.12MPa(a) (调阀后进汽压力)。加热蒸汽温度:最高:287 ℃ (偶...

1、当您付费下载文档后,您只拥有了使用权限,并不意味着购买了版权,文档只能用于自身使用,不得用于其他商业用途(如 [转卖]进行直接盈利或[编辑后售卖]进行间接盈利)。
2、本站所有内容均由合作方或网友上传,本站不对文档的完整性、权威性及其观点立场正确性做任何保证或承诺!文档内容仅供研究参考,付费前请自行鉴别。
3、如文档内容存在违规,或者侵犯商业秘密、侵犯著作权等,请点击“违规举报”。

碎片内容

石家庄良村热电有限公司2300MW等级工程-14-11

您可能关注的文档

确认删除?
VIP
微信客服
  • 扫码咨询
会员Q群
  • 会员专属群点击这里加入QQ群
客服邮箱
回到顶部