电脑桌面
添加小米粒文库到电脑桌面
安装后可以在桌面快捷访问

维景酒店停车平台沉降灌浆施工方案VIP免费

维景酒店停车平台沉降灌浆施工方案_第1页
1/10
维景酒店停车平台沉降灌浆施工方案_第2页
2/10
维景酒店停车平台沉降灌浆施工方案_第3页
3/10
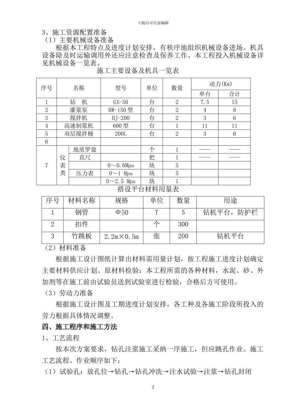
下载后可任意编辑一、编制依据1. 《岩溶路基注浆及回填处理施工管理实施细则》;2. 《水工建筑物水泥注浆施工技术规程》SL62-9;3. 2024.02.13 维景酒店停车平台现场察看。二、工程概况1、施工概况该工点位于重庆市渝北区金开大道翠云立交旁,由于酒店剪力墙外侧回填区自然沉降,部分停车平台下沉达 150mm. 设计理念:通过钻孔和注浆,使基础在一定范围内的裂隙及回填层凝聚,形成一个固结的块体,从而起到对路基的加固并提高承载力。2、工程特点、难点工程实施对象为正在营业中的酒店旁,施工较一般的土建工程具有一定的特别性,必须重视安全工作与环境保护工作的紧密结合性。工程规模较小,工期短。地下管线较为复杂。3、施工条件施工场地已具备了“三通一平”。 三、施工准备仔细做好以下各方面的准备工作以确保优质快速完成本工程。施工准备工作应从以下四方面着手:一是在项目技术主管主持下,内业技术、现场施工员、质检员仔细熟悉场地及地下管线在走向;二是由现场技术带领领工员负责现场各种临时设施的搭设,进行工程定位放线布桩、完善施工安全围挡、砂浆搅拌场地等前期准备工作,为工程尽早开工制造必备的条件;三是在项目部的统一指挥下,确定原材料、消耗材料的采购点,及时提出周转材料、机具设备计划并按施工进度要求确定进场日期;四是由施工员组织所需的劳动力。1、技术工作准备组织工程内业、外业技术人员熟悉了解施工意图,施工法律规范、质量要求及安全保证措施等。作好必要的工料分析,作好技术交底记录,同时作好技术安全培训工作,测量人员及时做好控制点布设及施工放样等工作。2、施工现场准备根据“注浆孔位布置图”布设施工现场,同时按国家规定及标准建好施工场地养护池,做好原材料、施工配合比等试验,调试安装好施工设备做好开工前的准备工作。1下载后可任意编辑3、施工资源配置准备(1)主要机械设备准备根据本工程特点及进度计划安排,有秩序地组织机械设备进场。机具设备除及时运输调用外还应注意检查及保养工作。本工程投入机械设备详见机械设备一览表。施工主要设备及机具一览表 序号名称型号单位数量动力(Kw)单台合计1钻 机GX-50台27.5152灌浆泵BW-150 型台2483搅拌机HJ-200台2364高速制浆机600 型台111115双层搅拌桶200L台23667仪表类地质罗盘个1————直尺把1————0~0.6Mpa块5压力表0~1 Mpa块50~2.5 Mpa块1搭设平台材料用量表 序号材料名称规格单位数量用途1钢管Ф50T5钻机平台,防护...

1、当您付费下载文档后,您只拥有了使用权限,并不意味着购买了版权,文档只能用于自身使用,不得用于其他商业用途(如 [转卖]进行直接盈利或[编辑后售卖]进行间接盈利)。
2、本站所有内容均由合作方或网友上传,本站不对文档的完整性、权威性及其观点立场正确性做任何保证或承诺!文档内容仅供研究参考,付费前请自行鉴别。
3、如文档内容存在违规,或者侵犯商业秘密、侵犯著作权等,请点击“违规举报”。

碎片内容

维景酒店停车平台沉降灌浆施工方案

您可能关注的文档

确认删除?
VIP
微信客服
  • 扫码咨询
会员Q群
  • 会员专属群点击这里加入QQ群
客服邮箱
回到顶部